Линейные подшипники в сборе с корпусом серии SCS-L-UU — это удлинённые узлы, использующие подшипник LME -xxx-L-UU и специально разработанные для обеспечения повышенной стабильности и долговечности в линейных системах. Их конструкция позволяет работать в условиях высоких нагрузок и вибраций, что делает их идеальным выбором для сложных промышленных применений.
Конструкция и особенности:
- Удлинённый корпус: обеспечивает дополнительную устойчивость и равномерное распределение нагрузки.
- Прочный алюминиевый корпус: имеет анодированное покрытие для защиты от коррозии и механических повреждений.
- Шариковый подшипник: обеспечивает низкий коэффициент трения и плавность хода.
- Гибкость в использовании: подходит для стандартных круглых валов типов W и WV.
Преимущества:
1. Повышенная устойчивость
Удлинённая конструкция снижает риск перекоса при движении.
2. Долговечность
Материалы и точная обработка обеспечивают длительный срок службы.
3. Удобный монтаж
Корпус оснащён отверстиями для крепления, что ускоряет установку.
4. Совместимость с различными валами
Подходит для использования с хромированными и нержавеющими валами.
Области применения:
- станки с высокой нагрузкой;
- промышленные системы линейного перемещения;
- лазерные и плазменные режущие установки;
- линейные приводы для робототехники;
- автоматизированные производственные линии.
Рекомендации по эксплуатации:
- Убедитесь в правильной выравнивании подшипника с валом для предотвращения износа.
- Регулярно очищайте и смазывайте подшипник для поддержания плавности работы.
- Используйте подшипники в рекомендуемом диапазоне температур.
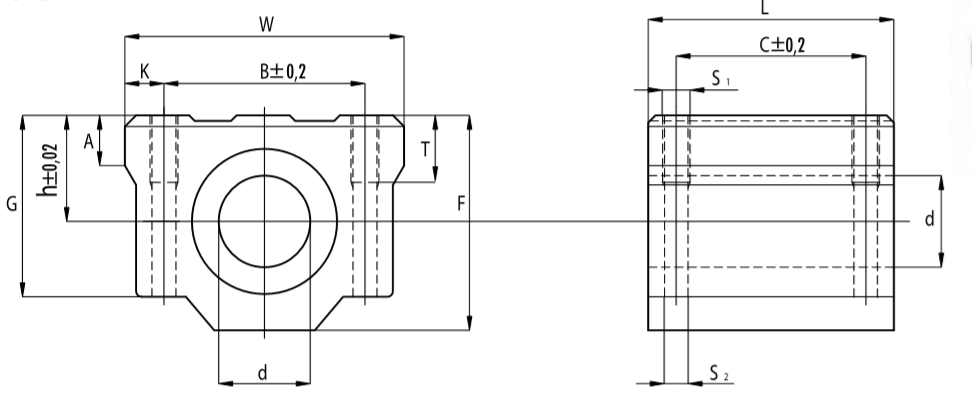
Технические характеристики:
- диапазон размеров: от SCS12LUU до SCS50LUU;
- материал корпуса: алюминий;
- рабочая температура: от -20°C до +80°C;
- нагрузка: зависит от размера и конфигурации.
Службы доставки в ПВЗ:
- СДЭК
- Boxberry
- Яндекс Доставка
- DPD
Службы доставки курьером:
- Собственная служба доставки
- СДЭК
- Достависта
Подробнее о доставке транспортными компаниями:
1. Доставка через СДЭК
СДЭК – это удобная и быстрая доставка по всей России. Вы можете выбрать один из вариантов:
- Доставка до пункта выдачи – ваш заказ будет доставлен в ближайший к вам офис СДЭК, где его можно забрать в удобное время.- Курьерская доставка – заказ привезут прямо к вам домой или в офис.
Сроки доставки зависят от региона и рассчитываются индивидуально при оформлении заказа.*
2. Доставка транспортной компанией «Деловые Линии»
Если вам требуется перевозка крупногабаритного или тяжелого груза, мы рекомендуем транспортную компанию «Деловые Линии».
- Доставка возможна в большинство населенных пунктов России.- Вы можете выбрать удобный терминал для самовывоза или заказать адресную доставку.
Стоимость рассчитывается индивидуально в зависимости от веса, габаритов и региона.*
О самовывозе со склада
Вы можете самостоятельно забрать заказ в Санкт-Петербурге по адресу:
📍 Люботинский проспект, 5
Преимущества самовывоза:
✔️ Возможность проверить товар перед получением.
✔️ Отсутствие затрат на доставку.
✔️ Гибкий график выдачи.
Перед приездом на склад обязательно уточните наличие товара у менеджера.
Доставка осуществляется в пределах территорий Российской Федерации и Республики Беларусь.
*обращаем Ваше внимание, что стоимость доставки рассчитывается согласно тарификациям транспортных компаний и курьерских служб.
При установке линейных подшипников исполнители нередко допускают ошибки, которые становятся причиной быстрого выхода из строя этих узлов. В предлагаемом обзоре рассматривается, как предупредить погрешности монтажа, с учетом состава наиболее целесообразных мер с точки зрения технической реализации и экономической целесообразности применяемых технологий.
