О товаре
Линейный подшипник с корпусом SCS50-UU бесфланцевый закрытого типа предназначен для линейного перемещения по валу 50 мм и используется в тяжёлых промышленных узлах, где необходимы высокая грузоподъёмность, жёсткость конструкции и удобный монтаж готового корпусного блока.
Расшифровка артикула
- SCS — линейный подшипник в корпусе с креплением на плоскость
- 50 — внутренний диаметр под направляющий вал 50 мм
- UU — двусторонние резиновые уплотнения закрытого типа
Полное обозначение: SCS50-UU. Это один из наиболее крупных типоразмеров серии SCS-UU, рассчитанный на работу в нагруженных системах линейного движения.[file:26]
Конструкция и устройство
Корпусной узел состоит из массивного алюминиевого корпуса и встроенной линейной втулки шарикового типа с рециркуляцией. Конструкция обеспечивает надёжное перемещение по валу большого диаметра, а корпус даёт возможность жёстко фиксировать узел на станине или опорной плите. Уплотнения UU ограничивают проникновение загрязнений внутрь и помогают сохранять смазку в зоне качения, что особенно важно при работе под высокой нагрузкой.
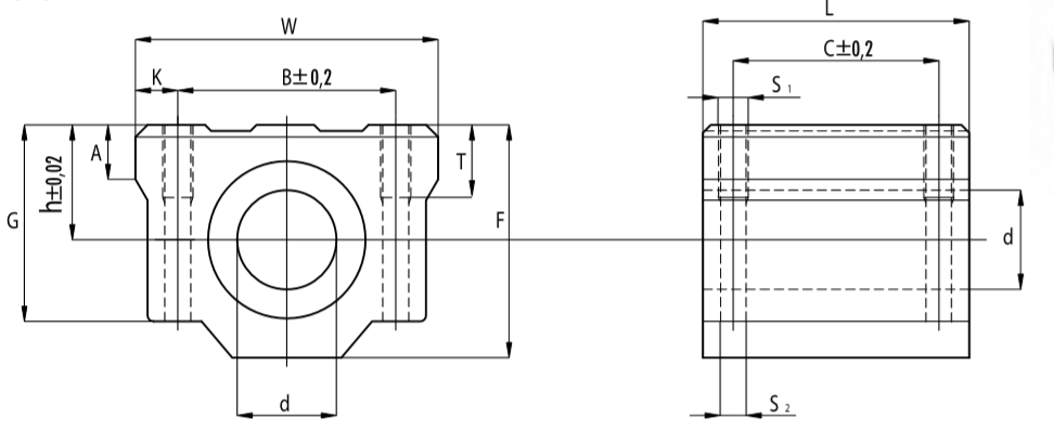
Размерный ряд серии SCS-UU
Ниже приведена таблица всех типоразмеров серии. Текущий товар выделен.
| Модель | d, мм | L, мм | W, мм | S1 | Кол-во рециркуляций | G, мм | S2, мм | K, мм | A, мм | C, Н | C0, Н |
|---|---|---|---|---|---|---|---|---|---|---|---|
| SCS08UU | 12 | 36 | 42 | M5 | 4 | 24 | 4,3 | 5,75 | 8 | 510 | 784 |
| SCS10-UU | 10 | 35 | 40 | M5 | 4 | 21 | 4,3 | 6 | 8 | 370 | 540 |
| SCS12-UU | 12 | 36 | 42 | M5 | 4 | 24 | 4,3 | 5,75 | 8 | 510 | 784 |
| SCS16-UU | 16 | 44 | 50 | M5 | 5 | 32,5 | 4,3 | 7 | 9 | 770 | 1170 |
| SCS20-UU | 20 | 50 | 54 | M6 | 5 | 35 | 5,2 | 7 | 11 | 860 | 1370 |
| SCS25-UU | 25 | 67 | 76 | M8 | 6 | 41 | 6,8 | 11 | 12 | 980 | 1560 |
| SCS30-UU | 30 | 72 | 78 | M8 | 6 | 49 | 6,8 | 10 | 15 | 1560 | 2740 |
| SCS35-UU | 35 | 80 | 90 | M8 | 6 | 54 | 6,8 | 10 | 18 | 1660 | 3130 |
| SCS40-UU | 40 | 90 | 102 | M10 | 6 | 62 | 8,6 | 11 | 20 | 2150 | 4010 |
| SCS50-UU | 50 | 110 | 122 | M10 | 6 | 80 | 8,6 | 11 | 25 | 3820 | 7930 |
Технические параметры и условия эксплуатации
Модель SCS50-UU рассчитана на вал 50 мм и имеет длину корпуса 110 мм при ширине 122 мм. Крепёжное отверстие — M10, количество рециркуляций — 6, динамическая грузоподъёмность составляет 3820 Н, статическая — 7930 Н. Это делает подшипник подходящим для тяжёлых узлов линейного перемещения и оборудования с повышенной нагрузкой на направляющие. Для стабильной эксплуатации важны точная установка, качественная обработка вала и регулярная подача смазки.[file:26]
- Внутренний диаметр (d): 50 мм
- Длина (L): 110 мм
- Ширина (W): 122 мм
- Крепёжное отверстие S1: M10
- Количество рециркуляций: 6
- Выступ маслёнки G: 80 мм
- Диаметр сквозного отверстия S2: 8,6 мм
- Расстояние K: 11 мм
- Высота боковой юбки A: 25 мм
- Динамическая нагрузка C: 3820 Н
- Статическая нагрузка C0: 7930 Н
- Исполнение: закрытое, UU
Применяемость
SCS50-UU применяется в тяжёлых станочных системах, промышленных порталах, подающих и транспортных механизмах, а также в крупногабаритных узлах линейного перемещения. Модель удобна там, где нужен готовый к монтажу корпусной узел с высокой несущей способностью и стабильной работой при значительных нагрузках. За счёт закрытого исполнения подшипник лучше адаптирован к эксплуатации в стандартной промышленной среде с периодическим загрязнением.
- Тяжёлые станочные узлы
- Промышленные портальные системы
- Крупные каретки и направляющие
- Транспортные и подающие механизмы
- Нагруженные системы линейного позиционирования
Аналоги
Подшипник SCS50-UU (TECHNIX) соответствует аналогичным корпусным линейным подшипникам по серии и основным параметрам присоединения.[file:26]
| Производитель | Обозначение аналога | Тип соответствия |
|---|---|---|
| Samick | SCS50UU / SC50UU | Полный аналог по серии |
| THK | SC50UU | Близкий аналог по исполнению |
| NB | SM/SC-тип в корпусе с LM50UU | Близкий аналог по конструкции |
| INA | KBS50-PP в корпусном исполнении | Близкий аналог по исполнению |
Точное соответствие необходимо проверять и подтверждать по каталожным размерам и допускаемым нагрузкам конкретной модели.
Часто задаваемые вопросы
- Для каких задач подходит SCS50-UU?
Модель подходит для тяжёлых систем линейного перемещения, где требуется высокая грузоподъёмность и жёсткость опорного узла. - Как правильно выполнять замену?
Перед заменой необходимо снять нагрузку с узла, проверить состояние направляющего вала и установить новый подшипник без перекоса, с равномерной затяжкой крепежа. - Чем версия UU отличается от других модификаций?
Исполнение UU оснащено двусторонними уплотнениями, что улучшает защиту рабочей зоны и способствует удержанию смазки. - Можно ли ставить аналог другого бренда?
Да, при полном подтверждении размеров, схемы крепления и допустимых нагрузок по техническому каталогу конкретной модели.
Службы доставки в ПВЗ:
- СДЭК
- Boxberry
- Яндекс Доставка
- DPD
Службы доставки курьером:
- Собственная служба доставки
- СДЭК
- Достависта
Подробнее о доставке транспортными компаниями:
1. Доставка через СДЭК
СДЭК – это удобная и быстрая доставка по всей России. Вы можете выбрать один из вариантов:
- Доставка до пункта выдачи – ваш заказ будет доставлен в ближайший к вам офис СДЭК, где его можно забрать в удобное время.- Курьерская доставка – заказ привезут прямо к вам домой или в офис.
Сроки доставки зависят от региона и рассчитываются индивидуально при оформлении заказа.*
2. Доставка транспортной компанией «Деловые Линии»
Если вам требуется перевозка крупногабаритного или тяжелого груза, мы рекомендуем транспортную компанию «Деловые Линии».
- Доставка возможна в большинство населенных пунктов России.- Вы можете выбрать удобный терминал для самовывоза или заказать адресную доставку.
Стоимость рассчитывается индивидуально в зависимости от веса, габаритов и региона.*
О самовывозе со склада
Вы можете самостоятельно забрать заказ в Санкт-Петербурге по адресу:
📍 Люботинский проспект, 5
Преимущества самовывоза:
✔️ Возможность проверить товар перед получением.
✔️ Отсутствие затрат на доставку.
✔️ Гибкий график выдачи.
✔️ Возможность оплаты заказа банковской картой при получении заказа.
Перед приездом на склад обязательно уточните наличие товара у менеджера.
Доставка осуществляется в пределах территорий Российской Федерации и Республики Беларусь.
*обращаем Ваше внимание, что стоимость доставки рассчитывается согласно тарификациям транспортных компаний и курьерских служб.
Линейные подшипники обеспечивают ровное и плавное перемещение деталей по прямой, что важно для станков, 3D-принтеров, манипуляторов и автоматических линий. От правильного выбора детали зависит срок службы оборудования и качество работы узлов при серийном производстве.
В этом материале разберем, как устроены линейные подшипники, чем отличаются между собой и что учитывать при выборе модели под задачи производства.
При установке линейных подшипников исполнители нередко допускают ошибки, которые становятся причиной быстрого выхода из строя этих узлов. В предлагаемом обзоре рассматривается, как предупредить погрешности монтажа, с учетом состава наиболее целесообразных мер с точки зрения технической реализации и экономической целесообразности применяемых технологий.

