ОПУ стандартной серии с двумя рядами шариков EB2.28.1215.401-1RPPN TECHNIX - это двухрядное шариковое опорно‑поворотное устройство с наружным зубчатым венцом, рассчитанное на работу под очень высокими комбинированными нагрузками. В отличие от исполнения 400, данная модификация имеет изменённую конструкцию колец и посадочных поверхностей, что упрощает интеграцию в специфические узлы оборудования при сохранении высокой грузоподъемности и жесткости.
Устройство и конструкция
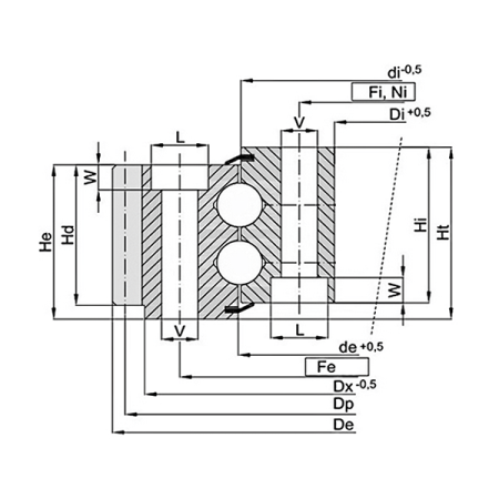
ОПУ EB2.28.1215.401-1RPPN включает внутреннее и наружное стальные кольца с закаленными дорожками качения и двумя рядами шариков, образующими восемь точек контакта для равномерного восприятия осевых, радиальных нагрузок и опрокидывающих моментов. Шарики разделены полимерными дистанционными элементами, которые снижают трение и обеспечивают стабильное распределение нагрузки по окружности даже при ударных и переменных режимах работы. Наружное кольцо снабжено зубчатым венцом с модулем 10 и внешним зацеплением, согласованным с типовыми приводными шестернями поворотных редукторов. По окружности предусмотрен ряд монтажных отверстий под болтовое крепление к силовому каркасу и поворотной платформе; подшипник поставляется предварительно смазанным, имеет двухсторонние уплотнения и рассчитан на дозаправку смазкой через пресс‑масленки.
Расшифровка наименования
- EB2 – стандартная серия опорно‑поворотных устройств с двумя рядами шариков и наружным зубчатым венцом.
- 28 – размерный ряд с увеличенной несущей способностью и высотой по сравнению с рядом 25.
- 1215 – типоразмер, определяющий сочетание внутреннего и наружного диаметров, расположение крепежных отверстий и параметры зубчатого венца.
- 401 – вариант исполнения с модифицированной конструкцией колец и посадочных поверхностей по сравнению с исполнением 400.
- 1RPPN – два ряда шариков, исполнение с усиленными уплотнениями и смазкой, наружное зубчатое зацепление.
Применяемость на практике
- Используется в поворотных узлах, где требуется максимальная устойчивость к опрокидывающим моментам и высокая жесткость при большом диаметре опоры.
- Подходит для механизмов, работающих в непрерывном или интенсивном многосменном режиме под переменными нагрузками и частыми циклами пуска, останова и реверса.
- Рекомендуется для конструкций, в которых важны унифицированные посадочные размеры и совместимость с существующими узлами на базе исполнения 400 при повышенных требованиях к креплению.
- Обеспечивает длительный ресурс при условии регулярной смазки, контроля момента затяжки крепежных болтов и периодического осмотра зубчатого венца и уплотнений.
Сферы применения
- Тяжелые строительные, портальные и судовые краны, а также перегружатели с крупногабаритными поворотными платформами.
- Карьерные и горнодобывающие машины, экскаваторы, буровые и перерабатывающие установки с длиннобазовыми стрелами и массивными рабочими органами.
- Крупные поворотные столы, кантователи, смесители и барабанные агрегаты, где требуется повышенная жесткость и точность позиционирования поворотного узла.
- Энергетическое и специализированное промышленное оборудование, для которого критичны высокий запас прочности, надежность и долговечность опорно‑поворотной опоры.
Службы доставки в ПВЗ:
- СДЭК
- Boxberry
- Яндекс Доставка
- DPD
Службы доставки курьером:
- Собственная служба доставки
- СДЭК
- Достависта
О самовывозе со склада
Вы можете самостоятельно забрать заказ в Санкт-Петербурге по адресу:
📍 Люботинский проспект, 5

