ОПУ стандартной серии с одним рядом шариков EB1.20.0644.200-1STPN TECHNIX предназначено для работы в узлах с повышенными осевыми и радиальными нагрузками, где требуется значительный запас жесткости и устойчивости к опрокидывающим моментам. Типоразмер 0644 по диаметру и несущей способности относится к тяжелому сегменту в рамках ряда 20 и выбирается там, где исполнение 0544 уже недостаточно по грузоподъемности, но нет необходимости переходить на еще более крупные размеры.
Устройство и конструкция
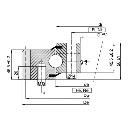
ОПУ EB1.20.0644.200-1STPN представляет собой однорядное шариковое опорно‑поворотное устройство с четырехточечным контактом тел качения, размещенных между внутренним и наружным кольцом квадратного сечения. Наружное кольцо имеет зубчатый венец с модулем 6 и внешним зацеплением, рассчитанный на работу с мощными приводными шестернями и передачу высоких крутящих моментов без проскальзывания. Внутреннее и наружное кольца выполняются методом ковки с последующей прецизионной механической обработкой, оснащены глубокими монтажными отверстиями под болтовое крепление, что обеспечивает высокую жесткость соединения с рамами и платформами. ОПУ поставляется предварительно смазанным, имеет верхние и нижние уплотнения, допускает регламентную дозаправку смазкой и рассчитано на стабильную работу в запыленной и влажной промышленной среде.
Расшифровка наименования
- EB1 – стандартная серия однорядных шариковых опорно‑поворотных устройств с наружным зубчатым венцом.
- 20 – размерный ряд, определяющий уровень грузоподъемности и совокупность габаритных параметров.
- 0644 – типоразмер с большим наружным диаметром и количеством крепежных отверстий по сравнению с исполнениями 0414 и 0544, рассчитанный на более тяжелые режимы работы.
- 200 – конструктивное исполнение по высоте, конфигурации колец и схеме крепления к сопрягаемым элементам.
- 1STPN – один ряд шариков, стандартное исполнение уплотнений и смазки, наличие внешнего зубчатого венца нормализованного профиля.
Применяемость на практике
- Применяется в узлах, где необходимо обеспечить повышенную устойчивость к опрокидывающим моментам при значительном вылете стрелы или платформы.
- Подходит для механизмов, работающих в многосменном режиме под переменными нагрузками и испытывающих регулярные циклы пуска, останова и реверса.
- Используется в конструкциях, где требуется равномерное распределение нагрузок по крупному диаметру опоры и жесткое болтовое крепление к массивным рамам.
- Обеспечивает надежную работу при условии соблюдения регламента обслуживания: периодической смазки, контроля момента затяжки крепежных болтов и осмотра зубчатого венца.
Сферы применения
- Тяжелые краны, погрузочно‑разгрузочные комплексы и подъемно‑транспортные машины с увеличенным диаметром поворотной платформы.
- Строительные, дорожные и горнодобывающие машины, где опорно‑поворотный узел испытывает высокие комбинированные нагрузки.
- Поворотные столы крупного диаметра, смесители, барабанные и реакторные установки, требующие высокой жесткости опоры.
- Иное тяжелое технологическое и энергетическое оборудование, для которого критичны надежность, ресурс и устойчивость опорно‑поворотного узла к длительным нагрузкам.
Службы доставки в ПВЗ:
- СДЭК
- Boxberry
- Яндекс Доставка
- DPD
Службы доставки курьером:
- Собственная служба доставки
- СДЭК
- Достависта
О самовывозе со склада
Вы можете самостоятельно забрать заказ в Санкт-Петербурге по адресу:
📍 Люботинский проспект, 5

