ОПУ стандартной серии с одним рядом шариков EB1.20.0844.200-1STPN TECHNIX предназначено для работы в наиболее нагруженных поворотных узлах, где действуют очень высокие осевые и радиальные нагрузки, а также значительные опрокидывающие моменты. Увеличенный наружный диаметр около 950 мм при высоте 56 мм и масса порядка 70 кг обеспечивают высокий запас грузоподъемности и жесткости, что позволяет использовать данный типоразмер в ответственных узлах тяжелого промышленного и энергетического оборудования. Конструкция рассчитана на длительную эксплуатацию в непрерывном или многосменном режиме, включая циклы пуска, останова и реверса под переменными нагрузками.
Устройство и конструкция
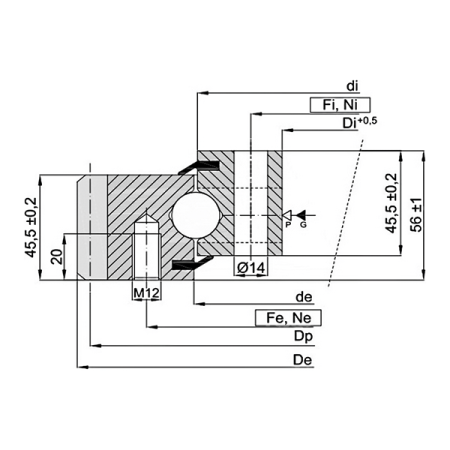
ОПУ EB1.20.0844.200-1STPN представляет собой однорядное шариковое опорно‑поворотное устройство с четырехточечным контактом шариков, размещенных между внутренним и наружным кольцом квадратного сечения. Наружное кольцо оснащено зубчатым венцом с внешним зацеплением, что обеспечивает надежную передачу высокого крутящего момента от приводной шестерни и согласование с мощными приводами поворотных механизмов. Оба кольца изготавливаются методом ковки с последующей прецизионной обработкой, имеют глубокие монтажные отверстия по окружности для болтового крепления, благодаря чему поддерживается высокая жесткость соединения с силовым каркасом машины. Подшипник поставляется предварительно смазанным, снабжен верхними и нижними уплотнениями, допускает регламентную дозаправку смазкой через пресс‑масленки и адаптирован к работе в запыленной, влажной и вибронагруженной среде.
Расшифровка наименования
- EB1 – стандартная серия однорядных шариковых опорно‑поворотных устройств с наружным зубчатым венцом.
- 20 – размерный ряд, определяющий уровень грузоподъемности и совокупность габаритных параметров ОПУ.
- 0844 – типоразмер с максимальным наружным диаметром в линейке ряда 20, ориентированный на наиболее тяжелые режимы работы и крупные платформы.
- 200 – конструктивное исполнение по высоте, профилю колец и схеме крепления к сопрягаемым элементам.
- 1STPN – один ряд шариков, стандартное исполнение уплотнений и смазки, наличие внешнего зубчатого венца нормализованного профиля.
Применяемость на практике
- Применяется в поворотных узлах, где необходим максимальный запас по несущей способности и устойчивости к опрокидывающим моментам при большом вылете стрелы или платформы.
- Используется в механизмах, работающих в непрерывном или многосменном режиме под переменными нагрузками, когда к надежности и ресурсу опоры предъявляются повышенные требования.
- Подходит для конструкций с крупным диаметром поворотного узла, где важно равномерное распределение усилий по окружности и минимизация деформаций в зоне крепления.
- Обеспечивает стабильную работу при условии регулярного обслуживания: контроля состояния смазки, затяжки крепежных болтов и износа зубчатого венца.
Сферы применения
- Тяжелые портальные и судовые краны, перегружатели и крупные подъемно‑транспортные комплексы с массивными поворотными платформами.
- Карьерные, горнодобывающие и перерабатывающие установки с длиннобазовыми стрелами, манипуляторами и крупными вращающимися агрегатами.
- Крупные поворотные столы, вращающиеся печи, барабаны, смесители и другие технологические агрегаты, где критична высокая жесткость и ресурс опорно‑поворотного узла.
- Крупное энергетическое и промышленное оборудование, для которого требуется максимально надежная опорно‑поворотная опора с большим запасом по грузоподъемности и долговечности.
Службы доставки в ПВЗ:
- СДЭК
- Boxberry
- Яндекс Доставка
- DPD
Службы доставки курьером:
- Собственная служба доставки
- СДЭК
- Достависта
Подробнее о доставке транспортными компаниями:
1. Доставка через СДЭК
СДЭК – это удобная и быстрая доставка по всей России. Вы можете выбрать один из вариантов:
- Доставка до пункта выдачи – ваш заказ будет доставлен в ближайший к вам офис СДЭК, где его можно забрать в удобное время.- Курьерская доставка – заказ привезут прямо к вам домой или в офис.
Сроки доставки зависят от региона и рассчитываются индивидуально при оформлении заказа.*
2. Доставка транспортной компанией «Деловые Линии»
Если вам требуется перевозка крупногабаритного или тяжелого груза, мы рекомендуем транспортную компанию «Деловые Линии».
- Доставка возможна в большинство населенных пунктов России.- Вы можете выбрать удобный терминал для самовывоза или заказать адресную доставку.
Стоимость рассчитывается индивидуально в зависимости от веса, габаритов и региона.*
О самовывозе со склада
Вы можете самостоятельно забрать заказ в Санкт-Петербурге по адресу:
📍 Люботинский проспект, 5
Преимущества самовывоза:
✔️ Возможность проверить товар перед получением.
✔️ Отсутствие затрат на доставку.
✔️ Гибкий график выдачи.
✔️ Возможность оплаты заказа банковской картой при получении заказа.
Перед приездом на склад обязательно уточните наличие товара у менеджера.
Доставка осуществляется в пределах территорий Российской Федерации и Республики Беларусь.
*обращаем Ваше внимание, что стоимость доставки рассчитывается согласно тарификациям транспортных компаний и курьерских служб.

