ОПУ стандартной серии с одним рядом шариков EB1.20.1094.200-1STPN TECHNIX предназначено для применения в максимально нагруженных поворотных узлах, где одновременно действуют очень высокие осевые и радиальные нагрузки и крупные опрокидывающие моменты. Наружный диаметр порядка 1198 мм при высоте 56 мм и масса около 90 кг обеспечивают предельный для ряда 20 запас грузоподъемности и жесткости, благодаря чему данный типоразмер используется в ключевых узлах тяжелого промышленного, кранового и энергетического оборудования.
Устройство и конструкция
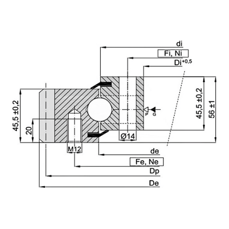
ОПУ EB1.20.1094.200-1STPN представляет собой однорядное шариковое опорно‑поворотное устройство с четырехточечным контактом шариков, расположенных между внутренним и наружным кольцом квадратного сечения. Наружное кольцо оснащено массивным зубчатым венцом с наружным зацеплением и крупным модулем, рассчитанным на передачу очень высоких крутящих моментов от приводной шестерни без потери плавности хода и точности позиционирования. Оба кольца изготавливаются из стали 45 методом ковки с последующей высокоточной механической обработкой, имеют увеличенную окружность расположения и большое количество глубоких монтажных отверстий, обеспечивающих жесткое болтовое крепление к силовым рамам и крупным поворотным платформам. Подшипник поставляется предварительно смазанным, снабжен двухсторонними уплотнениями из материала NBR и рассчитан на регулярную дозаправку смазкой через пресс‑масленки при работе в запыленной, влажной и вибронагруженной среде.
Расшифровка наименования
- EB1 – стандартная серия однорядных шариковых опорно‑поворотных устройств с наружным зубчатым венцом.
- 20 – размерный ряд, характеризующий высокий уровень грузоподъемности и унифицированную высоту опоры.
- 1094 – типоразмер с одним из максимальных наружных диаметров и числом крепежных отверстий в линейке ряда 20, предназначенный для особо тяжелых эксплуатационных условий.
- 200 – конструктивное исполнение по высоте, профилю колец и схеме крепления к сопрягаемым элементам оборудования.
- 1STPN – один ряд шариков, стандартное исполнение уплотнений и смазки, наличие внешнего зубчатого венца нормализованного профиля.
Применяемость на практике
- Используется в поворотных узлах, где требуется максимальный запас по несущей способности и устойчивости к опрокидывающим моментам при чрезвычайно большом вылете стрел, платформ и рабочих органов.
- Подходит для механизмов, работающих в непрерывном или интенсивном многосменном режиме под переменными нагрузками, когда отказ опорного узла недопустим.
- Рекомендуется для конструкций с очень крупным диаметром опорно‑поворотного узла, где важно равномерное распределение нагрузок по окружности и минимизация деформаций силового каркаса.
- Обеспечивает стабильную работу при условии строгого соблюдения регламента обслуживания: регулярной смазки, контроля момента затяжки крепежных болтов и мониторинга состояния зубчатого венца.
Сферы применения
- Крупные портальные, судовые и стационарные краны, перегружатели и подъемно‑транспортные комплексы с особо крупными поворотными платформами.
- Карьерные и горнодобывающие комплексы, сверхкрупные экскаваторы, буровые и перерабатывающие установки, где поворотные узлы работают под экстремальными нагрузками.
- Массивные поворотные столы, вращающиеся печи, реакторные, барабанные и смесительные агрегаты с большим диаметром опорно‑поворотного узла.
- Крупное энергетическое и специализированное промышленное оборудование, для которого требуется максимально надежная опорно‑поворотная опора с длительным ресурсом и высоким запасом прочности.
Службы доставки в ПВЗ:
- СДЭК
- Boxberry
- Яндекс Доставка
- DPD
Службы доставки курьером:
- Собственная служба доставки
- СДЭК
- Достависта
О самовывозе со склада
Вы можете самостоятельно забрать заказ в Санкт-Петербурге по адресу:
📍 Люботинский проспект, 5

