ОПУ стандартной серии с одним рядом шариков NB1.20.0544.200-1PPN TECHNIX - однорядное шариковое опорно‑поворотное устройство без зубчатого венца, рассчитанное на высокие осевые нагрузки и опрокидывающие моменты при умеренных радиальных нагрузках. При внутреннем диаметре 472 мм, наружном диаметре 616 мм и высоте 56 мм данный типоразмер обеспечивает заметно более высокий запас грузоподъемности и жесткости по сравнению с исполнением 0414, оставаясь при этом компактным по высоте для встройки в ограниченное монтажное пространство.
Устройство и конструкция
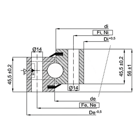
ОПУ NB1.20.0544.200-1PPN состоит из внутреннего и наружного колец квадратного сечения из стали 42CrMo4/45 с закаленными дорожками качения и одного ряда шариков четырехточечного контакта, воспринимающих осевые и радиальные нагрузки, а также опрокидывающие моменты. Между шариками установлены сепараторы из износостойкого нейлона, которые обеспечивают точное позиционирование тел качения и равномерное распределение нагрузки по окружности. Кольца не имеют зубчатого венца; по периферии выполнены глубокие монтажные отверстия под болтовое крепление к опорной раме и поворотной конструкции, что придает узлу высокую структурную жесткость. Подшипник поставляется предварительно смазанным, оснащен двухсторонними уплотнениями из NBR и допускает регламентную дозаправку смазкой через пресс‑масленки в составе механизма.
Расшифровка наименования
- NB1 – стандартная серия однорядных шариковых опорно‑поворотных устройств без зубчатого зацепления.
- 20 – размерный ряд, характеризующий диапазон грузоподъемности и унифицированную высоту опоры.
- 0544 – типоразмер с увеличенными внутренним и наружным диаметрами и числом крепежных отверстий относительно исполнений 0314 и 0414, рассчитанный на более тяжелые режимы работы.
- 200 – конструктивное исполнение по высоте, геометрии колец и расположению монтажных отверстий.
- 1PPN – один ряд шариков, нейлоновые сепараторы, стандартные радиальные уплотнения и предварительная смазка, отсутствие зубчатого венца.
Применяемость на практике
- Используется в поворотных узлах, где требуется повышенная грузоподъемность и устойчивость к опрокидывающим моментам при сохранении невысокой монтажной высоты и отсутствии встроенного зацепления.
- Подходит для механизмов с интенсивной цикличной работой, частыми пусками, остановками и реверсами при умеренных скоростях вращения.
- Рекомендуется для конструкций, в которых привод поворота реализуется через внешний венец, редуктор или фрикционный узел, а ОПУ выполняет функцию несущей опоры.
- Обеспечивает надежную работу при условии регулярной смазки, контроля момента затяжки болтового крепления и периодического осмотра состояния уплотнений и посадочных поверхностей.
Сферы применения
- Краны и подъемно‑транспортные машины среднего и тяжелого класса с внешним приводом поворота.
- Ветроэнергетические установки, поворотные мачты, опорные узлы энергетического и технологического оборудования.
- Экскаваторы, кантователи, илоскребы и другая строительная и коммунальная техника с крупными поворотными платформами без интегрированного зубчатого венца.
- Поворотные столы, позиционеры, смесители, барабанные установки и прочие технологические агрегаты, где требуются высокая жесткость опоры и надежный ресурс при условиях ограниченного монтажного пространства.
Службы доставки в ПВЗ:
- СДЭК
- Boxberry
- Яндекс Доставка
- DPD
Службы доставки курьером:
- Собственная служба доставки
- СДЭК
- Достависта
Подробнее о доставке транспортными компаниями:
1. Доставка через СДЭК
СДЭК – это удобная и быстрая доставка по всей России. Вы можете выбрать один из вариантов:
- Доставка до пункта выдачи – ваш заказ будет доставлен в ближайший к вам офис СДЭК, где его можно забрать в удобное время.- Курьерская доставка – заказ привезут прямо к вам домой или в офис.
Сроки доставки зависят от региона и рассчитываются индивидуально при оформлении заказа.*
2. Доставка транспортной компанией «Деловые Линии»
Если вам требуется перевозка крупногабаритного или тяжелого груза, мы рекомендуем транспортную компанию «Деловые Линии».
- Доставка возможна в большинство населенных пунктов России.- Вы можете выбрать удобный терминал для самовывоза или заказать адресную доставку.
Стоимость рассчитывается индивидуально в зависимости от веса, габаритов и региона.*
О самовывозе со склада
Вы можете самостоятельно забрать заказ в Санкт-Петербурге по адресу:
📍 Люботинский проспект, 5
Преимущества самовывоза:
✔️ Возможность проверить товар перед получением.
✔️ Отсутствие затрат на доставку.
✔️ Гибкий график выдачи.
✔️ Возможность оплаты заказа банковской картой при получении заказа.
Перед приездом на склад обязательно уточните наличие товара у менеджера.
Доставка осуществляется в пределах территорий Российской Федерации и Республики Беларусь.
*обращаем Ваше внимание, что стоимость доставки рассчитывается согласно тарификациям транспортных компаний и курьерских служб.

