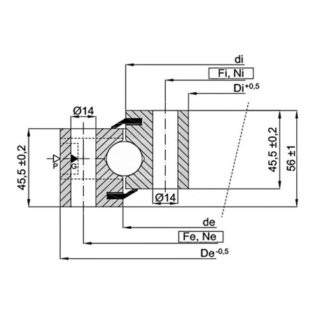
ОПУ стандартной серии с одним рядом шариков NB1.25.0755.200-1PPN TECHNIX - однорядное шариковое опорно‑поворотное устройство без зубчатого венца, рассчитанное на работу под очень высокими осевыми и радиальными нагрузками, а также крупными опрокидывающими моментами. При внутреннем диаметре 655 мм, наружном диаметре 855 мм и высоте 63 мм данный типоразмер относится к тяжелому ряду 25 и обеспечивает существенно более высокий запас грузоподъемности и жесткости по сравнению с аналогичными изделиями серии NB1 ряда 20.
Устройство и конструкция
ОПУ NB1.25.0755.200-1PPN состоит из внутреннего и наружного стальных колец, изготовленных методом ковки с последующей высокоточной механической обработкой, и одного ряда шариков четырехточечного контакта, равномерно воспринимающих осевые и радиальные нагрузки, а также опрокидывающие моменты. Шарики разделены сепараторами из нейлона, которые снижают трение между телами качения и обеспечивают стабильное распределение нагрузки по окружности при работе в любом пространственном положении. Кольца не имеют зубчатого венца; по их окружности выполнено по 24 глубоких монтажных отверстия, что позволяет надежно закрепить подшипник на силовой раме и поворотной платформе болтовым соединением. Устройство выполнено из стали марки 45, поставляется предварительно смазанным, оснащено верхними и нижними уплотнениями из NBR и рассчитано на регламентное обновление смазки через пресс‑масленки.
Расшифровка наименования
- NB1 – стандартная серия однорядных шариковых опорно‑поворотных устройств без зубчатого зацепления.
- 25 – размерный ряд с повышенной несущей способностью и увеличенной высотой по сравнению с рядом 20.
- 0755 – типоразмер, задающий сочетание внутреннего и наружного диаметров, количество крепежных отверстий и геометрию колец для крупногабаритных поворотных узлов.
- 200 – конструктивное исполнение по высоте, профилю колец и схеме размещения монтажных отверстий.
- 1PPN – один ряд шариков, сепараторы из нейлона, стандартные двухсторонние уплотнения и предварительная смазка, отсутствие зубчатого венца.
Применяемость на практике
- Используется в тяжелонагруженных поворотных узлах, где требуется значительный запас грузоподъемности и устойчивости к опрокидывающим моментам при отсутствии встроенного зацепления.
- Подходит для механизмов, работающих в многосменном или непрерывном режиме под переменными нагрузками и частыми циклами пуска, останова и реверса.
- Рекомендуется для конструкций, в которых привод поворота реализуется через внешний зубчатый венец, фрикционный узел или редуктор, а ОПУ выполняет несущую и направляющую функции.
- Обеспечивает надежную длительную работу при условии регулярной смазки, контроля момента затяжки крепежных болтов и периодического контроля состояния уплотнений и посадочных поверхностей.
Сферы применения
- Тяжелые портальные, строительные и судовые краны, перегружатели и подъемно‑транспортные комплексы с крупными поворотными платформами.
- Карьерная и горнодобывающая техника, экскаваторы, буровые и перерабатывающие установки с мощными поворотными механизмами.
- Крупные поворотные столы, кантователи, смесители и барабанные агрегаты, где требуется высокая жесткость опоры и длительный ресурс в тяжелых режимах работы.
- Энергетическое и специализированное промышленное оборудование, для которого критичны надежность, ресурс и устойчивость опорно‑поворотного узла к экстремальным нагрузкам.
Службы доставки в ПВЗ:
- СДЭК
- Boxberry
- Яндекс Доставка
- DPD
Службы доставки курьером:
- Собственная служба доставки
- СДЭК
- Достависта
Подробнее о доставке транспортными компаниями:
1. Доставка через СДЭК
СДЭК – это удобная и быстрая доставка по всей России. Вы можете выбрать один из вариантов:
- Доставка до пункта выдачи – ваш заказ будет доставлен в ближайший к вам офис СДЭК, где его можно забрать в удобное время.- Курьерская доставка – заказ привезут прямо к вам домой или в офис.
Сроки доставки зависят от региона и рассчитываются индивидуально при оформлении заказа.*
2. Доставка транспортной компанией «Деловые Линии»
Если вам требуется перевозка крупногабаритного или тяжелого груза, мы рекомендуем транспортную компанию «Деловые Линии».
- Доставка возможна в большинство населенных пунктов России.- Вы можете выбрать удобный терминал для самовывоза или заказать адресную доставку.
Стоимость рассчитывается индивидуально в зависимости от веса, габаритов и региона.*
О самовывозе со склада
Вы можете самостоятельно забрать заказ в Санкт-Петербурге по адресу:
📍 Люботинский проспект, 5
Преимущества самовывоза:
✔️ Возможность проверить товар перед получением.
✔️ Отсутствие затрат на доставку.
✔️ Гибкий график выдачи.
✔️ Возможность оплаты заказа банковской картой при получении заказа.
Перед приездом на склад обязательно уточните наличие товара у менеджера.
Доставка осуществляется в пределах территорий Российской Федерации и Республики Беларусь.
*обращаем Ваше внимание, что стоимость доставки рассчитывается согласно тарификациям транспортных компаний и курьерских служб.

