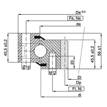
ОПУ стандартной серии с одним рядом шариков ZB1.20.0844.200-1SPTN TECHNIX - однорядное шариковое опорно‑поворотное устройство с внутренним зубчатым венцом, рассчитанное на работу под очень высокими осевыми и радиальными нагрузками и крупными опрокидывающими моментами. При внутреннем диаметре 736 мм, наружном диаметре 916 мм и высоте 56 мм данный типоразмер относится к одним из крупнейших в серии ZB1 и применяется в особо нагруженных поворотных узлах тяжелого оборудования.
Устройство и конструкция
ОПУ ZB1.20.0844.200-1SPTN состоит из внутреннего и наружного стальных колец квадратного сечения с индукционно закаленными дорожками качения и одного ряда шариков четырехточечного контакта, обеспечивающих устойчивое восприятие комбинированных нагрузок по всей окружности. На внутреннем кольце выполнен зубчатый венец внутреннего зацепления, который служит для передачи крутящего момента от приводной шестерни при компактном размещении редуктора внутри контура опоры и дополнительной защите зубьев от загрязнений и механических воздействий. Шарики разделены литым полимерным сепаратором, уменьшающим трение и обеспечивающим высокую точность вращения; по окружности обоих колец предусмотрены монтажные отверстия под болтовое крепление к силовой раме и поворотной платформе. Подшипник изготовлен из стали марки 45, поставляется предварительно смазанным, оснащен двухсторонними уплотнениями и рассчитан на регламентное обновление смазки через пресс‑масленки.
Расшифровка наименования
- ZB1 – стандартная серия однорядных шариковых опорно‑поворотных устройств с внутренним зубчатым венцом.
- 20 – размерный ряд, определяющий диапазон грузоподъемности и унифицированную высоту опоры.
- 0844 – типоразмер с крупными внутренним и наружным диаметрами и увеличенным количеством крепежных отверстий по сравнению с меньшими исполнениями, рассчитанный на самые тяжелые режимы работы в пределах ряда 20.
- 200 – конструктивное исполнение по высоте, геометрии колец и схеме размещения монтажных отверстий.
- 1SPTN – один ряд шариков, литой полимерный сепаратор, стандартные уплотнения и смазка, наличие внутреннего зубчатого венца.
Применяемость на практике
- Используется в поворотных узлах с большим диаметром опоры, где требуется максимальный для серии ZB1 запас грузоподъемности и устойчивости к опрокидывающим моментам при передаче крутящего момента через внутреннее зацепление.
- Подходит для механизмов, работающих в непрерывном или многосменном режиме под переменными нагрузками и частыми циклами пуска, останова и реверса.
- Рекомендуется для конструкций, где важно компактное и защищенное размещение редуктора внутри контура опоры, снижение шумности и риска повреждения зубчатого венца внешними воздействиями.
- Обеспечивает длительный ресурс при условии регулярной смазки, контроля момента затяжки крепежных болтов и периодического осмотра состояния внутреннего зацепления и уплотнений.
Сферы применения
- Тяжелые портальные, строительные и судовые краны, перегружатели и подъемно‑транспортные комплексы с крупными поворотными платформами и приводом по внутреннему зацеплению.
- Ветроэнергетические установки большого диаметра, опорные узлы энергетического и технологического оборудования, где редуктор поворота интегрирован внутрь опоры.
- Карьерная, горнодобывающая и перерабатывающая техника, экскаваторы, кантователи и другие машины, где опорно‑поворотный узел испытывает высокие комбинированные нагрузки и требует защищенного привода.
- Крупные поворотные столы, позиционеры, смесители, барабанные и реакторные установки, в которых критичны высокая жесткость опоры, точность позиционирования и длительный ресурс в тяжелых условиях эксплуатации.
Службы доставки в ПВЗ:
- СДЭК
- Boxberry
- Яндекс Доставка
- DPD
Службы доставки курьером:
- Собственная служба доставки
- СДЭК
- Достависта
Подробнее о доставке транспортными компаниями:
1. Доставка через СДЭК
СДЭК – это удобная и быстрая доставка по всей России. Вы можете выбрать один из вариантов:
- Доставка до пункта выдачи – ваш заказ будет доставлен в ближайший к вам офис СДЭК, где его можно забрать в удобное время.- Курьерская доставка – заказ привезут прямо к вам домой или в офис.
Сроки доставки зависят от региона и рассчитываются индивидуально при оформлении заказа.*
2. Доставка транспортной компанией «Деловые Линии»
Если вам требуется перевозка крупногабаритного или тяжелого груза, мы рекомендуем транспортную компанию «Деловые Линии».
- Доставка возможна в большинство населенных пунктов России.- Вы можете выбрать удобный терминал для самовывоза или заказать адресную доставку.
Стоимость рассчитывается индивидуально в зависимости от веса, габаритов и региона.*
О самовывозе со склада
Вы можете самостоятельно забрать заказ в Санкт-Петербурге по адресу:
📍 Люботинский проспект, 5
Преимущества самовывоза:
✔️ Возможность проверить товар перед получением.
✔️ Отсутствие затрат на доставку.
✔️ Гибкий график выдачи.
✔️ Возможность оплаты заказа банковской картой при получении заказа.
Перед приездом на склад обязательно уточните наличие товара у менеджера.
Доставка осуществляется в пределах территорий Российской Федерации и Республики Беларусь.
*обращаем Ваше внимание, что стоимость доставки рассчитывается согласно тарификациям транспортных компаний и курьерских служб.

