ОПУ стандартной серии с одним рядом шариков ZB1.20.0944.200-1SPTN TECHNIX - однорядное шариковое опорно‑поворотное устройство с внутренним зубчатым венцом, предназначенное для работы под очень высокими осевыми и радиальными нагрузками и значительными опрокидывающими моментами. При внутреннем диаметре порядка 840 мм, наружном диаметре около 1046 мм и высоте 56 мм данный типоразмер относится к одним из наиболее грузоподъемных исполнений ряда 20 и применяется в особо ответственных поворотных узлах тяжелого оборудования.
Устройство и конструкция
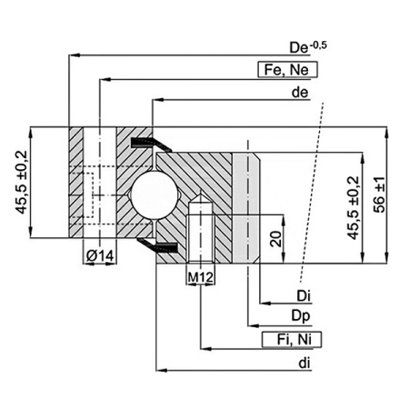
ОПУ ZB1.20.0944.200-1SPTN состоит из внутреннего и наружного стальных колец квадратного сечения с индукционно закаленными дорожками качения и одного ряда шариков четырехточечного контакта, равномерно воспринимающих комбинированные нагрузки по окружности. На внутреннем кольце выполнен зубчатый венец внутреннего зацепления, который обеспечивает передачу высокого крутящего момента от приводной шестерни при компактном размещении редуктора внутри контура опоры и защите зубьев от внешних загрязнений и механических повреждений. Шарики разделены литым полимерным сепаратором, что снижает трение и повышает точность вращения; по окружности обоих колец предусмотрены монтажные отверстия под болтовое крепление к силовой раме и поворотной платформе. Подшипник изготовлен из стали марки 45, поставляется предварительно смазанным, оснащен двухсторонними уплотнениями и рассчитан на регламентную дозаправку смазкой через пресс‑масленки.
Расшифровка наименования
- ZB1 – стандартная серия однорядных шариковых опорно‑поворотных устройств с внутренним зубчатым венцом.
- 20 – размерный ряд, определяющий диапазон грузоподъемности и унифицированную высоту опоры.
- 0944 – типоразмер с одним из максимальных внутренних и наружных диаметров и увеличенным количеством крепежных отверстий в линейке ряда 20, предназначенный для самых тяжелых условий эксплуатации.
- 200 – конструктивное исполнение по высоте, геометрии колец и схеме размещения монтажных отверстий.
- 1SPTN – один ряд шариков, литой полимерный сепаратор, стандартные уплотнения и смазка, наличие внутреннего зубчатого венца.
Применяемость на практике
- Используется в поворотных узлах с крупным диаметром опоры, где требуется максимальный запас грузоподъемности и устойчивости к опрокидывающим моментам при передаче крутящего момента через внутренний зубчатый венец.
- Подходит для механизмов, работающих в непрерывном или интенсивном многосменном режиме под переменными нагрузками и частыми циклами пуска, останова и реверса.
- Рекомендуется для конструкций, где важно компактное и защищенное размещение редуктора внутри контура опоры, снижение шумности и риска повреждения зубчатого зацепления внешними факторами.
- Обеспечивает надежную долговременную работу при условии регулярной смазки, контроля момента затяжки крепежных болтов и периодического осмотра состояния внутреннего зацепления и уплотнений.
Сферы применения
- Тяжелые портальные, строительные и судовые краны, перегружатели и подъемно‑транспортные комплексы с особо крупными поворотными платформами и приводом по внутреннему зацеплению.
- Крупные ветроэнергетические установки, опорные узлы энергетического и технологического оборудования, где редуктор поворота интегрирован внутрь опоры.
- Карьерная, горнодобывающая и перерабатывающая техника, экскаваторы, кантователи и другие машины, в которых опорно‑поворотный узел испытывает экстремальные комбинированные нагрузки и требует защищенного привода.
- Крупные поворотные столы, позиционеры, смесители, барабанные и реакторные установки, критичные к жесткости опоры, точности позиционирования и ресурсу работы в тяжелых условиях эксплуатации.
Службы доставки в ПВЗ:
- СДЭК
- Boxberry
- Яндекс Доставка
- DPD
Службы доставки курьером:
- Собственная служба доставки
- СДЭК
- Достависта
О самовывозе со склада
Вы можете самостоятельно забрать заказ в Санкт-Петербурге по адресу:
📍 Люботинский проспект, 5

