TECHNIX (Техникс)
ПРОИЗВОДИТЕЛЬ
ПРОМЫШЛЕННЫХ
КОМПЛЕКТУЮЩИХ
Режим работы:
ПН-ПТ 8:00-17:00
Каталог
Системы линейного перемещения
Каретки
Гофрозащита для рельсовых направляющих
Картриджи
Уплотнения и скребки
Линейные направляющие
Линейные подшипники
Линейные подшипники в сборе с корпусом
Линейные подшипники без корпуса
Валы
Валы с опорой
Валы без опоры
Опоры
Трапецеидальные гайки и винты
Винты трапецеидальные
Гайки трапецеидальные
ШВП
Винты ШВП
Гайки ШВП
Держатели для гаек
Опоры ШВП
Зубчатые рейки
Зубчатые колеса
Зубчатые колеса без ступицы
Зубчатые колеса со ступицей
Зубчатые колеса со ступицей с калеными зубьями
Звездочки
Двойные звездочки для однорядных цепей
Звездочки без ступицы под расточку
Звездочки под втулку тапербуш
Звездочки с калеными зубьями со ступицей
Звездочки со ступицей под расточку
Звездочки специального стандарта
Чугунные звездочки под втулку тапербуш
Чугунные звездочки под расточку
Звездочки-натяжители цепи
Шкивы
Шкивы зубчатые под втулку тапербуш
Шкивы клиновые под втулку тапербуш
Шкивы клиновые под расточку
Шкивы зубчатые под расточку
Подшипники
Подшипниковые узлы
Корпусные подшипники
Разъемные корпуса и комплектующие
Крышки
Уплотнения
Упорные кольца
Разъемные корпуса
Шариковые подшипники
Шарнирные наконечники
Закрепительные втулки
Шариковые опоры
Роликовые подшипники
Втулки скольжения
Втулки скольжения с бронзовым покрытием
Втулки скольжения с бронзово-графитовым покрытием
Втулки скольжения спеченые бронзовые
Опорные ролики
Опорно-поворотные устройства (ОПУ)
ОПУ стандартные
ОПУ фланцевые
ОПУ с червячным приводом
Высокотемпературные подшипники
Низкотемпературные подшипники
Подшипники скольжения
Подшипники из нержавеющей стали
Соединительные муфты
Виброгасящие муфты
Жесткие муфты
Сильфонные муфты
Спиральные муфты
Втулки
Втулки тапербуш
Зажимные втулки
Элементы соединения
Камлоки
Смазки
Ступицы AGRO RIDER
Ступицы для дисковых борон
Ступицы для посевной техники
Подшипниковые узлы AGRO RIDER
Подшипниковые узлы в стальном корпусе
Партнёрам
О компании
Партнерская программа
Найти Дистрибьютора
Отраслевые решения
Каталоги
О покупке
Статьи
Каталоги PDF
Общая информация
Контакты
Реквизиты
Пользовательское соглашение
Новости
Статьи
Применение продукции
Помощь
Реквизиты
Новости
Задать вопрос
+7 (812) 490-76-68
Заказать звонок
Задать вопрос
Войти
  • Корзина0
  • Избранные товары0
Ваш город
Санкт-Петербург
zakaz@technix-rus.ru
196105, г. Санкт-Петербург, Люботинский проспект, д. 5
  • Вконтакте
  • Telegram
  • Яндекс.Дзен
Ваш город
Санкт-Петербург
  • 🗲 Акции
  • Реквизиты
  • Контакты
  • О нас
  • База знаний
  • Калькуляторы
  • Оплата и доставка
  • Каталоги PDF
  • Мехобработка
  • ...
    • Яндекс.Дзен
    +7 (812) 490-76-68
    zakaz@technix-rus.ru
    Заказать звонок
    Скопировать адрес
    Войти
    TECHNIX (Техникс)
    Каталог
    Системы линейного перемещения
    Трапецеидальные гайки и винты
    ШВП
    Зубчатые рейки
    Зубчатые колеса
    Звездочки
    Шкивы
    Подшипники
    Соединительные муфты
    Втулки
    Элементы соединения
    Смазки
    Ступицы AGRO RIDER
    Подшипниковые узлы AGRO RIDER
      • Каретки
        Каретки
        • Гофрозащита для рельсовых направляющих
        • Картриджи
        • Уплотнения и скребки
      • Линейные направляющие
        Линейные направляющие
      • Линейные подшипники
        Линейные подшипники
        • Линейные подшипники в сборе с корпусом
        • Линейные подшипники без корпуса
      • Валы
        Валы
        • Валы с опорой
        • Валы без опоры
      • Опоры
        Опоры
      • Винты трапецеидальные
        Винты трапецеидальные
      • Гайки трапецеидальные
        Гайки трапецеидальные
      • Винты ШВП
        Винты ШВП
      • Гайки ШВП
        Гайки ШВП
      • Держатели для гаек
        Держатели для гаек
      • Опоры ШВП
        Опоры ШВП
      • Зубчатые колеса без ступицы
        Зубчатые колеса без ступицы
      • Зубчатые колеса со ступицей
        Зубчатые колеса со ступицей
      • Зубчатые колеса со ступицей с калеными зубьями
        Зубчатые колеса со ступицей с калеными зубьями
      • Двойные звездочки для однорядных цепей
        Двойные звездочки для однорядных цепей
      • Звездочки без ступицы под расточку
        Звездочки без ступицы под расточку
      • Звездочки под втулку тапербуш
        Звездочки под втулку тапербуш
      • Звездочки с калеными зубьями со ступицей
        Звездочки с калеными зубьями со ступицей
      • Звездочки со ступицей под расточку
        Звездочки со ступицей под расточку
      • Звездочки специального стандарта
        Звездочки специального стандарта
      • Чугунные звездочки под втулку тапербуш
        Чугунные звездочки под втулку тапербуш
      • Чугунные звездочки под расточку
        Чугунные звездочки под расточку
      • Звездочки-натяжители цепи
        Звездочки-натяжители цепи
      • Шкивы зубчатые под втулку тапербуш
        Шкивы зубчатые под втулку тапербуш
      • Шкивы клиновые под втулку тапербуш
        Шкивы клиновые под втулку тапербуш
      • Шкивы клиновые под расточку
        Шкивы клиновые под расточку
      • Шкивы зубчатые под расточку
        Шкивы зубчатые под расточку
      • Подшипниковые узлы
        Подшипниковые узлы
      • Корпусные подшипники
        Корпусные подшипники
      • Разъемные корпуса и комплектующие
        Разъемные корпуса и комплектующие
        • Крышки
        • Уплотнения
        • Упорные кольца
        • Разъемные корпуса
      • Шариковые подшипники
        Шариковые подшипники
      • Шарнирные наконечники
        Шарнирные наконечники
      • Закрепительные втулки
        Закрепительные втулки
      • Шариковые опоры
        Шариковые опоры
      • Роликовые подшипники
        Роликовые подшипники
      • Втулки скольжения
        Втулки скольжения
        • Втулки скольжения с бронзовым покрытием
        • Втулки скольжения с бронзово-графитовым покрытием
        • Втулки скольжения спеченые бронзовые
      • Опорные ролики
        Опорные ролики
      • Опорно-поворотные устройства (ОПУ)
        Опорно-поворотные устройства (ОПУ)
        • ОПУ стандартные
        • ОПУ фланцевые
        • ОПУ с червячным приводом
      • Высокотемпературные подшипники
        Высокотемпературные подшипники
      • Низкотемпературные подшипники
        Низкотемпературные подшипники
      • Подшипники скольжения
        Подшипники скольжения
      • Подшипники из нержавеющей стали
        Подшипники из нержавеющей стали
      • Виброгасящие муфты
        Виброгасящие муфты
      • Жесткие муфты
        Жесткие муфты
      • Сильфонные муфты
        Сильфонные муфты
      • Спиральные муфты
        Спиральные муфты
      • Втулки тапербуш
        Втулки тапербуш
      • Зажимные втулки
        Зажимные втулки
      • Камлоки
        Камлоки
      • Ступицы для дисковых борон
      • Ступицы для посевной техники
        Ступицы для посевной техники
      • Подшипниковые узлы в стальном корпусе
        Подшипниковые узлы в стальном корпусе
    Избранные товары 0
    Корзина 0
    TECHNIX (Техникс)
    Ваш город
    Санкт-Петербург
    +7 (812) 490-76-68
    zakaz@technix-rus.ru
    Заказать звонок
    Скопировать адрес
    Избранные товары 0 Корзина 0
    TECHNIX (Техникс)
    Избранные товары 0 Корзина 0
    Телефоны
    +7 (812) 490-76-68
    Заказать звонок
    • Каталог
      • Назад
      • Каталог
      • Системы линейного перемещения
        • Назад
        • Системы линейного перемещения
        • Каретки
          • Назад
          • Каретки
          • Гофрозащита для рельсовых направляющих
          • Картриджи
          • Уплотнения и скребки
        • Линейные направляющие
        • Линейные подшипники
          • Назад
          • Линейные подшипники
          • Линейные подшипники в сборе с корпусом
          • Линейные подшипники без корпуса
        • Валы
          • Назад
          • Валы
          • Валы с опорой
          • Валы без опоры
        • Опоры
      • Трапецеидальные гайки и винты
        • Назад
        • Трапецеидальные гайки и винты
        • Винты трапецеидальные
        • Гайки трапецеидальные
      • ШВП
        • Назад
        • ШВП
        • Винты ШВП
        • Гайки ШВП
        • Держатели для гаек
        • Опоры ШВП
      • Зубчатые рейки
      • Зубчатые колеса
        • Назад
        • Зубчатые колеса
        • Зубчатые колеса без ступицы
        • Зубчатые колеса со ступицей
        • Зубчатые колеса со ступицей с калеными зубьями
      • Звездочки
        • Назад
        • Звездочки
        • Двойные звездочки для однорядных цепей
        • Звездочки без ступицы под расточку
        • Звездочки под втулку тапербуш
        • Звездочки с калеными зубьями со ступицей
        • Звездочки со ступицей под расточку
        • Звездочки специального стандарта
        • Чугунные звездочки под втулку тапербуш
        • Чугунные звездочки под расточку
        • Звездочки-натяжители цепи
      • Шкивы
        • Назад
        • Шкивы
        • Шкивы зубчатые под втулку тапербуш
        • Шкивы клиновые под втулку тапербуш
        • Шкивы клиновые под расточку
        • Шкивы зубчатые под расточку
      • Подшипники
        • Назад
        • Подшипники
        • Подшипниковые узлы
        • Корпусные подшипники
        • Разъемные корпуса и комплектующие
          • Назад
          • Разъемные корпуса и комплектующие
          • Крышки
          • Уплотнения
          • Упорные кольца
          • Разъемные корпуса
        • Шариковые подшипники
        • Шарнирные наконечники
        • Закрепительные втулки
        • Шариковые опоры
        • Роликовые подшипники
        • Втулки скольжения
          • Назад
          • Втулки скольжения
          • Втулки скольжения с бронзовым покрытием
          • Втулки скольжения с бронзово-графитовым покрытием
          • Втулки скольжения спеченые бронзовые
        • Опорные ролики
        • Опорно-поворотные устройства (ОПУ)
          • Назад
          • Опорно-поворотные устройства (ОПУ)
          • ОПУ стандартные
          • ОПУ фланцевые
          • ОПУ с червячным приводом
        • Высокотемпературные подшипники
        • Низкотемпературные подшипники
        • Подшипники скольжения
        • Подшипники из нержавеющей стали
      • Соединительные муфты
        • Назад
        • Соединительные муфты
        • Виброгасящие муфты
        • Жесткие муфты
        • Сильфонные муфты
        • Спиральные муфты
      • Втулки
        • Назад
        • Втулки
        • Втулки тапербуш
        • Зажимные втулки
      • Элементы соединения
        • Назад
        • Элементы соединения
        • Камлоки
      • Смазки
      • Ступицы AGRO RIDER
        • Назад
        • Ступицы AGRO RIDER
        • Ступицы для дисковых борон
        • Ступицы для посевной техники
      • Подшипниковые узлы AGRO RIDER
        • Назад
        • Подшипниковые узлы AGRO RIDER
        • Подшипниковые узлы в стальном корпусе
    • Партнёрам
      • Назад
      • Партнёрам
      • О компании
      • Партнерская программа
      • Найти Дистрибьютора
      • Отраслевые решения
      • Каталоги
    • О покупке
    • Статьи
    • Каталоги PDF
    • Общая информация
      • Назад
      • Общая информация
      • Контакты
      • Реквизиты
      • Пользовательское соглашение
      • Новости
      • Статьи
      • Применение продукции
      • Помощь
    • Реквизиты
    • Новости
    • Задать вопрос
    • Санкт-Петербург
      • Назад
    • Личный кабинет
    • Корзина0
    • Избранные товары0
    • +7 (812) 490-76-68
    Контактная информация
    196105, г. Санкт-Петербург, Люботинский проспект, д. 5
    zakaz@technix-rus.ru
    • Вконтакте
    • Telegram
    • Яндекс.Дзен

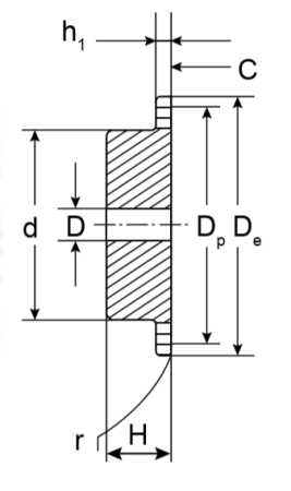
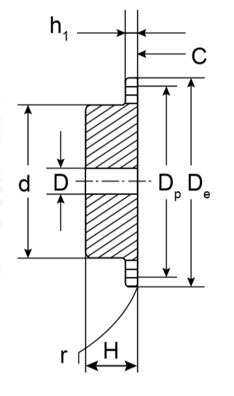
    Звездочка со ступицей под расточку для цепи 10B-1, z=15, 5/8" x 3/8" PS10015 (PHS 10B-1B15) в Санкт-Петербурге

    Главная
    —
    Каталог
    —
    Звездочки
    —
    Звездочки со ступицей под расточку
    —Звездочка со ступицей под расточку для цепи 10B-1, z=15, 5/8" x 3/8" PS10015 (PHS 10B-1B15) TECHNIX
    Звездочка со ступицей под расточку для цепи 10B-1, z=15, 5/8" x 3/8" PS10015 (PHS 10B-1B15) TECHNIX
    Звездочка со ступицей под расточку для цепи 10B-1, z=15, 5/8" x 3/8" PS10015 (PHS 10B-1B15) TECHNIX
    Звездочка со ступицей под расточку для цепи 10B-1, z=15, 5/8" x 3/8" PS10015 (PHS 10B-1B15) TECHNIX
    Звездочка со ступицей под расточку для цепи 10B-1, z=15, 5/8" x 3/8" PS10015 (PHS 10B-1B15) TECHNIX
    В избранное
    Артикул: PS10015
    TECHNIX
    Характеристики
    Серия
    —
    PS
    Производитель
    —
    TECHNIX
    555 руб.
    /шт
    Есть в наличии: 640
    В корзинуПерейти в корзину
    Заказать счет Счет
    Запросить консультацию по подбору Консультация
    Рассчитать доставку
    • Описание
    • Наличие
    • Доставка
    Звездочка со ступицей под расточку PS10015 (PHS 10B-1B15) выполнена из высококачественной стали. В центре имеется черновое отверстие. Подстраивается под любой механизм, без люфтов и погрешностей, благодаря возможности расточки отверстия до нужного диаметра, с формированием шпоночного паза, а также созданием шлицевой посадки. Используется в различных производственных агрегатах и механизмах, а также в оборудовании строительного назначения, в агропромышленном инструментарии, на транспорте.

    Службы доставки в ПВЗ:

    • СДЭК
    • Boxberry
    • Яндекс Доставка
    • DPD

    Службы доставки курьером:

    • Собственная служба доставки
    • СДЭК
    • Достависта

    Подробнее о доставке транспортными компаниями:

    1. Доставка через СДЭК

    СДЭК – это удобная и быстрая доставка по всей России. Вы можете выбрать один из вариантов:

    - Доставка до пункта выдачи – ваш заказ будет доставлен в ближайший к вам офис СДЭК, где его можно забрать в удобное время.
    - Курьерская доставка – заказ привезут прямо к вам домой или в офис.

    Сроки доставки зависят от региона и рассчитываются индивидуально при оформлении заказа.*

    2. Доставка транспортной компанией «Деловые Линии»

    Если вам требуется перевозка крупногабаритного или тяжелого груза, мы рекомендуем транспортную компанию «Деловые Линии».

    - Доставка возможна в большинство населенных пунктов России.
    - Вы можете выбрать удобный терминал для самовывоза или заказать адресную доставку.

    Стоимость рассчитывается индивидуально в зависимости от веса, габаритов и региона.*

    О самовывозе со склада

    Вы можете самостоятельно забрать заказ в Санкт-Петербурге по адресу:
    📍 Люботинский проспект, 5

    Преимущества самовывоза:
    ✔️ Возможность проверить товар перед получением.
    ✔️ Отсутствие затрат на доставку.
    ✔️ Гибкий график выдачи.
    ✔️ Возможность оплаты заказа банковской картой при получении заказа.

    Перед приездом на склад обязательно уточните наличие товара у менеджера.

    Доставка осуществляется в пределах территорий Российской Федерации и Республики Беларусь.

    *обращаем Ваше внимание, что стоимость доставки рассчитывается согласно тарификациям транспортных компаний и курьерских служб.


    Расточка отверстия в Санкт-Петербурге
    В корзинуВ корзине
    1 000 руб.
    Варианты цен
    1 000 руб.
    Подробности
    Индивидуальная мехобработка изделия в Санкт-Петербурге
    В корзинуВ корзине
    2 500 руб.
    Варианты цен
    2 500 руб.
    Подробности
    TECHNIX
    TECHNIX — это динамично развивающийся бренд, специализирующийся на поставке и продаже высококачественных комплектующих для промышленности, машиностроения и автоматизации. Продукция компании соответствует строгим требованиям ГОСТ и международных стандартов, что гарантирует её надежность, долговечность и эффективность в самых сложных эксплуатационных условиях.

    Нужна консультация?

    Наши специалисты ответят на любой интересующий вопрос
    Задать вопрос
    Будьте в курсе наших предложений и новостей
    МЕНЮ
    О компании
    Каталоги
    Партнерская программа
    Найти дистрибьютора
    Оплата и доставка
    Гарантия и возврат
    База знаний
    Новости
    Проекты
    Реквизиты
    Контакты
    Карта сайта
    Вопрос - ответ
    Вакансии
    Соглашение на обработку персональных данных
    Специальная оценка условий труда (СОУТ)
    Продукция
    Системы линейного перемещения
    Трапецеидальные гайки и винты
    ШВП
    Зубчатые рейки
    Зубчатые колеса
    Звездочки
    Шкивы
    Подшипники
    Соединительные муфты
    Втулки
    Элементы соединения
    Смазки
    Ступицы AGRO RIDER
    Подшипниковые узлы AGRO RIDER
    ОТРАСЛЕВЫЕ РЕШЕНИЯ
    Легкая промышленность
    Деревообрабатывающая и целлюлозно-бумажная промышленность
    Горнодобывающая промышленность и производство стройматериалов
    Сельское хозяйство
    Пищевая промышленность
    Машиностроение и металлообработка
    +7 (812) 490-76-68
    Заказать звонок
    zakaz@technix-rus.ru
    196105, г. Санкт-Петербург, Люботинский проспект, д. 5
    • Вконтакте
    • Telegram
    • Яндекс.Дзен
    2019 – 2026 © TECHNIX JSC (АО "Техникс")

    Вся информация, предоставленная на сайте связанная с описанием технических параметров, наличием и ценой продукции - предназначена исключительно для ознакомления и не являются официальным предложением о заключении договора в соответствии с пунктом 2 статьи 437 Гражданского кодекса Российской Федерации. Чтобы получить более подробную информацию о товарах, их стоимости и условиях доставки, пожалуйста, свяжитесь с нами через форму обратной связи или по указанным контактным данным.