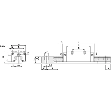
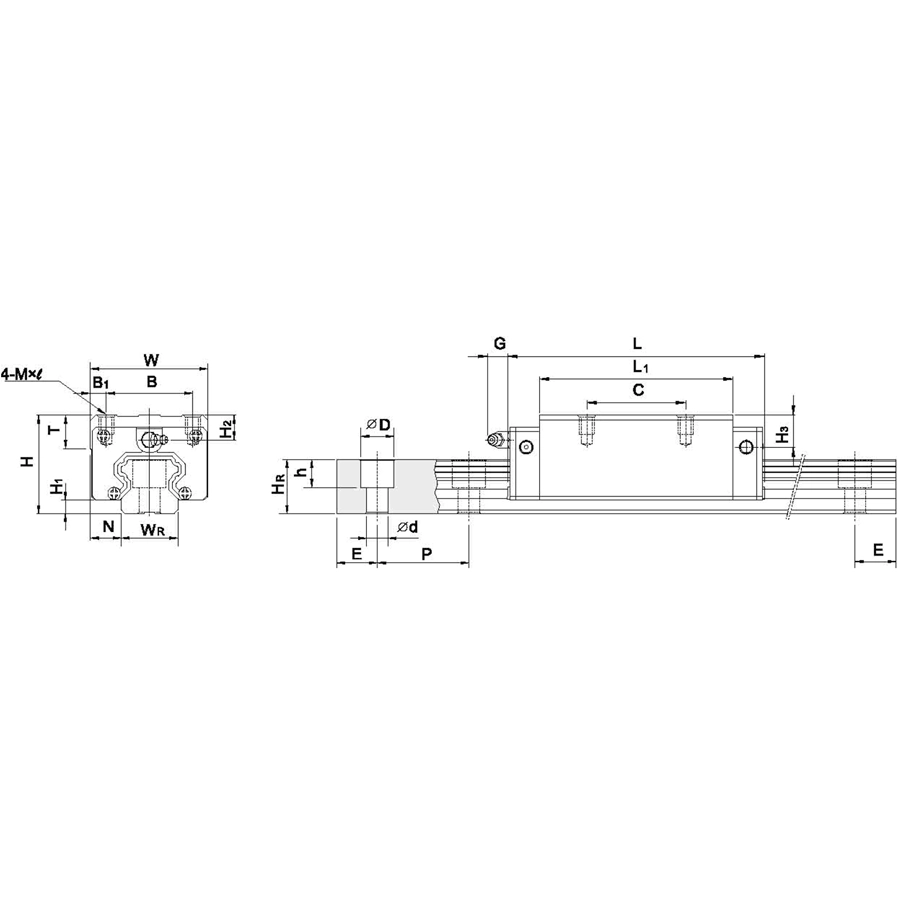
Линейная каретка HGL30CAZAH TECHNIX — низкопрофильный блок направляющей для промышленных систем
HGL30CAZAH TECHNIX — это HGL каретка серии HG от TECHNIX, предназначенная для направляющих шириной 30 мм. Низкопрофильный корпус (l) обеспечивает повышенную жёсткость и устойчивость к нагрузкам. Модель рассчитана на тяжёлую нагрузку, а её конструкция с четырьмя рядами шариков под углом 45° гарантирует равномерное распределение усилий и плавный ход.
Каретка крепится сверху, преднатяг — ZA, высокий класс точности. Корпус выполнен из закалённой стали с прецизионной шлифовкой направляющих поверхностей, а смазочные каналы позволяют легко обслуживать блок без демонтажа.
Использование линейной каретки HGL30CAZAH TECHNIX повышает точность позиционирования, снижает износ направляющих и продлевает срок службы оборудования. Каретка полностью совместима с рельсами TECHNIX соответствующего профиля и является полным аналогом продукции Hiwin, что позволяет заменить существующую систему без дополнительных доработок.
Модель подходит для ЧПУ-станков, портальных машин, автоматизированных линий, фрезерных установок, а также других промышленных механизмов, где важны надёжность, высокая нагрузочная способность и долговечность. Купить линейную каретку этой модели — значит обеспечить стабильную и точную работу производственных процессов.
Расшифровка артикула HGL30CAZAHTECHNIX:
HG — серия направляющих;
L — тип корпуса (низкопрофильный);
30 — типоразмер, ширина направляющей;
C — тяжёлая нагрузка;
A — крепление сверху;
ZA — преднатяг среднего класса;
H — класс точности высокий.
Применение кареток серии HG:
- станки с числовым программным управлением (ЧПУ);
- роботизированные системы и манипуляторы;
- автоматизированные сборочные линии;
- оборудование для обработки материалов (металлообработка, деревообработка);
- лазерные и плазменные режущие станки;
- медицинское оборудование, где требуется высокая точность позиционирования.
Технические характеристики:
- Номинальные нагрузки (динамические/статические): от 12,3 до 208,8 кН в зависимости от модели.
- Скорость перемещения: до 10 м/с.
- Температурный диапазон эксплуатации: от -10°C до +80°C (с возможностью адаптации до -58°C при специальном заказе).
- Материал направляющих: высокоуглеродистая сталь с термообработкой.
- Тип смазки: многоразовая, с возможностью подводки смазочного материала через отверстия в корпусе каретки.
Службы доставки в ПВЗ:
- СДЭК
- Boxberry
- Яндекс Доставка
- DPD
Службы доставки курьером:
- Собственная служба доставки
- СДЭК
- Достависта
О самовывозе со склада
Вы можете самостоятельно забрать заказ в Санкт-Петербурге по адресу:
📍 Люботинский проспект, 5

