<ul id="nav_technix_content"></ul>
Опорные ролики являются важной частью многих механизмов, которые используются в различных отраслях промышленности. Они играют ключевую роль в обеспечении плавного движения и устойчивости механизма. И тут важно учитывать правильное техническое обслуживание механизмов, которые могут выйти из строя из-за отсутствия смазки и регулярного ухода.
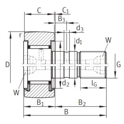
Опорный ролик представляет собой подшипниковый элемент с утолщенной наружной частью. Такие изделия устанавливаются в направляющих механизмах и конвейерных линиях для облегчения линейного перемещения объектов. В отличие от обычных подшипников, они используются как самостоятельные детали, а не монтируются в посадочное гнездо.
Особенности конструкции
Изделие состоит из двух колец внешнего и внутреннего. Между ними находятся игольчатые, роликовые или двухрядные шариковые элементы, с помощью которых катится толстостенное наружное кольцо. Конструкция устойчива к вибрации, ударным и динамическим нагрузкам. Поверхность обката имеет плоскую или выпуклую форму, иногда снабжается выемкой для перемещения по направляющим.
Если у обычного подшипника внешняя часть контактирует с оборудованием по всему периметру, то в опорном ролике соприкосновение происходит на малой площади, подвергаемой значительным ударным нагрузкам и давлению.
Детали, работающие на больших скоростях, нуждаются в периодической смазке, снижающей трение и вероятность перегрева. Масло вводится через отверстие в наружном кольце.
Изделия изготавливаются из стали повышенной твердости.
Разновидности и параметры
В промышленности используются опорные ролики с внутренним кольцом, снабженным втулкой для насадки на вал, а также с готовой цапфой, на конце которой имеется резьба.
Модели второго типа выпускаются в различном исполнении: с сепараторами (разделительными элементами между шариками), с эксцентриковым стопорным кольцом, с дополнительным уплотнением, осевым центрированием и др.
На прочность, выносливость и долговечность ролика влияют:
- Наружный и внутренний диаметр.
- Ширина и форма обоймы. Широкие поверхности испытывают меньшее давление, поэтому изнашиваются медленнее.
- Предельная скорость вращения.
При выборе таких деталей обращают внимание на количество и расположение крепежных отверстий.
Преимущества и применение опорных роликов
Изделия, обладающие повышенной прочностью, способны эффективно работать в условиях вибрации, трения и больших осевых нагрузок.
Их достоинствами являются стабильность вращения, высокая точность перемещения, компенсация угловых отклонений, быстрый монтаж.
Системы работают почти бесшумно, не нуждаются в постоянном обслуживании, отличаются долговечностью, устойчивостью к коррозии.
Опорные ролики используются:
- в дерево- и металлообрабатывающем станочном оборудовании;
- в промышленных и с/х транспортерах, конвейерных линиях;
- в механизмах для перемещения тяжелых объектов ( магистральных труб, мостовых конструкций).
В компании TECHNIX можно заказать и купить опорные ролики шириной до 100 мм. В ассортименте нашего интернет-магазина имеются модели с цапфой, осевой втулкой, сепараторами, эксцентриками, шаровой, ровной поверхностью.
Заказ оформляется на сайте. Обеспечивается выгодная курьерская доставка приобретённых товаров.

