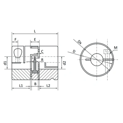
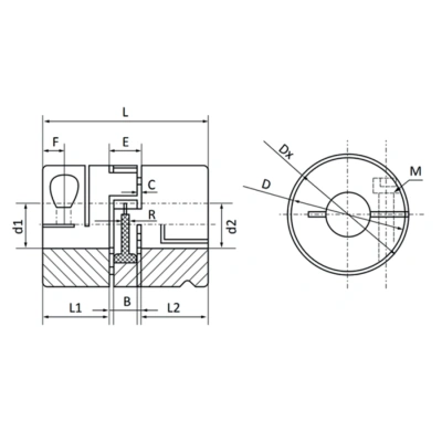
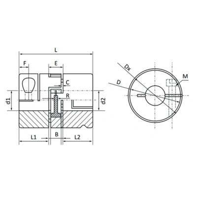
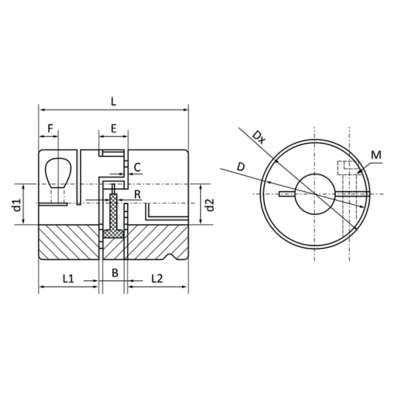
Виброгасящие муфты – соединительные разборные элементы, использующиеся для передачи крутящего момента с вала электродвигателя на вал передачи. В отличие от других муфт имеют упругие полиуретановые вставки, предназначенные для гашения вибраций. Полиуретан достаточно жесткий для фиксации валов, но при этом и эластичный для гашения ударов, толчков, возникающих при вращении валов.
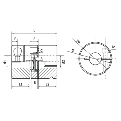
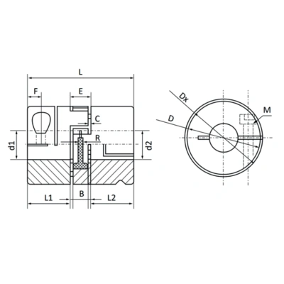
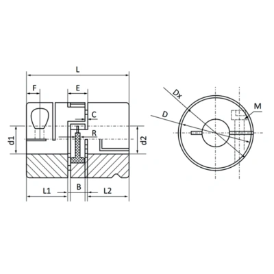
Кулачковые муфты соединительные виброгасящие конструктивно – это пара полумуфт из алюминиевого или стального сплава. Установка осуществляется посредством затяжных винтов. Конструкция виброгасящих муфт в целом схожа – детали различаются по внешнему диаметру валов. Допустимая частота вращения может достигать 25 тыс. об./мин.
Муфты данного типа применяются в металлообрабатывающих станках, обрабатывающих центрах и ином оборудовании, для которого важно обеспечить плавную работу и низкий уровень вибрационного воздействия.
Преимущества
Соединительные виброгасящие муфты помимо гашения вибраций предназначены для решения следующих задач:
- Устранение несоосности валов, что позволяет сделать работу станков и иного оборудования стабильной - соединительные виброгасящие муфты для валов устраняют небольшие перекосы без снижения КПД оборудования.
- Защита от быстрого износа и выхода из строя узлов за счет компенсации несоосности. Увеличивается общий ресурс, реже требуется ремонт и обслуживание оборудования.
- Снижение уровня шума промышленного оборудования.
Поскольку муфты постоянно подвержены вибрационным воздействиям, то происходит износ полиуретана, и периодически требуется замена данных элементов. Узнать о необходимости замены можно по ухудшению виброгасящих свойств, появлению зазора в месте деформации вставок.
Изделия не требуют сложного монтажа. Винты предусмотрены в комплекте. Все муфты серии JC отличаются малым весом и компактными размерами.
АО «Техникс» предлагает купить виброгасящие муфты оптом и в розницу. В каталоге представлены детали серии JC, рассчитанные на наружный диаметр сращиваемых валов 4-16 мм. Заказать товары вы можете с доставкой по России. Работаем как с физическими, так и юридическими лицами. Помимо продажи готовых деталей также оказываем услуги по расточке отверстий.
Проконсультироваться с менеджером магазина и заказать виброгасящие муфты можно, оставив заявку онлайн или по телефону.

