Характеристики
Серия
—
MG (компактная)
Типоразмер
?
Типоразмер - это стандартный размер изделия (или группы однотипных изделий), задающий его габариты и основные параметры формы.
—
7
Длина L, мм
—
30,8
Все характеристики
1 389 руб.
/шт Есть в наличии: 20
В корзину
Заказать счет
Счет
Запросить консультацию по подбору
Консультация
Проверим совместимость, подберем аналог, уточним срок
Рассчитать доставку
Гарантия 12 месяцев
Система скидок для постоянных клиентов
Резерв товара под ваши потребности
Несколько этапов проверки качества товара
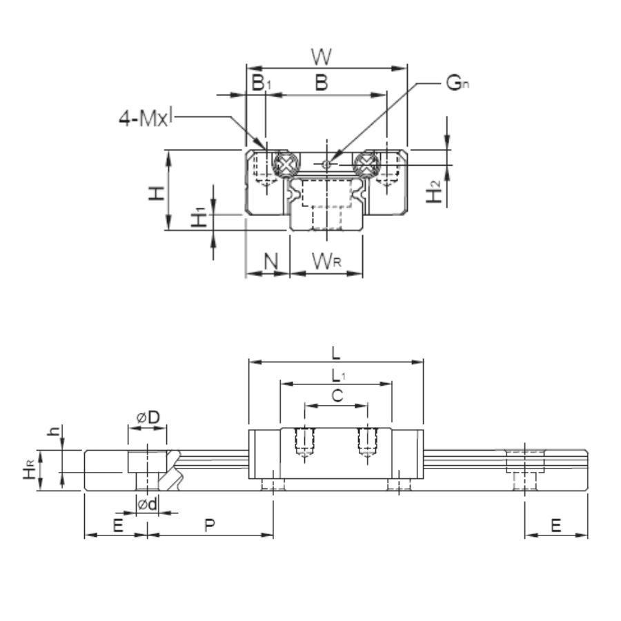
Каретка MGN7HZ0H TECHNIX — компактная линейная каретка для высокоточной малогабаритной техники
Расшифровка артикула MGN7HZ0H:
- MG — серия компактных линейных направляющих TECHNIX;
- N — тип каретки (узкая);
- 7 — ширина направляющей, мм;
- H — длинный тип блока;
- Z0 — минимальный преднатяг;
- H — класс точности высокий.
Применение кареток серии MGN:
- медицинское оборудование (диагностические приборы, хирургические роботы);
- лазерные гравировальные машины;
- 3D-принтеры и оборудование для аддитивного производства;
- роботизированные и автоматизированные системы;
- оптические приборы и системы позиционирования;
- микроэлектронное оборудование;
- оборудование для лабораторных исследований.
Технические характеристики:
- Номинальные нагрузки (динамические/статические): от 0,8 до 8,8 кН в зависимости от модели.
- Ширина каретки: от 7 мм до 15 мм (в зависимости от модели).
- Тип направляющих: рельсовые направляющие с рециркуляцией шариков.
- Материал: нержавеющая сталь.
- Температурный диапазон эксплуатации: от -20°C до +80°C.
- Тип смазки: встроенная система смазки с возможностью дополнительной смазки для увеличения срока службы.
Преимущества использования кареток MGN:
- прецизионное управление движением в ограниченных пространствах;
- долговечность и минимальные требования к обслуживанию;
- низкий коэффициент трения и плавность хода;
- простота интеграции в различные системы благодаря компактным размерам.
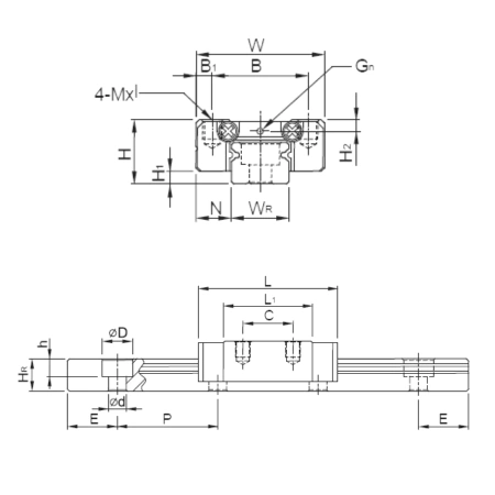
Габариты
Длина L, мм
30,8
Технические характеристики
Серия
MG (компактная)
Типоразмер
?
Типоразмер - это стандартный размер изделия (или группы однотипных изделий), задающий его габариты и основные параметры формы.
7
Натяг
Z0 (легкий)
Межцентровое расстояние крепления C, мм
13
Дополнительный комплект уплотнений ZZ
нет
Класс точности
H (высокий)
Зазор от низа каретки до низа рельс (в сборе) H1, мм
1,5
Длина монтажной площадки L1, мм
21,8
Расстояние от внешнего края каретки до внешнего края рельс (в сборе) N, мм
5
Размер резьбы на монтажной площади M
M2x2,5
Расстояние от верха до центра крепежного отверстия масленки с торца H2, мм
1,5
Общие характеристики
Производитель
TECHNIX
Сфера применения
3D-принтеры, Робототехника, Станки ЧПУ
Службы доставки в ПВЗ:
- СДЭК
- Boxberry
- Яндекс Доставка
- DPD
Службы доставки курьером:
- Собственная служба доставки
- СДЭК
- Достависта
О самовывозе со склада
Вы можете самостоятельно забрать заказ в Санкт-Петербурге по адресу:
📍 Люботинский проспект, 5

