Каретка RGH45CAZAH TECHNIX — роликовая каретка для высокоточных систем
Каретка RGH45CAZAH TECHNIX устанавливается на направляющие шириной 45 мм. Благодаря нагрузочной категории C (тяжёлая), креплению A, преднатягу ZA и точности H, модель применима для тяжёлых и прецизионных задач в производстве.
Применяется в станках ЧПУ, фрезерных платформах, портальных машинах. Обеспечивает надёжность, устойчивость и точность позиционирования даже в условиях вибраций и длительных нагрузок.
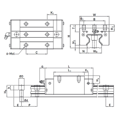
Расшифровка артикула RGH45CAZAH:
RG — роликовая серия;
H — высокая каретка;
45 — ширина направляющей;
C — тяжёлая нагрузка;
A — крепление сверху;
ZA — средний преднатяг;
H — высокий класс точности.
Применение кареток серии RG:
- тяжелое машиностроение;
- металлообрабатывающие станки и системы ЧПУ;
- автоматизированные сборочные линии;
- прессовое оборудование;
- роботизированные системы;
- оборудование для обработки материалов (резка, фрезерование, сверление).
Технические характеристики:
- Номинальные нагрузки (динамические/статические): от 17,2 до 275,2 кН в зависимости от модели.
- Тип направляющих: рельсовые направляющие с рециркуляцией роликов.
- Материал направляющих: высокоуглеродистая сталь с термической обработкой для повышения износостойкости.
- Температурный диапазон эксплуатации: от -10°C до +80°C.
- Максимальная скорость перемещения: до 5 м/с.
Преимущества использования кареток RG:
- максимальная жесткость и устойчивость к деформации благодаря роликам;
- равномерное распределение нагрузки и высокая грузоподъемность;
- плавность хода и точность перемещения даже при работе под нагрузками;
- долговечность и надежность в тяжелых промышленных условиях.
Службы доставки в ПВЗ:
- СДЭК
- Boxberry
- Яндекс Доставка
- DPD
Службы доставки курьером:
- Собственная служба доставки
- СДЭК
- Достависта
О самовывозе со склада
Вы можете самостоятельно забрать заказ в Санкт-Петербурге по адресу:
📍 Люботинский проспект, 5

