Каретка MGN12HZ0HM TECHNIX — компактная линейная каретка для высокоточной малогабаритной техники
MGN12HZ0HM TECHNIX — это компактная каретка линейного перемещения, предназначенная для работы в устройствах с ограниченным монтажным пространством. Модель широко применяется в современной технике, где особенно важны точность, плавность хода и минимальный вес конструкции. Благодаря своим компактным размерам и лёгкости, данный блок направляющей находит применение в таких сферах, как производство 3D-принтеров, фрезеровочных ЧПУ-станков, оптических систем и лабораторного оборудования.
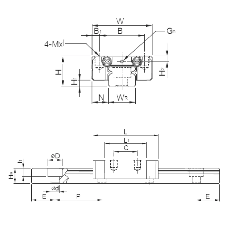
Каретка оснащена четырёхрядной системой циркуляции шариков, обеспечивающей высокую жёсткость, износостойкость и точность перемещения. Тип преднатяга Z0 указывает на минимальный люфт, что особенно важно для приложений с высокой точностью позиционирования. Класс точности H соответствует промышленным стандартам, обеспечивая стабильность при длительной эксплуатации.
В сфере 3D-печати MGN12HZ0HM используется как ключевой элемент конструкции портальных и CoreXY-принтеров. Благодаря своей компактности и высокой стабильности движения, каретка обеспечивает плавную работу осей и минимальные вибрации, улучшая качество печати. Устойчива к загрязнениям и требует минимального технического обслуживания.
Компактный блок линейного перемещения устанавливается с верхним креплением, что упрощает монтаж и адаптацию к различным платформам. Высокое качество изготовления и точная геометрия элементов делают эту модель полным аналогом продукции Hiwin, позволяя легко заменить оригинальные компоненты в существующих системах. Подходит для направляющей типоразмера 12.
Расшифровка артикула MGN12HZ0HM:
- MG — серия компактных линейных направляющих TECHNIX;
- N — тип каретки (узкая);
- 12 — ширина направляющей, мм;
- H — длинная;
- Z0 — минимальный преднатяг;
- H — класс точности высокий;
- M — нержавеющая сталь.
Применение кареток серии MGN:
- медицинское оборудование (диагностические приборы, хирургические роботы);
- лазерные гравировальные машины;
- 3D-принтеры и оборудование для аддитивного производства;
- роботизированные и автоматизированные системы;
- оптические приборы и системы позиционирования;
- микроэлектронное оборудование;
- оборудование для лабораторных исследований.
Технические характеристики:
- Номинальные нагрузки (динамические/статические): от 0,8 до 8,8 кН в зависимости от модели.
- Ширина каретки: от 7 мм до 15 мм (в зависимости от модели).
- Тип направляющих: рельсовые направляющие с рециркуляцией шариков.
- Материал: нержавеющая сталь.
- Температурный диапазон эксплуатации: от -20°C до +80°C.
- Тип смазки: встроенная система смазки с возможностью дополнительной смазки для увеличения срока службы.
Преимущества использования кареток MGN:
- прецизионное управление движением в ограниченных пространствах;
- долговечность и минимальные требования к обслуживанию;
- низкий коэффициент трения и плавность хода;
- простота интеграции в различные системы благодаря компактным размерам.
Службы доставки в ПВЗ:
- СДЭК
- Boxberry
- Яндекс Доставка
- DPD
Службы доставки курьером:
- Собственная служба доставки
- СДЭК
- Достависта
О самовывозе со склада
Вы можете самостоятельно забрать заказ в Санкт-Петербурге по адресу:
📍 Люботинский проспект, 5

