Каретка MGN15НH TECHNIX — компактная каретка для 3D-принтеров и ЧПУ-оборудования
Каретка линейного перемещения MGN15НH TECHNIX — это модель для оборудования, где необходимы высокая точность, надёжность и устойчивость к вибрации.
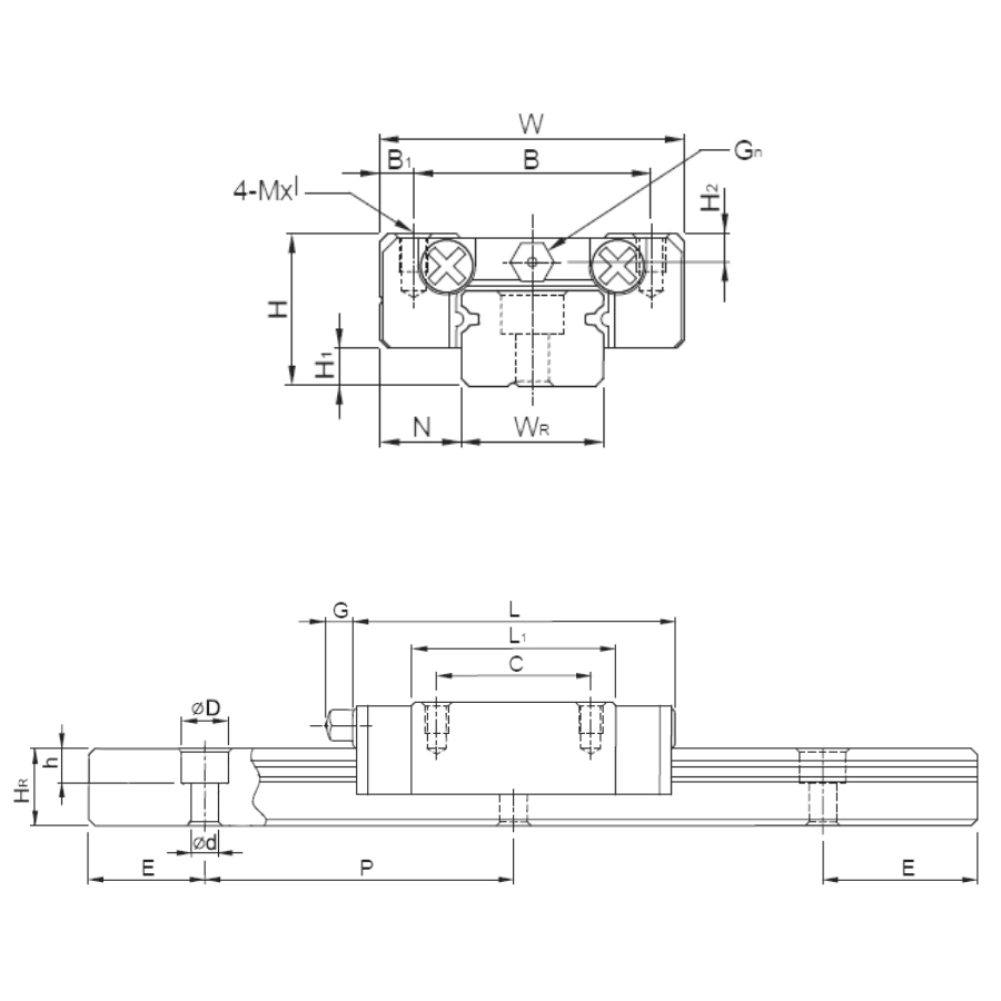
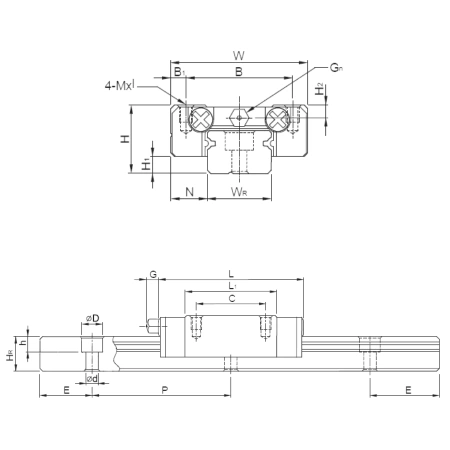
Каретка оснащена четырёхрядной системой шариков, что обеспечивает равномерное распределение усилий и снижает риск деформации или перекоса. Установка осуществляется через верхние монтажные отверстия, что делает интеграцию удобной даже в условиях ограниченного пространства.
Каретка MGN15НH TECHNIX особенно актуальна в 3D-принтерах с металлическим корпусом и повышенными требованиями к качеству печати. Она стабилизирует ось перемещения, минимизирует люфт и вибрации, тем самым повышая разрешение печати и точность повторяемости. Используется также в высокоточных лабораторных и измерительных установках, где важна стабильность при микроперемещениях.
Компактный блок направляющей TECHNIX является полным аналогом продукции Hiwin и может устанавливаться вместо оригинальных компонентов без доработки платформы. Его надёжность подтверждена многократными тестами на нагрузку, износ и устойчивость к внешней среде. Подходит для направляющей типоразмера 15.
Расшифровка артикула MGN15НH:
- MG — серия компактных линейных направляющих TECHNIX;
- N — тип каретки (узкая);
- 15 — ширина направляющей, мм;
- H — длинная;
- H — класс точности высокий.
Применение кареток серии MGN:
- медицинское оборудование (диагностические приборы, хирургические роботы);
- лазерные гравировальные машины;
- 3D-принтеры и оборудование для аддитивного производства;
- роботизированные и автоматизированные системы;
- оптические приборы и системы позиционирования;
- микроэлектронное оборудование;
- оборудование для лабораторных исследований.
Технические характеристики:
- Номинальные нагрузки (динамические/статические): от 0,8 до 8,8 кН в зависимости от модели.
- Ширина каретки: от 7 мм до 15 мм (в зависимости от модели).
- Тип направляющих: рельсовые направляющие с рециркуляцией шариков.
- Материал: нержавеющая сталь.
- Температурный диапазон эксплуатации: от -20°C до +80°C.
- Тип смазки: встроенная система смазки с возможностью дополнительной смазки для увеличения срока службы.
Преимущества использования кареток MGN:
- прецизионное управление движением в ограниченных пространствах;
- долговечность и минимальные требования к обслуживанию;
- низкий коэффициент трения и плавность хода;
- простота интеграции в различные системы благодаря компактным размерам.
Службы доставки в ПВЗ:
- СДЭК
- Boxberry
- Яндекс Доставка
- DPD
Службы доставки курьером:
- Собственная служба доставки
- СДЭК
- Достависта
О самовывозе со склада
Вы можете самостоятельно забрать заказ в Санкт-Петербурге по адресу:
📍 Люботинский проспект, 5

