Каретка RGH35CAZAP TECHNIX — роликовая линейная каретка для направляющих 35 мм
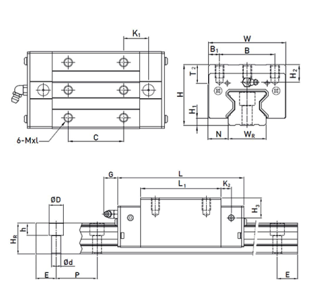
Каретка RGH35CAZAP TECHNIX спроектирована для применения в условиях высокой точности и тяжёлых нагрузок. Индексы C-A-ZA-P указывают на тяжёлую нагрузку, верхнее крепление, средний преднатяг и прецизионный класс точности соответственно. Ширина направляющей — 35 мм.
Каретка обеспечивает стабильную работу без люфтов, минимизируя трение. Используется в системах ЧПУ, сборочных и транспортных узлах. Установлены торцевые уплотнители и смазочные порты.
Расшифровка артикула RGH35CAZAP:
RG — роликовая серия
H — высокая каретка
35 — ширина направляющей
C — тяжёлая нагрузка
A — крепление сверху
ZA — средний преднатяг
P — прецизионная точность
Применение кареток серии RG:
- тяжелое машиностроение;
- металлообрабатывающие станки и системы ЧПУ;
- автоматизированные сборочные линии;
- прессовое оборудование;
- роботизированные системы;
- оборудование для обработки материалов (резка, фрезерование, сверление).
Технические характеристики:
- Номинальные нагрузки (динамические/статические): от 17,2 до 275,2 кН в зависимости от модели.
- Тип направляющих: рельсовые направляющие с рециркуляцией роликов.
- Материал направляющих: высокоуглеродистая сталь с термической обработкой для повышения износостойкости.
- Температурный диапазон эксплуатации: от -10°C до +80°C.
- Максимальная скорость перемещения: до 5 м/с.
Преимущества использования кареток RG:
- максимальная жесткость и устойчивость к деформации благодаря роликам;
- равномерное распределение нагрузки и высокая грузоподъемность;
- плавность хода и точность перемещения даже при работе под нагрузками;
- долговечность и надежность в тяжелых промышленных условиях.
Службы доставки в ПВЗ:
- СДЭК
- Boxberry
- Яндекс Доставка
- DPD
Службы доставки курьером:
- Собственная служба доставки
- СДЭК
- Достависта
О самовывозе со склада
Вы можете самостоятельно забрать заказ в Санкт-Петербурге по адресу:
📍 Люботинский проспект, 5

