О товаре
Линейный фланцевый подшипник LMEF12-UU с двусторонним резиновым уплотнением для вала ∅12 мм. Компактное решение для прецизионных осей малого типоразмера: 3D-принтеры, лазерные граверы, координатные столы и измерительные устройства.
Расшифровка артикула
- LME — линейный шариковый подшипник европейской размерности
- F — круглый (цилиндрический) фланец для крепления без корпуса
- 12 — внутренний диаметр посадки на вал: 12 мм
- UU — двусторонние резиновые уплотнения (закрытое исполнение)
Полное обозначение: LMEF12-UU. Альтернативное обозначение по классификации NBS/ISB: KBF12PP.
Конструкция и устройство
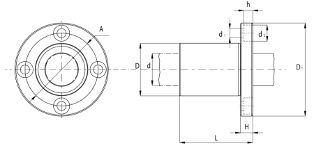
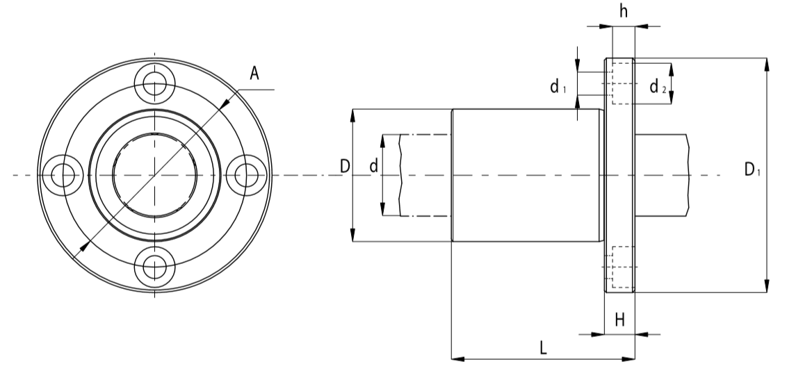
Подшипник состоит из закалённой стальной гильзы, полиамидного сепаратора с 4 рядами рециркулирующих шариков, круглого монтажного фланца с четырьмя крепёжными отверстиями (∅ расположения — 32 мм) и двусторонних резиновых уплотнений (тип UU). Корпус подшипника не предусмотрен — фланец крепится непосредственно к несущей детали. Материал — высокоуглеродистая хромированная сталь.
Размерный ряд серии LMEF-UU
Ниже приведена таблица всех типоразмеров серии. Текущий товар выделен.
| Модель | d, мм | D, мм | L, мм | D1, мм | A (PCD), мм | H, мм | Рядов шариков | C, Н | C0, Н |
|---|---|---|---|---|---|---|---|---|---|
| LMEF12UU | 12 | 22 | 32 | 42 | 32 | 6 | 4 | 500 | 770 |
| LMEF16UU | 16 | 26 | 36 | 46 | 36 | 6 | 5 | 570 | 890 |
| LMEF20UU | 20 | 32 | 45 | 54 | 43 | 8 | 5 | 860 | 1370 |
| LMEF25UU | 25 | 40 | 58 | 62 | 51 | 8 | 6 | 980 | 1560 |
| LMEF30UU | 30 | 47 | 68 | 76 | 62 | 10 | 6 | 1560 | 2740 |
| LMEF40UU | 40 | 62 | 80 | 98 | 80 | 13 | 6 | 2150 | 4010 |
| LMEF50UU | 50 | 75 | 100 | 112 | 94 | 13 | 6 | 3820 | 7930 |
| LMEF60UU | 60 | 90 | 125 | 134 | 112 | 18 | 6 | 4700 | 9990 |
Технические параметры и условия эксплуатации
Подшипник работает по принципу рециркуляции шариков в 4 замкнутых контурах качения, обеспечивая равномерное распределение нагрузки при малом коэффициенте трения. Динамическая грузоподъёмность составляет 500 Н, статическая — 770 Н. Уплотнения типа UU надёжно удерживают смазку и защищают рабочую зону от пыли и стружки. Рабочий диапазон температур: от −20°C до +80°C. Смазка закладывается при монтаже; материал — высокоуглеродистая хромированная сталь.
- Внутренний диаметр (d): 12 мм
- Наружный диаметр (D): 22 мм
- Длина (L): 32 мм
- Внешний диаметр крепёжной площадки (D1): 42 мм
- Диаметр расположения крепёжных отверстий (A/PCD): 32 мм
- Толщина крепёжной площадки (H): 6 мм
- d1 × d2 × h (крепёжные отверстия): 4,5 х 7,5 х 4,1 мм
- Количество рядов рециркуляции: 4
- Динамическая нагрузка (C): 500 Н
- Статическая нагрузка (C0): 770 Н
- Рабочая температура: от −20°C до +80°C
- Материал: высокоуглеродистая хромированная сталь
- Уплотнение: двустороннее резиновое (тип UU)
Применяемость
Подшипник LMEF12-UU востребован в компактных прецизионных системах перемещения с валом ∅12 мм. Фланцевое крепление без корпуса снижает общую массу узла и упрощает компоновку каретки в малогабаритном оборудовании. Двустороннее уплотнение позволяет применять его в запылённых условиях без существенного снижения ресурса.
- Каретки станков ЧПУ (фрезерные, лазерные, координатно-расточные)
- 3D-принтеры, плоттеры, лазерные граверы
- Прецизионные измерительные машины (КИМ)
- Медицинское и лабораторное оборудование
- Системы автоматического позиционирования
Аналоги
Подшипник LMEF12-UU (TECHNIX) является полным аналогом следующих изделий по ISO:
| Производитель | Обозначение аналога | Тип соответствия |
|---|---|---|
| NBS / ISB | KBF12PP | Полный аналог |
| NTN | BBER12UU | Полный аналог |
| SNR | BBERS12UU | Полный аналог |
| Samick | LMEF12UU | Полный аналог |
| ITJ | LMEF 12 UU | Полный аналог* |
*Точное соответствие необходимо подтверждать по каталожным размерам d, D, L, D1, A, H и допускаемым нагрузкам конкретной модели.
Часто задаваемые вопросы
- Как правильно установить LMEF12-UU?
Перед монтажом убедитесь, что вал имеет диаметр 12 мм с допуском h6/g6 и шероховатость поверхности не хуже Ra 0,4. Надвигайте подшипник на вал без перекоса, без применения ударных инструментов. Закрепите фланец к несущей плите четырьмя болтами с равномерной затяжкой. Перед вводом в эксплуатацию заложите пластичную смазку типа литол-24, ЦИАТИМ-201 или Mobilux EP 2. - Как определить, что подшипник требует замены?
Признаки износа: появление радиального или осевого люфта, повышенный шум и вибрация при движении, затруднённый или рывковый ход каретки, следы питтинга или коррозии на дорожках качения и шариках. При обнаружении хотя бы одного признака рекомендуется плановая замена. Периодичность профилактического осмотра — каждые 500–1000 часов наработки. - Чем LMEF12-UU отличается от LMEF12L-UU (удлинённое исполнение)?
Модификация LMEF12L-UU имеет увеличенную длину тела подшипника, что обеспечивает большее число шариков в рабочих контурах и повышает динамическую и статическую нагрузочную способность. Монтажные размеры фланца идентичны, поэтому переход на удлинённое исполнение не требует изменений в конструкции узла. - Совместим ли LMEF12-UU с аналогами NBS, SKF, INA?
Да. Серия LMEF-UU стандартизирована по ISO и совместима с KBF12PP (NBS/ISB), KBS12PP (INA), LBAS12-2LS (SKF) и LMEF12UU (Samick). Посадочные и присоединительные размеры идентичны — замена производится без доработки корпусных деталей. - Нужна ли дополнительная смазка при эксплуатации?
Подшипник поставляется с заводской закладкой смазки. В нормальных условиях работы дополнительная смазка вносится каждые 500–800 часов. При повышенном загрязнении или ударных нагрузках — каждые 200–300 часов. Рекомендуемые смазки: литол-24, ЦИАТИМ-201, Mobilux EP 2.
Службы доставки в ПВЗ:
- СДЭК
- Boxberry
- Яндекс Доставка
- DPD
Службы доставки курьером:
- Собственная служба доставки
- СДЭК
- Достависта
Подробнее о доставке транспортными компаниями:
1. Доставка через СДЭК
СДЭК – это удобная и быстрая доставка по всей России. Вы можете выбрать один из вариантов:
- Доставка до пункта выдачи – ваш заказ будет доставлен в ближайший к вам офис СДЭК, где его можно забрать в удобное время.- Курьерская доставка – заказ привезут прямо к вам домой или в офис.
Сроки доставки зависят от региона и рассчитываются индивидуально при оформлении заказа.*
2. Доставка транспортной компанией «Деловые Линии»
Если вам требуется перевозка крупногабаритного или тяжелого груза, мы рекомендуем транспортную компанию «Деловые Линии».
- Доставка возможна в большинство населенных пунктов России.- Вы можете выбрать удобный терминал для самовывоза или заказать адресную доставку.
Стоимость рассчитывается индивидуально в зависимости от веса, габаритов и региона.*
О самовывозе со склада
Вы можете самостоятельно забрать заказ в Санкт-Петербурге по адресу:
📍 Люботинский проспект, 5
Преимущества самовывоза:
✔️ Возможность проверить товар перед получением.
✔️ Отсутствие затрат на доставку.
✔️ Гибкий график выдачи.
✔️ Возможность оплаты заказа банковской картой при получении заказа.
Перед приездом на склад обязательно уточните наличие товара у менеджера.
Доставка осуществляется в пределах территорий Российской Федерации и Республики Беларусь.
*обращаем Ваше внимание, что стоимость доставки рассчитывается согласно тарификациям транспортных компаний и курьерских служб.
Линейные подшипники обеспечивают ровное и плавное перемещение деталей по прямой, что важно для станков, 3D-принтеров, манипуляторов и автоматических линий. От правильного выбора детали зависит срок службы оборудования и качество работы узлов при серийном производстве.
В этом материале разберем, как устроены линейные подшипники, чем отличаются между собой и что учитывать при выборе модели под задачи производства.
При установке линейных подшипников исполнители нередко допускают ошибки, которые становятся причиной быстрого выхода из строя этих узлов. В предлагаемом обзоре рассматривается, как предупредить погрешности монтажа, с учетом состава наиболее целесообразных мер с точки зрения технической реализации и экономической целесообразности применяемых технологий.

