О товаре
Линейный подшипник LMEF60-UU с круглым фланцем и двусторонним уплотнением для вала ∅60 мм. Максимальный типоразмер серии с динамической нагрузкой 4700 Н: применяется в тяжёлом промышленном оборудовании, гидравлических прессах и крановых направляющих.
Расшифровка артикула
- LME — линейный шариковый подшипник европейской размерности
- F — круглый (цилиндрический) фланец для крепления без корпуса
- 60 — внутренний диаметр посадки на вал: 60 мм
- UU — двусторонние резиновые уплотнения (закрытое исполнение)
Полное обозначение: LMEF60-UU. Альтернативное обозначение по классификации NBS/ISB: KBF60PP.
Конструкция и устройство
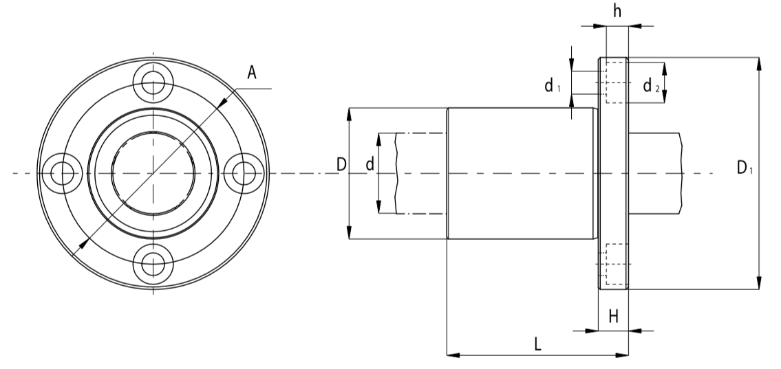
Подшипник состоит из закалённой стальной гильзы, полиамидного сепаратора с 6 рядами рециркулирующих шариков, круглого монтажного фланца с четырьмя крепёжными отверстиями (∅ расположения — 112 мм) и двусторонних резиновых уплотнений (тип UU). Корпус подшипника не предусмотрен — фланец крепится непосредственно к несущей детали. Материал — высокоуглеродистая хромированная сталь.
Размерный ряд серии LMEF-UU
Ниже приведена таблица всех типоразмеров серии. Текущий товар выделен.
| Модель | d, мм | D, мм | L, мм | D1, мм | A (PCD), мм | H, мм | Рядов шариков | C, Н | C0, Н |
|---|---|---|---|---|---|---|---|---|---|
| LMEF12UU | 12 | 22 | 32 | 42 | 32 | 6 | 4 | 500 | 770 |
| LMEF16UU | 16 | 26 | 36 | 46 | 36 | 6 | 5 | 570 | 890 |
| LMEF20UU | 20 | 32 | 45 | 54 | 43 | 8 | 5 | 860 | 1370 |
| LMEF25UU | 25 | 40 | 58 | 62 | 51 | 8 | 6 | 980 | 1560 |
| LMEF30UU | 30 | 47 | 68 | 76 | 62 | 10 | 6 | 1560 | 2740 |
| LMEF40UU | 40 | 62 | 80 | 98 | 80 | 13 | 6 | 2150 | 4010 |
| LMEF50UU | 50 | 75 | 100 | 112 | 94 | 13 | 6 | 3820 | 7930 |
| LMEF60UU | 60 | 90 | 125 | 134 | 112 | 18 | 6 | 4700 | 9990 |
Технические параметры и условия эксплуатации
Подшипник крупной серии с 6 рядами рециркулирующих шариков обеспечивает максимальные характеристики нагрузочной способности в серии LMEF-UU: динамическая нагрузка — 4700 Н, статическая — 9990 Н. Уплотнение UU обеспечивает надёжную работу в самых тяжёлых производственных условиях при стабильном сохранении смазочного слоя. Рабочий диапазон температур: от −20°C до +80°C. Смазка закладывается при монтаже; материал — высокоуглеродистая хромированная сталь.
- Внутренний диаметр (d): 60 мм
- Наружный диаметр (D): 90 мм
- Длина (L): 125 мм
- Внешний диаметр крепёжной площадки (D1): 134 мм
- Диаметр расположения крепёжных отверстий (A/PCD): 112 мм
- Толщина крепёжной площадки (H): 18 мм
- d1 × d2 × h (крепёжные отверстия): 11 х 17 х 11,1 мм
- Количество рядов рециркуляции: 6
- Динамическая нагрузка (C): 4700 Н
- Статическая нагрузка (C0): 9990 Н
- Рабочая температура: от −20°C до +80°C
- Материал: высокоуглеродистая хромированная сталь
- Уплотнение: двустороннее резиновое (тип UU)
Применяемость
Подшипник LMEF60-UU — изделие максимального типоразмера серии, предназначенное для опорных и направляющих узлов тяжёлого промышленного оборудования с валами ∅60 мм. Применяется там, где компактная замена корпусным конструкциям недопустима, а требуется прямое фланцевое крепление с высокой несущей способностью.
- Крупные фрезерные порталы и тяжёлые обрабатывающие центры
- Гидравлические прессы и штамповочное оборудование
- Кранообразные манипуляторы и поворотные устройства
- Тяжёлые конвейерные и транспортировочные линии
- Металлургическое и горнодобывающее оборудование
Аналоги
Подшипник LMEF60-UU (TECHNIX) является полным аналогом следующих изделий по ISO:
| Производитель | Обозначение аналога | Тип соответствия |
|---|---|---|
| NBS / ISB | KBF60PP | Полный аналог |
| NTN | BBER60UU | Полный аналог |
| SNR | BBERS60UU | Полный аналог |
| Samick | LMEF60UU | Полный аналог |
| ITJ | LMEF 60 UU | Полный аналог* |
*Точное соответствие необходимо подтверждать по каталожным размерам d, D, L, D1, A, H и допускаемым нагрузкам конкретной модели.
Часто задаваемые вопросы
- Как правильно установить LMEF60-UU?
Перед монтажом убедитесь, что вал имеет диаметр 60 мм с допуском h6/g6 и шероховатость поверхности не хуже Ra 0,4. Надвигайте подшипник на вал без перекоса, без применения ударных инструментов. Закрепите фланец к несущей плите четырьмя болтами с равномерной затяжкой. Перед вводом в эксплуатацию заложите пластичную смазку типа литол-24, ЦИАТИМ-201 или Mobilux EP 2. - Как определить, что подшипник требует замены?
Признаки износа: появление радиального или осевого люфта, повышенный шум и вибрация при движении, затруднённый или рывковый ход каретки, следы питтинга или коррозии на дорожках качения и шариках. При обнаружении хотя бы одного признака рекомендуется плановая замена. Периодичность профилактического осмотра — каждые 500–1000 часов наработки. - Чем LMEF60-UU отличается от LMEF60L-UU?
LMEF60L-UU — максимально нагруженная версия крупного типоразмера с увеличенным телом подшипника. Дополнительные ряды шариков повышают несущую способность для применения в особо тяжёлых промышленных условиях. Размеры фланца и посадочный диаметр идентичны стандартной версии. - Совместим ли LMEF60-UU с аналогами NBS, SKF, INA?
Да. Серия LMEF-UU стандартизирована по ISO и совместима с KBF60PP (NBS/ISB), KBS60PP (INA), LBAS60-2LS (SKF) и LMEF60UU (Samick). Посадочные и присоединительные размеры идентичны — замена производится без доработки корпусных деталей. - Нужна ли дополнительная смазка при эксплуатации?
Подшипник поставляется с заводской закладкой смазки. В нормальных условиях работы дополнительная смазка вносится каждые 300–600 часов. При повышенном загрязнении или ударных нагрузках — каждые 100–200 часов. Рекомендуемые смазки: литол-24, ЦИАТИМ-201, Mobilux EP 2.
Службы доставки в ПВЗ:
- СДЭК
- Boxberry
- Яндекс Доставка
- DPD
Службы доставки курьером:
- Собственная служба доставки
- СДЭК
- Достависта
О самовывозе со склада
Вы можете самостоятельно забрать заказ в Санкт-Петербурге по адресу:
📍 Люботинский проспект, 5
Линейные подшипники обеспечивают ровное и плавное перемещение деталей по прямой, что важно для станков, 3D-принтеров, манипуляторов и автоматических линий. От правильного выбора детали зависит срок службы оборудования и качество работы узлов при серийном производстве.
В этом материале разберем, как устроены линейные подшипники, чем отличаются между собой и что учитывать при выборе модели под задачи производства.
При установке линейных подшипников исполнители нередко допускают ошибки, которые становятся причиной быстрого выхода из строя этих узлов. В предлагаемом обзоре рассматривается, как предупредить погрешности монтажа, с учетом состава наиболее целесообразных мер с точки зрения технической реализации и экономической целесообразности применяемых технологий.

