О товаре
SBR25-UU — корпусный линейный подшипник открытого типа для направляющего вала диаметром 25 мм. Используется для плавного хода кареток в оборудовании с цилиндрическими направляющими на опоре.
Расшифровка артикула
- SBR — линейный подшипник с корпусом для поддерживаемого цилиндрического вала
- 25 — внутренний диаметр посадки на вал: 25 мм
- UU — двусторонние уплотнения шариковой втулки
Конструкция и устройство
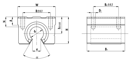
Подшипник выполнен в виде готового модуля: алюминиевый корпус, открытая втулка качения, шариковые дорожки рециркуляции (6) и уплотнения типа UU. Габариты корпуса составляют 60×65 мм, а крепление реализовано через резьбу M6.
Размерный ряд серии SBR-UU
Ниже приведена таблица всех типоразмеров серии. Текущий товар выделен.
| Модель | d, мм | W, мм | B1, мм | B2, мм | H, мм | D1 | C, Н | C0, Н |
|---|---|---|---|---|---|---|---|---|
| SBR10-UU | 10 | 36 | 32 | 25 | 24 | M5 | 350 | 549 |
| SBR12-UU | 12 | 40 | 110 | 94 | 24 | M5 | 372 | 784 |
| SBR16-UU | 16 | 45 | 45 | 30 | 33 | M5 | 770 | 1170 |
| SBR20-UU | 20 | 48 | 50 | 35 | 39 | M6 | 860 | 1370 |
| SBR25-UU | 25 | 60 | 65 | 40 | 47 | M6 | 980 | 1560 |
| SBR30-UU | 30 | 70 | 70 | 50 | 56 | M8 | 1560 | 2740 |
| SBR40-UU | 40 | 90 | 90 | 65 | 72 | M10 | 2150 | 4010 |
| SBR50-UU | 50 | 120 | 110 | 94 | 92 | M10 | 3820 | 7940 |
Технические параметры и условия эксплуатации
Модуль предназначен для линейного перемещения по поддерживаемому валу диаметром 25 мм. Шариковая система рециркуляции снижает трение и обеспечивает ровный ход под нагрузкой: 980 Н динамической и 1560 Н статической. Высота корпуса составляет 47 мм, зазор корпуса — 11,5 мм, расстояние от края каретки до края рельса в сборе — 12 мм. Эксплуатация эффективна при периодическом обновлении смазки и защите узла от абразивных загрязнений.
- Внутренний диаметр (d): 25 мм
- Ширина корпуса (W): 60 мм
- Высота корпуса (H): 47 мм
- Зазор на корпусе (e): 11,5 мм
- Высота боковой юбки (A): 14 мм
- Длина корпуса (B1): 65 мм
- Межцентровое расстояние крепления (B2): 40 мм
- Угол зазора корпуса (α): 50°
- Расстояние N: 12 мм
- Размер крепёжной резьбы: M6
- Количество рециркуляций: 6
- Динамическая нагрузка (C): 980 Н
- Статическая нагрузка (C0): 1560 Н
- Исполнение: бесфланцевое, открытого типа
Применяемость
Подшипник используют в приводах линейного перемещения промышленного и полупромышленного класса. Он подходит для сборки осей ЧПУ, транспортных и сортировочных механизмов, автоматических податчиков, печатного и маркировочного оборудования. За счёт открытого исполнения модуль устанавливается на вал с опорой, а корпусный формат сокращает время сборки. Особенно востребован в узлах, где важны быстрый монтаж, жёсткость и стабильная работа при серийной эксплуатации.
- Станки с ЧПУ, гравировальные и фрезерные комплексы
- Портальные модули и координатные столы
- 3D-принтеры, маркировочное и упаковочное оборудование
- Подающие, сортировочные и транспортные механизмы
- Автоматизированные производственные линии
Аналоги
Линейный подшипник с корпусом SBR25-UU (TECHNIX) по основным посадочным и присоединительным размерам сопоставим со следующими изделиями:
| Производитель | Обозначение аналога | Тип соответствия |
|---|---|---|
| NBS / ISB | SBR 25-UU AS | Предполагаемый аналог по серии |
| Samick | SBR25UU | Предполагаемый аналог по серии |
| TFN | SBR25-UU | Серийное соответствие |
| Удлинённая модификация | SBR25-LUU | Конструктивно близкое исполнение |
Точное соответствие необходимо проверять и подтверждать по каталожным размерам и допускаемым нагрузкам конкретной модели.
Часто задаваемые вопросы
- Как правильно установить SBR25-UU?
Перед монтажом проверьте прямолинейность направляющей и соответствие диаметра вала размеру 25 мм. Подшипник устанавливают на поддерживаемый вал без перекоса, затем выравнивают корпус и равномерно затягивают крепёж. После сборки рекомендуется проверить плавность хода и внести смазку при необходимости. - Как понять, что подшипник пора заменить?
Основные признаки износа — люфт, рывки при движении, рост шума, вибрация, следы выработки на дорожках качения и ухудшение точности перемещения. При таких симптомах модуль следует осмотреть и при необходимости заменить в сборе. - Чем SBR25-UU отличается от SBR25-LUU?
SBR25-UU отличается от SBR25-LUU увеличенной длиной корпуса и большей опорной базой у удлинённой версии. Модификация LUU обычно обеспечивает более высокую жёсткость и лучшую устойчивость к моментным нагрузкам, но требует больше монтажного пространства. - Можно ли заменить аналог другого бренда на SBR25-UU?
Да, если совпадают диаметр вала, монтажные размеры корпуса, тип направляющей и рабочие нагрузки. Перед заменой желательно сверить чертёж, присоединительные размеры и характеристики по каталогу производителя. - Нужна ли дополнительная смазка при эксплуатации?
Да, при регулярной работе рекомендуется периодически обновлять смазку, особенно в пыльной среде и при повышенных нагрузках. Интервал обслуживания зависит от режима работы узла и условий эксплуатации.
Службы доставки в ПВЗ:
- СДЭК
- Boxberry
- Яндекс Доставка
- DPD
Службы доставки курьером:
- Собственная служба доставки
- СДЭК
- Достависта
О самовывозе со склада
Вы можете самостоятельно забрать заказ в Санкт-Петербурге по адресу:
📍 Люботинский проспект, 5
Линейные подшипники обеспечивают ровное и плавное перемещение деталей по прямой, что важно для станков, 3D-принтеров, манипуляторов и автоматических линий. От правильного выбора детали зависит срок службы оборудования и качество работы узлов при серийном производстве.
В этом материале разберем, как устроены линейные подшипники, чем отличаются между собой и что учитывать при выборе модели под задачи производства.
При установке линейных подшипников исполнители нередко допускают ошибки, которые становятся причиной быстрого выхода из строя этих узлов. В предлагаемом обзоре рассматривается, как предупредить погрешности монтажа, с учетом состава наиболее целесообразных мер с точки зрения технической реализации и экономической целесообразности применяемых технологий.

