О товаре
Линейный подшипник с корпусом SCS16-L-UU TECHNIX — удлинённый бесфланцевый линейный подшипник для вала ∅16 мм, предназначенный для точных систем перемещения с повышенной жёсткостью. Конструкция хорошо подходит для станков ЧПУ, гравировальных установок, линейных модулей и автоматизированных узлов, где важны стабильность и плавность хода.
Расшифровка артикула
- SCS — линейный подшипник с корпусом прямоугольного типа.
- 16 — внутренний диаметр и диаметр вала: 16 мм.
- L — удлинённая модификация корпуса.
- UU — двусторонние уплотнения закрытого исполнения.
Полное обозначение: SCS16-L-UU TECHNIX. Серия SCS-L-UU предназначена для удлинённых бесфланцевых линейных подшипников с корпусом.
Конструкция и устройство
Линейный подшипник SCS16-L-UU включает алюминиевый корпус, встроенную шариковую линейную втулку, продольное отверстие под вал, уплотнения UU и монтажные резьбовые отверстия. За счёт увеличенной длины корпус лучше распределяет нагрузку по направляющей и обеспечивает более устойчивое движение по сравнению со стандартным исполнением.
Размерный ряд серии SCS-L-UU
Ниже приведена таблица всех типоразмеров серии. Текущий товар выделен.
| Модель | d, мм | L, мм | W, мм | C, Н | C0, Н |
|---|---|---|---|---|---|
| SCS12-L-UU | 12 | 70 | 42 | 813 | 1570 |
| SCS16-L-UU | 16 | 85 | 50 | 1230 | 2340 |
| SCS20-L-UU | 20 | 96 | 54 | 1410 | 2740 |
| SCS25-L-UU | 25 | 130 | 76 | 1610 | 3120 |
| SCS30-L-UU | 30 | 140 | 78 | 2490 | 5480 |
| SCS40-L-UU | 40 | 175 | 102 | 3440 | 8020 |
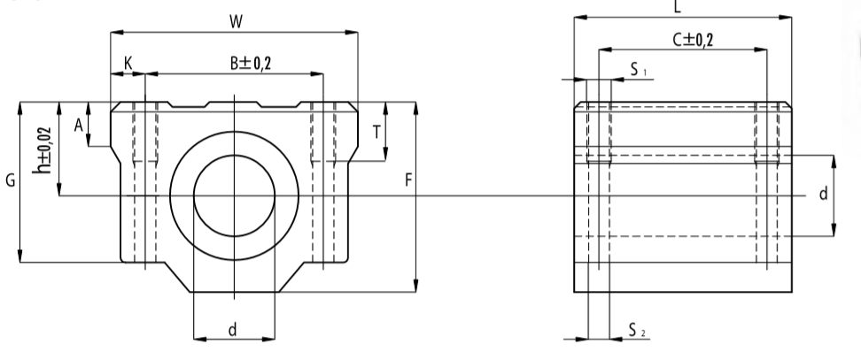
Технические параметры и условия эксплуатации
Линейный подшипник SCS16-L-UU рассчитан на вал ∅16 мм и предназначен для работы в системах с умеренными и повышенными нагрузками. Динамическая грузоподъёмность составляет 1230 Н, статическая — 2340 Н. Длина корпуса равна 85 мм, ширина — 50 мм, крепёжные отверстия рассчитаны под винт М5. Закрытая конструкция помогает удерживать смазку и снижает влияние загрязнений на дорожки качения.
- Внутренний диаметр (d): 16 мм
- Длина корпуса (L): 85 мм
- Ширина корпуса (W): 50 мм
- Динамическая нагрузка (C): 1230 Н
- Статическая нагрузка (C0): 2340 Н
- Крепёж: М5
Применяемость
SCS16-L-UU используется в линейных осях станков ЧПУ, гравировальных и фрезерных комплексах, портальных системах, измерительных устройствах и промышленной автоматике. Удлинённое исполнение особенно удобно там, где требуется более жёсткое ведение каретки и снижение люфта на рабочих участках перемещения.
- Фрезерные и гравировальные станки
- Портальные системы
- Линейные модули автоматизации
- Измерительное оборудование
Аналоги
Линейный подшипник SCS16-L-UU (TECHNIX) сопоставим по размерам и функции со следующими изделиями мировых брендов:
| Производитель | Обозначение аналога | Тип соответствия |
|---|---|---|
| SNB Linear | SC16LUU | Близкий аналог |
| NB (Nippon Bearing) | SMA-16GWUU / SMA-16WUU | Близкий аналог |
| Samick | SC16LUU | Близкий аналог |
Часто задаваемые вопросы
- Какой вал рекомендуется для SCS16-L-UU?
Рекомендуется использовать шлифованный закалённый вал диаметром 16 мм с точной геометрией и качественной поверхностью. - Можно ли использовать модель на высоких скоростях?
Да, если выдержаны допустимые нагрузки, обеспечена смазка и исключены перекосы направляющих. - Чем исполнение L отличается от стандартного?
Удлинённый корпус даёт большую длину опоры и более устойчивое ведение при рабочем ходе. - Как часто нужно обслуживать линейный подшипник?
Частота обслуживания зависит от условий работы, загрязнённости среды и скорости перемещения.
Службы доставки в ПВЗ:
- СДЭК
- Boxberry
- Яндекс Доставка
- DPD
Службы доставки курьером:
- Собственная служба доставки
- СДЭК
- Достависта
Подробнее о доставке транспортными компаниями:
1. Доставка через СДЭК
СДЭК – это удобная и быстрая доставка по всей России. Вы можете выбрать один из вариантов:
- Доставка до пункта выдачи – ваш заказ будет доставлен в ближайший к вам офис СДЭК, где его можно забрать в удобное время.- Курьерская доставка – заказ привезут прямо к вам домой или в офис.
Сроки доставки зависят от региона и рассчитываются индивидуально при оформлении заказа.*
2. Доставка транспортной компанией «Деловые Линии»
Если вам требуется перевозка крупногабаритного или тяжелого груза, мы рекомендуем транспортную компанию «Деловые Линии».
- Доставка возможна в большинство населенных пунктов России.- Вы можете выбрать удобный терминал для самовывоза или заказать адресную доставку.
Стоимость рассчитывается индивидуально в зависимости от веса, габаритов и региона.*
О самовывозе со склада
Вы можете самостоятельно забрать заказ в Санкт-Петербурге по адресу:
📍 Люботинский проспект, 5
Преимущества самовывоза:
✔️ Возможность проверить товар перед получением.
✔️ Отсутствие затрат на доставку.
✔️ Гибкий график выдачи.
✔️ Возможность оплаты заказа банковской картой при получении заказа.
Перед приездом на склад обязательно уточните наличие товара у менеджера.
Доставка осуществляется в пределах территорий Российской Федерации и Республики Беларусь.
*обращаем Ваше внимание, что стоимость доставки рассчитывается согласно тарификациям транспортных компаний и курьерских служб.
Линейные подшипники обеспечивают ровное и плавное перемещение деталей по прямой, что важно для станков, 3D-принтеров, манипуляторов и автоматических линий. От правильного выбора детали зависит срок службы оборудования и качество работы узлов при серийном производстве.
В этом материале разберем, как устроены линейные подшипники, чем отличаются между собой и что учитывать при выборе модели под задачи производства.
При установке линейных подшипников исполнители нередко допускают ошибки, которые становятся причиной быстрого выхода из строя этих узлов. В предлагаемом обзоре рассматривается, как предупредить погрешности монтажа, с учетом состава наиболее целесообразных мер с точки зрения технической реализации и экономической целесообразности применяемых технологий.

