О товаре
Линейный подшипник с корпусом SCS20-UU бесфланцевый закрытого типа предназначен для линейного перемещения по валу 20 мм и используется в узлах оборудования, где требуется сочетание удобного монтажа, надёжной опоры и устойчивой работы под рабочей нагрузкой.
Расшифровка артикула
- SCS — линейный подшипник в корпусе с креплением на плоскость
- 20 — внутренний диаметр под направляющий вал 20 мм
- UU — закрытое исполнение с двусторонними резиновыми уплотнениями
Полное обозначение: SCS20-UU. Серия SCS-UU применяется в системах линейного движения различного промышленного назначения.
Конструкция и устройство
Выполнен в виде алюминиевого корпуса с размещённой внутри линейной втулкой шарикового типа. Рециркуляция шариков обеспечивает плавное перемещение по шлифованному валу, а корпус воспринимает крепёжные усилия и служит опорной базой. Двусторонние уплотнения защищают рабочую часть подшипника, уменьшая влияние производственной пыли и загрязнений на ресурс узла.
Размерный ряд серии SCS-UU
Ниже приведена таблица всех типоразмеров серии. Текущий товар выделен.
| Модель | d, мм | L, мм | W, мм | S1 | Кол-во рециркуляций | G, мм | S2, мм | K, мм | A, мм | C, Н | C0, Н |
|---|---|---|---|---|---|---|---|---|---|---|---|
| SCS08UU | 12 | 36 | 42 | M5 | 4 | 24 | 4,3 | 5,75 | 8 | 510 | 784 |
| SCS10-UU | 10 | 35 | 40 | M5 | 4 | 21 | 4,3 | 6 | 8 | 370 | 540 |
| SCS12-UU | 12 | 36 | 42 | M5 | 4 | 24 | 4,3 | 5,75 | 8 | 510 | 784 |
| SCS16-UU | 16 | 44 | 50 | M5 | 5 | 32,5 | 4,3 | 7 | 9 | 770 | 1170 |
| SCS20-UU | 20 | 50 | 54 | M6 | 5 | 35 | 5,2 | 7 | 11 | 860 | 1370 |
| SCS25-UU | 25 | 67 | 76 | M8 | 6 | 41 | 6,8 | 11 | 12 | 980 | 1560 |
| SCS30-UU | 30 | 72 | 78 | M8 | 6 | 49 | 6,8 | 10 | 15 | 1560 | 2740 |
| SCS35-UU | 35 | 80 | 90 | M8 | 6 | 54 | 6,8 | 10 | 18 | 1660 | 3130 |
| SCS40-UU | 40 | 90 | 102 | M10 | 6 | 62 | 8,6 | 11 | 20 | 2150 | 4010 |
| SCS50-UU | 50 | 110 | 122 | M10 | 6 | 80 | 8,6 | 11 | 25 | 3820 | 7930 |
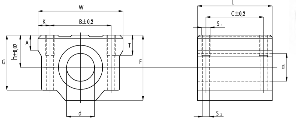
Технические параметры и условия эксплуатации
SCS20-UU работает с валом 20 мм и имеет размеры корпуса 50×54 мм по длине и ширине. Крепёжное отверстие — M6, количество рециркуляций — 5, динамическая нагрузка — 860 Н, статическая — 1370 Н. Модель подходит для более нагруженных систем по сравнению с компактными типоразмерами серии. Для нормальной эксплуатации важны корректная соосность валов, ровная монтажная база и регулярное обновление смазки.
- Внутренний диаметр (d): 20 мм
- Длина (L): 50 мм
- Ширина (W): 54 мм
- Крепёжное отверстие S1: M6
- Количество рециркуляций: 5
- Выступ маслёнки G: 35 мм
- Диаметр сквозного отверстия S2: 5,2 мм
- Расстояние K: 7 мм
- Высота боковой юбки A: 11 мм
- Динамическая нагрузка C: 860 Н
- Статическая нагрузка C0: 1370 Н
- Тип исполнения: закрытое, UU
Применяемость
Подшипник применяется в промышленных системах линейного перемещения средней нагрузки: в станках, каретках подачи, транспортных модулях, автоматизированных устройствах и оснастке. Благодаря корпусному исполнению SCS20-UU легко интегрируется в рамы машин и обеспечивает надёжную опору при линейном движении. Закрытая конструкция делает его практичным выбором для оборудования, работающего в обычных производственных условиях.
- Станки и производственные узлы
- Системы подачи и перемещения
- Упаковочные и сборочные автоматы
- Координатные каретки и направляющие
- Промышленные механизмы позиционирования
Аналоги
Подшипник SCS20-UU (TECHNIX) соответствует типовым аналогам в серии корпусных линейных подшипников на вал 20 мм.
| Производитель | Обозначение аналога | Тип соответствия |
|---|---|---|
| Samick | SCS20UU / SC20UU | Полный аналог по серии |
| THK | SC20UU | Близкий аналог по исполнению |
| NB | SM/SC-тип в корпусе с LM20UU | Близкий аналог по конструкции |
| INA | KBS20-PP в корпусном исполнении | Близкий аналог по исполнению |
Точное соответствие необходимо проверять и подтверждать по каталожным размерам и допускаемым нагрузкам конкретной модели.
Часто задаваемые вопросы
- Как установить SCS20-UU без перекоса?
Сначала выравнивают корпус по монтажной плоскости, затем вводят вал и только после этого выполняют окончательную затяжку крепежа. - Можно ли использовать подшипник при повышенной запылённости?
Да, но в таких условиях следует чаще контролировать состояние смазки и своевременно обслуживать узел. - Когда необходима замена?
При появлении люфта, шума, задиров на валу или ухудшении плавности движения подшипник рекомендуется заменить. - Подойдёт ли аналог другого бренда?
Да, если совпадают посадочные размеры, крепёжные параметры и допустимая нагрузка.
Службы доставки в ПВЗ:
- СДЭК
- Boxberry
- Яндекс Доставка
- DPD
Службы доставки курьером:
- Собственная служба доставки
- СДЭК
- Достависта
О самовывозе со склада
Вы можете самостоятельно забрать заказ в Санкт-Петербурге по адресу:
📍 Люботинский проспект, 5
Линейные подшипники обеспечивают ровное и плавное перемещение деталей по прямой, что важно для станков, 3D-принтеров, манипуляторов и автоматических линий. От правильного выбора детали зависит срок службы оборудования и качество работы узлов при серийном производстве.
В этом материале разберем, как устроены линейные подшипники, чем отличаются между собой и что учитывать при выборе модели под задачи производства.
При установке линейных подшипников исполнители нередко допускают ошибки, которые становятся причиной быстрого выхода из строя этих узлов. В предлагаемом обзоре рассматривается, как предупредить погрешности монтажа, с учетом состава наиболее целесообразных мер с точки зрения технической реализации и экономической целесообразности применяемых технологий.

