О товаре
Линейный подшипник с корпусом SCS30-L-UU TECHNIX — удлинённый бесфланцевый линейный подшипник для вала ∅30 мм, предназначенный для тяжёлых систем линейного перемещения. Модель применяется там, где от направляющей требуется высокая жёсткость, надёжность и стабильное движение при значительных динамических нагрузках.
Расшифровка артикула
- SCS — линейный подшипник с корпусом прямоугольного типа.
- 30 — внутренний диаметр и диаметр вала: 30 мм.
- L — удлинённая версия корпуса.
- UU — двусторонние уплотнения закрытого типа.
Полное обозначение: SCS30-L-UU TECHNIX. Серия SCS-L-UU предназначена для удлинённых моделей под повышенные нагрузки.
Конструкция и устройство
Линейный подшипник SCS30-L-UU включает массивный алюминиевый корпус, встроенную шариковую линейную втулку, продольное отверстие под вал, торцевые уплотнения UU и крепёжные отверстия. Увеличенный диаметр и удлинённый корпус позволяют более эффективно воспринимать рабочие нагрузки и поддерживать стабильное движение по длинным направляющим.
Размерный ряд серии SCS-L-UU
Ниже приведена таблица всех типоразмеров серии. Текущий товар выделен.
| Модель | d, мм | L, мм | W, мм | C, Н | C0, Н |
|---|---|---|---|---|---|
| SCS12-L-UU | 12 | 70 | 42 | 813 | 1570 |
| SCS16-L-UU | 16 | 85 | 50 | 1230 | 2340 |
| SCS20-L-UU | 20 | 96 | 54 | 1410 | 2740 |
| SCS25-L-UU | 25 | 130 | 76 | 1610 | 3120 |
| SCS30-L-UU | 30 | 140 | 78 | 2490 | 5480 |
| SCS40-L-UU | 40 | 175 | 102 | 3440 | 8020 |
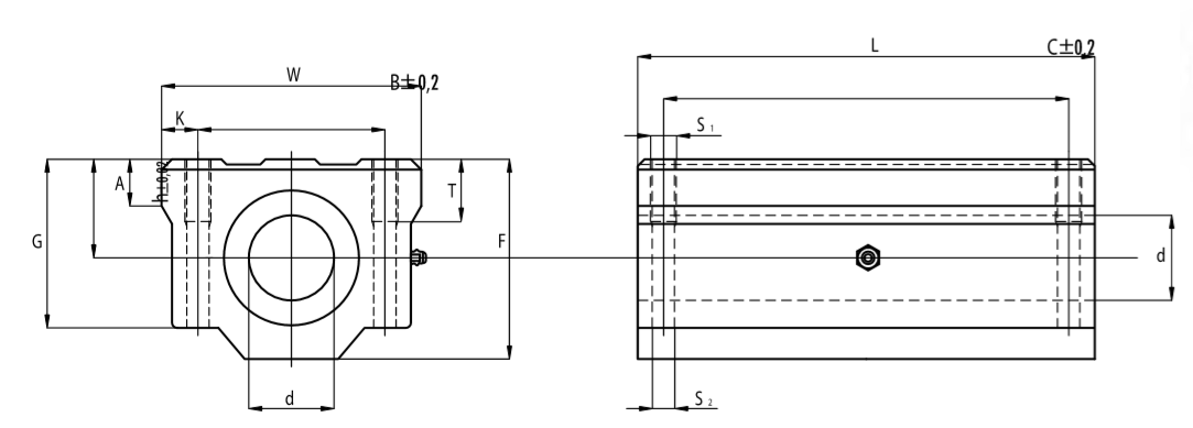
Технические параметры и условия эксплуатации
Линейный подшипник SCS30-L-UU рассчитан на работу с валом ∅30 мм. Динамическая грузоподъёмность составляет 2490 Н, статическая — 5480 Н. Длина корпуса равна 140 мм, ширина — 78 мм, крепёжные отверстия рассчитаны под винт М8. Закрытое исполнение защищает рабочие дорожки от загрязнений и способствует более стабильной работе при длительной эксплуатации.
- Внутренний диаметр (d): 30 мм
- Длина корпуса (L): 140 мм
- Ширина корпуса (W): 78 мм
- Динамическая нагрузка (C): 2490 Н
- Статическая нагрузка (C0): 5480 Н
- Крепёж: М8
Применяемость
SCS30-L-UU применяется в тяжёлых линейных осях, крупных портальных станках, подающих устройствах, промышленных автоматизированных системах и оборудовании с высокими рабочими нагрузками. Удлинённое исполнение помогает уменьшить риск перекоса и повышает устойчивость каретки при длинных ходах.
- Крупные портальные станки
- Подающие механизмы
- Промышленные автоматизированные системы
- Тяжёлые линейные оси
Аналоги
Линейный подшипник SCS30-L-UU (TECHNIX) сопоставим по размерам и функции со следующими изделиями мировых брендов:
| Производитель | Обозначение аналога | Тип соответствия |
|---|---|---|
| SNB Linear | SC30LUU | Близкий аналог |
| NB (Nippon Bearing) | SMA-30GWUU / SMA-30WUU | Близкий аналог |
| Samick | SC30LUU | Близкий аналог |
Часто задаваемые вопросы
- Подходит ли SCS30-L-UU для тяжёлых систем?
Да, модель рассчитана на повышенные нагрузки и применяется в более мощном промышленном оборудовании. - Можно ли использовать модель на длинных направляющих?
Да, удлинённая конструкция особенно удобна для длинного хода и более устойчивого ведения. - Какой крепёж рекомендуется?
Для монтажа применяют винты М8 с корректной равномерной затяжкой корпуса. - Нужно ли регулярно обслуживать модель?
Да, особенно при высокой запылённости и интенсивной эксплуатации.
Службы доставки в ПВЗ:
- СДЭК
- Boxberry
- Яндекс Доставка
- DPD
Службы доставки курьером:
- Собственная служба доставки
- СДЭК
- Достависта
О самовывозе со склада
Вы можете самостоятельно забрать заказ в Санкт-Петербурге по адресу:
📍 Люботинский проспект, 5
Линейные подшипники обеспечивают ровное и плавное перемещение деталей по прямой, что важно для станков, 3D-принтеров, манипуляторов и автоматических линий. От правильного выбора детали зависит срок службы оборудования и качество работы узлов при серийном производстве.
В этом материале разберем, как устроены линейные подшипники, чем отличаются между собой и что учитывать при выборе модели под задачи производства.
При установке линейных подшипников исполнители нередко допускают ошибки, которые становятся причиной быстрого выхода из строя этих узлов. В предлагаемом обзоре рассматривается, как предупредить погрешности монтажа, с учетом состава наиболее целесообразных мер с точки зрения технической реализации и экономической целесообразности применяемых технологий.

