О товаре
Фланцевый линейный подшипник с корпусом TBR16-UU открытого типа TECHNIX для вала ∅16 мм. Готовый узел в алюминиевом корпусе с открытой прорезью и регулировочным винтом — обеспечивает точное линейное перемещение при монтаже на опорный вал в станках ЧПУ, роботизированных системах и промышленной автоматике.
Расшифровка артикула
- TBR — фланцевый корпус шариковой втулки, азиатский стандарт
- 16 — внутренний диаметр посадки на вал: 16 мм
- UU — двусторонние резиновые уплотнения (закрытое исполнение втулки)
Конструкция и устройство
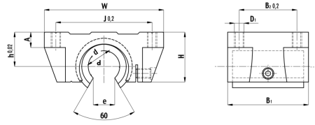
Узел состоит из литого алюминиевого корпуса с фланцевой монтажной плоскостью и четырьмя крепёжными резьбовыми отверстиями М5, встроенного линейного шарикового подшипника открытого типа LM16UU-OP (высокоуглеродистая хромированная сталь), полиамидного сепаратора с пятью рядами шариков и двусторонних резиновых уплотнений. Корпус имеет прорезь с углом 80° и стяжной регулировочный винт для выборки зазора по валу. Фиксация втулки — двумя стопорными кольцами.
Размерный ряд серии TBR-UU
Ниже приведена таблица всех типоразмеров серии. Текущий товар выделен.
| Модель | d, мм | W, мм | H, мм | J, мм | B2, мм | A, мм | B1, мм | e, мм | α | D1 | C, Н | C0, Н |
|---|---|---|---|---|---|---|---|---|---|---|---|---|
| TBR16UU | 16 | 62 | 26 | 50 | 30 | 8 | 42 | 11 | 80° | M5 | 392 | 490 |
| TBR20UU | 20 | 68 | 31 | 54 | 37 | 10 | 51 | 11 | 60° | M6 | 784 | 1176 |
| TBR25UU | 25 | 82 | 41 | 65 | 50 | 12 | 65 | 12 | 50° | M8 | 1568 | 2352 |
| TBR30UU | 30 | 91 | 48 | 75 | 60 | 12 | 75 | 15 | 50° | M8 | 1764 | 2940 |
Технические параметры и условия эксплуатации
Подшипник работает по принципу рециркуляции шариков в 5 замкнутых дорожках качения. Динамическая грузоподъёмность составляет 392 Н, статическая — 490 Н. Открытая прорезь корпуса с углом 80° обеспечивает широкий диапазон регулировки и упрощает демонтаж без полного снятия вала. Двустороннее резиновое уплотнение (UU) обеспечивает защиту рабочей зоны от пыли и стружки. Рабочий диапазон температур: от −20°C до +80°C.
- Внутренний диаметр (d): 16 мм
- Ширина корпуса (W): 62 мм
- Высота корпуса (H): 26 мм
- Межцентровое расстояние крепления по длине (J): 50 мм
- Межцентровое расстояние крепления по ширине (B2): 30 мм
- Высота боковой юбки (A): 8 мм
- Длина корпуса (B1): 42 мм
- Зазор на корпусе (e): 11 мм
- Угол прорези корпуса (α): 80°
- Крепёжная резьба (D1): М5
- Количество рядов шариков: 5
- Динамическая нагрузка (C): 392 Н
- Статическая нагрузка (C0): 490 Н
- Рабочая температура: от −20°C до +80°C
- Материал корпуса: алюминиевый сплав
- Материал втулки: высокоуглеродистая хромированная сталь
- Уплотнение: двустороннее резиновое (тип UU)
Применяемость
Подшипник TBR16-UU применяется в лёгких и среднетяжёлых системах линейного перемещения с цилиндрическим опорным валом ∅16 мм. Широкий угол прорези корпуса (80°) позволяет выполнять монтаж и обслуживание, не демонтируя направляющий вал полностью. Фланцевая плоскость с четырьмя отверстиями М5 обеспечивает жёсткое болтовое крепление к несущей конструкции.
- Станки с ЧПУ (фрезерные, гравировальные, лазерные)
- 3D-принтеры промышленного класса и плоттеры
- Промышленные роботы и манипуляторы
- Системы автоматической подачи и сортировки
- Медицинское и лабораторное оборудование
- Прецизионные измерительные машины (КИМ)
Аналоги
Подшипник TBR16-UU (TECHNIX) является полным аналогом следующих изделий:
| Производитель | Обозначение аналога | Тип соответствия |
|---|---|---|
| Samick | TBR16UU | Полный аналог |
| NBS | TBR16UU | Полный аналог |
| ISB | TBR16UU | Полный аналог |
Точное соответствие необходимо проверять и подтверждать по каталожным размерам и допускаемым нагрузкам конкретной модели.
Часто задаваемые вопросы
- Как правильно установить TBR16-UU?
Убедитесь, что вал имеет диаметр 16 мм с допуском h6/g6 и шероховатость поверхности не хуже Ra 0,4. Установите узел на вал без перекосов — ударный монтаж недопустим. Закрепите корпус к монтажной плите четырьмя болтами М5 с равномерной затяжкой. Выберите зазор регулировочным винтом на прорези корпуса, после чего затяните стопорный болт. Перед пуском заложите в уплотнения пластичную смазку (литол-24 или ЦИАТИМ-201). - Как определить, что подшипник требует замены?
Признаки износа: радиальный или осевой люфт, повышенный шум и вибрация при движении каретки, неравномерный ход, следы питтинга или выкрашивания на дорожках качения и шариках. При обнаружении хотя бы одного из признаков выполните плановую замену. Рекомендуемый интервал профилактического осмотра — каждые 500–1000 часов наработки. - Чем TBR16-UU отличается от SBR16-UU?
SBR16-UU — линейный подшипник в корпусе без фланца того же типоразмера. Основное отличие — способ крепления: TBR16-UU имеет фланцевую монтажную площадку, а SBR16-UU крепится через корпус без фланца. При одинаковом диаметре вала 16 мм перед заменой необходимо проверить монтажные размеры, высоту оси и конфигурацию посадочного места. - Совместим ли TBR16-UU с аналогами других брендов (Samick, NBS, ISB)?
Да. Серия TBR-UU стандартизирована по азиатским размерным нормам и полностью взаимозаменяема с TBR16UU производства Samick, NBS и ISB. Все посадочные и присоединительные размеры идентичны — замена производится без доработки несущих конструкций. - Нужна ли дополнительная смазка при эксплуатации?
Подшипник поставляется с заводской смазкой. В нормальных условиях эксплуатации повторная смазка проводится каждые 500–800 часов. При повышенной запылённости или значительных нагрузках — каждые 200–300 часов. Рекомендуемые смазки: литол-24, ЦИАТИМ-201, Mobilux EP 2.
Службы доставки в ПВЗ:
- СДЭК
- Boxberry
- Яндекс Доставка
- DPD
Службы доставки курьером:
- Собственная служба доставки
- СДЭК
- Достависта
О самовывозе со склада
Вы можете самостоятельно забрать заказ в Санкт-Петербурге по адресу:
📍 Люботинский проспект, 5
Линейные подшипники обеспечивают ровное и плавное перемещение деталей по прямой, что важно для станков, 3D-принтеров, манипуляторов и автоматических линий. От правильного выбора детали зависит срок службы оборудования и качество работы узлов при серийном производстве.
В этом материале разберем, как устроены линейные подшипники, чем отличаются между собой и что учитывать при выборе модели под задачи производства.
При установке линейных подшипников исполнители нередко допускают ошибки, которые становятся причиной быстрого выхода из строя этих узлов. В предлагаемом обзоре рассматривается, как предупредить погрешности монтажа, с учетом состава наиболее целесообразных мер с точки зрения технической реализации и экономической целесообразности применяемых технологий.

