Линейные подшипники в сборе с корпусом серии TBR-UU — это готовые к установке узлы, использующие подшипник LME-xxx-OP и обеспечивающие высокую точность и стабильность линейного перемещения. Они оптимально подходят для использования в системах с высокими требованиями к нагрузке и долговечности.
Конструкция и особенности:
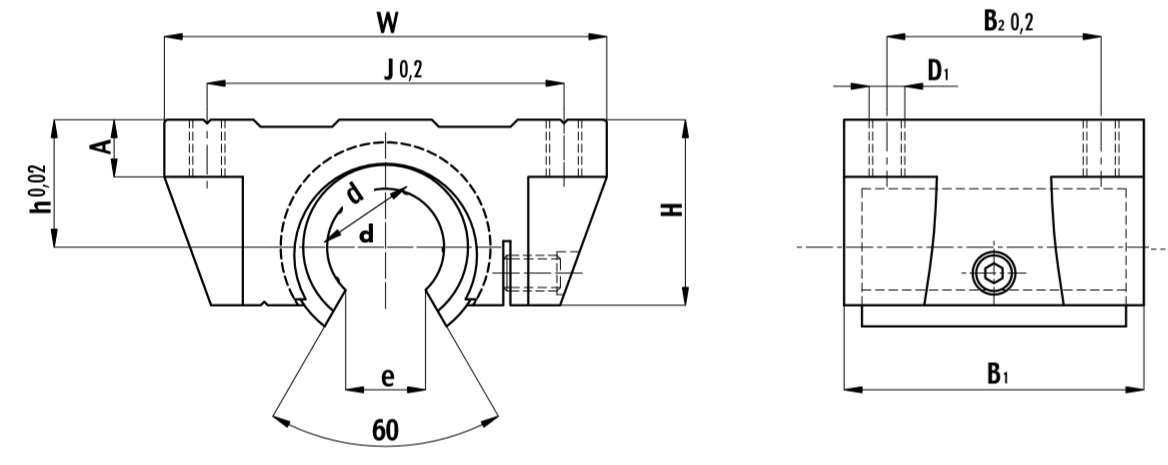
- Корпус открытого типа: обеспечивает лёгкий доступ для обслуживания и смазки.
- Усиленный алюминиевый корпус: устойчив к механическим нагрузкам и воздействию внешней среды.
- Шариковый подшипник: обеспечивает минимальное трение и плавность перемещения вдоль направляющего вала.
- Подходит для круглых валов TBR: с хромированным покрытием или из нержавеющей стали.
Преимущества:
1. Удобство обслуживания
Открытая конструкция упрощает очистку и смазку подшипника.
2. Высокая точность
Идеален для применения в оборудовании, где критична точность перемещения.
3. Универсальность
Используется в широком диапазоне промышленных систем.
4. Устойчивость к износу
Конструкция и материалы продлевают срок службы подшипника.
Области применения:
- прецизионные станки и обрабатывающие центры;
- лазерные и фрезерные системы;
- линейные направляющие для автоматизированного оборудования;
- транспортировочные системы и конвейеры;
- роботизированные механизмы.
Рекомендации по эксплуатации:
- Регулярно смазывайте подшипники, чтобы предотвратить износ.
- Используйте вал соответствующего диаметра для максимальной эффективности.
- Проверяйте монтаж и крепление, чтобы избежать люфтов и перекосов.
Технические характеристики:
- диапазон размеров: от TBR16UU до TBR50UU;
- материал корпуса: алюминиевый сплав;
- рабочая температура: от -20°C до +80°C;
- максимальная нагрузка: зависит от размера;
- угол раскрытия: 60°.
Службы доставки в ПВЗ:
- СДЭК
- Boxberry
- Яндекс Доставка
- DPD
Службы доставки курьером:
- Собственная служба доставки
- СДЭК
- Достависта
Подробнее о доставке транспортными компаниями:
1. Доставка через СДЭК
СДЭК – это удобная и быстрая доставка по всей России. Вы можете выбрать один из вариантов:
- Доставка до пункта выдачи – ваш заказ будет доставлен в ближайший к вам офис СДЭК, где его можно забрать в удобное время.- Курьерская доставка – заказ привезут прямо к вам домой или в офис.
Сроки доставки зависят от региона и рассчитываются индивидуально при оформлении заказа.*
2. Доставка транспортной компанией «Деловые Линии»
Если вам требуется перевозка крупногабаритного или тяжелого груза, мы рекомендуем транспортную компанию «Деловые Линии».
- Доставка возможна в большинство населенных пунктов России.- Вы можете выбрать удобный терминал для самовывоза или заказать адресную доставку.
Стоимость рассчитывается индивидуально в зависимости от веса, габаритов и региона.*
О самовывозе со склада
Вы можете самостоятельно забрать заказ в Санкт-Петербурге по адресу:
📍 Люботинский проспект, 5
Преимущества самовывоза:
✔️ Возможность проверить товар перед получением.
✔️ Отсутствие затрат на доставку.
✔️ Гибкий график выдачи.
✔️ Возможность оплаты заказа банковской картой при получении заказа.
Перед приездом на склад обязательно уточните наличие товара у менеджера.
Доставка осуществляется в пределах территорий Российской Федерации и Республики Беларусь.
*обращаем Ваше внимание, что стоимость доставки рассчитывается согласно тарификациям транспортных компаний и курьерских служб.
Линейные подшипники обеспечивают ровное и плавное перемещение деталей по прямой, что важно для станков, 3D-принтеров, манипуляторов и автоматических линий. От правильного выбора детали зависит срок службы оборудования и качество работы узлов при серийном производстве.
В этом материале разберем, как устроены линейные подшипники, чем отличаются между собой и что учитывать при выборе модели под задачи производства.
При установке линейных подшипников исполнители нередко допускают ошибки, которые становятся причиной быстрого выхода из строя этих узлов. В предлагаемом обзоре рассматривается, как предупредить погрешности монтажа, с учетом состава наиболее целесообразных мер с точки зрения технической реализации и экономической целесообразности применяемых технологий.

