О товаре
Фланцевый линейный подшипник с корпусом TBR30-UU открытого типа TECHNIX для вала ∅30 мм. Тяжёлый типоразмер серии — усиленный алюминиевый фланцевый корпус и шесть рядов шариков обеспечивают высокую динамическую нагрузку и длительный ресурс в ответственных узлах промышленных машин и роботизированных комплексов.
Расшифровка артикула
- TBR — фланцевый корпус шариковой втулки, азиатский стандарт
- 30 — внутренний диаметр посадки на вал: 30 мм
- UU — двусторонние резиновые уплотнения (закрытое исполнение втулки)
Конструкция и устройство
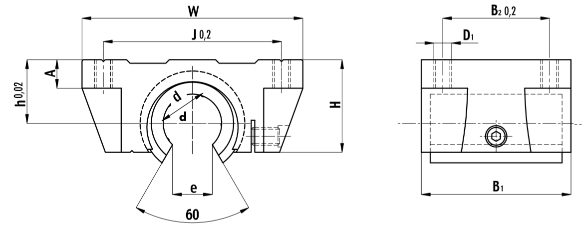
Узел состоит из тяжёлого литого алюминиевого корпуса с фланцевой монтажной плоскостью и четырьмя крепёжными резьбовыми отверстиями М8, встроенного линейного шарикового подшипника открытого типа LM30UU-OP (высокоуглеродистая хромированная сталь) с шестью рядами шариков в полиамидном сепараторе, двусторонних резиновых уплотнений и двух стопорных колец. Регулировочная прорезь корпуса с углом 50° и стяжным болтом M8 позволяют компенсировать радиальный зазор непосредственно в рабочем положении.
Размерный ряд серии TBR-UU
Ниже приведена таблица всех типоразмеров серии. Текущий товар выделен.
| Модель | d, мм | W, мм | H, мм | J, мм | B2, мм | A, мм | B1, мм | e, мм | α | D1 | C, Н | C0, Н |
|---|---|---|---|---|---|---|---|---|---|---|---|---|
| TBR16UU | 16 | 62 | 26 | 50 | 30 | 8 | 42 | 11 | 80° | M5 | 392 | 490 |
| TBR20UU | 20 | 68 | 31 | 54 | 37 | 10 | 51 | 11 | 60° | M6 | 784 | 1176 |
| TBR25UU | 25 | 82 | 41 | 65 | 50 | 12 | 65 | 12 | 50° | M8 | 1568 | 2352 |
| TBR30UU | 30 | 91 | 48 | 75 | 60 | 12 | 75 | 15 | 50° | M8 | 1764 | 2940 |
Технические параметры и условия эксплуатации
Подшипник работает по принципу рециркуляции шариков в 6 замкнутых дорожках качения. Динамическая грузоподъёмность составляет 1764 Н, статическая — 2940 Н. Прорезь корпуса с углом 50° обеспечивает жёсткое охватывание вала и высокую несущую способность при поперечных нагрузках. Двусторонние резиновые уплотнения (UU) надёжно защищают рабочую зону в условиях производственной пыли и охлаждающей жидкости. Рабочий диапазон температур: от −20°C до +80°C.
- Внутренний диаметр (d): 30 мм
- Ширина корпуса (W): 91 мм
- Высота корпуса (H): 48 мм
- Межцентровое расстояние крепления по длине (J): 75 мм
- Межцентровое расстояние крепления по ширине (B2): 60 мм
- Высота боковой юбки (A): 12 мм
- Длина корпуса (B1): 75 мм
- Зазор на корпусе (e): 15 мм
- Угол прорези корпуса (α): 50°
- Крепёжная резьба (D1): М8
- Количество рядов шариков: 6
- Динамическая нагрузка (C): 1764 Н
- Статическая нагрузка (C0): 2940 Н
- Рабочая температура: от −20°C до +80°C
- Материал корпуса: алюминиевый сплав
- Материал втулки: высокоуглеродистая хромированная сталь
- Уплотнение: двустороннее резиновое (тип UU)
Применяемость
Подшипник TBR30-UU применяется в тяжёлых системах линейного перемещения с опорным валом ∅30 мм, где к узлу предъявляются требования высокой грузоподъёмности, жёсткости и долгосрочного ресурса. Фланцевый корпус с четырьмя отверстиями М8 позволяет выполнить жёсткое крепление к несущей плите машины. Открытый корпус существенно упрощает регламентное обслуживание в труднодоступных местах конструкции.
- Тяжёлые обрабатывающие центры и гибкие производственные модули
- Промышленные роботы и многоосевые манипуляторы
- Конвейерные и транспортировочные системы
- Системы позиционирования и автоматической сборки
- Испытательные стенды и измерительное оборудование
- Прецизионные измерительные машины (КИМ)
Аналоги
Подшипник TBR30-UU (TECHNIX) является полным аналогом следующих изделий:
| Производитель | Обозначение аналога | Тип соответствия |
|---|---|---|
| Samick | TBR30UU | Полный аналог |
| NBS | TBR30UU | Полный аналог |
| ISB | TBR30UU | Полный аналог |
Точное соответствие необходимо проверять и подтверждать по каталожным размерам и допускаемым нагрузкам конкретной модели.
Часто задаваемые вопросы
- Как правильно установить TBR30-UU?
Перед монтажом проверьте вал: диаметр 30 мм, допуск h6/g6, шероховатость поверхности Ra 0,4 или лучше. Установите узел на вал без перекосов и ударных нагрузок. Закрепите корпус к монтажной плите четырьмя болтами М8 с равномерной затяжкой крест-накрест. Отрегулируйте зазор стяжным болтом прорези корпуса и зафиксируйте контргайкой. Перед вводом в работу заложите смазку в уплотнения. - Как определить, что подшипник требует замены?
Критические признаки износа: нарастающий радиальный люфт, ударный или скрипящий шум при движении, неравномерный ход каретки, следы выкрашивания металла на беговых дорожках. При появлении любого из этих признаков — плановая замена. Для ответственных узлов профилактический осмотр рекомендуется каждые 500 часов наработки. - Чем TBR30-UU отличается от TBR30-LUU?
TBR30-LUU — удлинённое исполнение той же серии с большей длиной тела подшипника. Увеличенное число рабочих шариков обеспечивает более высокую грузоподъёмность и жёсткость на моментные нагрузки, что важно для протяжённых ходов с большими рабочими вылетами. Размеры фланца и шаг крепёжных отверстий совпадают с TBR30-UU. - Совместим ли TBR30-UU с аналогами Samick, NBS, ISB?
Да. TBR30UU производства Samick, NBS и ISB являются прямыми аналогами TBR30-UU TECHNIX: все посадочные, габаритные и монтажные размеры стандартизированы. Замена выполняется без каких-либо конструктивных изменений в узле машины. - Нужна ли дополнительная смазка при эксплуатации?
Подшипник поставляется с заводской смазкой. При нормальных условиях работы интервал повторной смазки — 500–800 часов. При эксплуатации в условиях загрязнения, повышенной влажности или значительных нагрузках — 200–300 часов. Рекомендуемые смазки: литол-24, ЦИАТИМ-201, Mobilux EP 2.
Службы доставки в ПВЗ:
- СДЭК
- Boxberry
- Яндекс Доставка
- DPD
Службы доставки курьером:
- Собственная служба доставки
- СДЭК
- Достависта
О самовывозе со склада
Вы можете самостоятельно забрать заказ в Санкт-Петербурге по адресу:
📍 Люботинский проспект, 5
Линейные подшипники обеспечивают ровное и плавное перемещение деталей по прямой, что важно для станков, 3D-принтеров, манипуляторов и автоматических линий. От правильного выбора детали зависит срок службы оборудования и качество работы узлов при серийном производстве.
В этом материале разберем, как устроены линейные подшипники, чем отличаются между собой и что учитывать при выборе модели под задачи производства.
При установке линейных подшипников исполнители нередко допускают ошибки, которые становятся причиной быстрого выхода из строя этих узлов. В предлагаемом обзоре рассматривается, как предупредить погрешности монтажа, с учетом состава наиболее целесообразных мер с точки зрения технической реализации и экономической целесообразности применяемых технологий.

