О товаре
Линейная направляющая RGR30RP TECHNIX — роликовый рельс серии RG размера 30 с верхним креплением и прецизионным классом точности P. Это направляющая для осей средней и повышенной грузоподъёмности, где требуется высокая жёсткость, устойчивость к моментам и точное позиционирование при значительных ходах.
Расшифровка артикула
Обозначение RGR30RP позволяет по коду понять ключевые свойства рельса: серию, размер, тип крепления и класс точности. Такой формат маркировки облегчает подбор совместимых кареток и сравнение с аналогичными линейными направляющими других брендов.
- RG — роликовая серия линейных направляющих с повышенной жёсткостью и несущей способностью.
- R — исполнение с верхним креплением и профилем, рассчитанным на взаимозаменяемость с распространёнными промышленными стандартами.
- 30 — размер рельса; применяется в более нагруженных и протяжённых осях по сравнению с размерами 20 и 25.
- R — крепление через сквозные отверстия под винты со стороны головки.
- P — прецизионный класс точности для высокоточных систем линейного перемещения и ответственных производственных узлов.
Конструкция и устройство
RGR30RP — массивный закалённый стальной рельс с четырьмя шлифованными дорожками качения готического профиля, по которым перемещаются ролики кареток. Увеличенное сечение рельса размера 30 и крупный крепёж обеспечивают высокую жёсткость узла и устойчивость к изгибающим и крутящим моментам в динамичных приводах.
- Стальной профиль с термообработкой и прецизионной шлифовкой дорожек для роликовых тел качения.
- Готический профиль дорожек создаёт устойчивый многоточечный контакт ролика и равномерно распределяет нагрузку.
- Увеличенные габариты рельса размера 30 (ширина и высота больше, чем у 20/25‑го) позволяют передавать более высокие нагрузки и моменты.
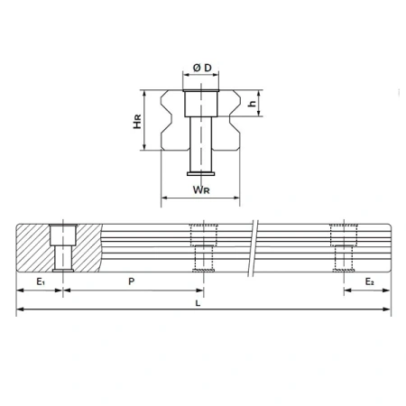
- Крепёжные отверстия с расточкой под головку винта располагаются с шагом 40 мм, что даёт жёсткое и равномерное крепление по длине.
- Направляющая работает в комплекте с роликовыми каретками серии RG размера 30 с разными вариантами преднатяга и уплотнений под конкретные условия эксплуатации.
Размерный ряд серии RGR
Серия RGR TECHNIX охватывает диапазон типоразмеров от 15 до 65, что позволяет подобрать линейную направляющую под конкретную задачу — от компактных осей до тяжёлых портальных систем. В таблице выделен рельс RGR30RP.
Технические параметры и условия эксплуатации
В составе узла линейного перемещения направляющая RGR30RP обеспечивает жёсткую опору для роликовых кареток размера 30 и устойчиво переносит комбинированные нагрузки и моменты. Прецизионный класс P требует аккуратного монтажа и качественных базовых поверхностей, но взамен обеспечивает высокую точность и повторяемость хода даже при длительной эксплуатации.
- Серия: RG, роликовые направляющие для нагруженных и высокоточных осей.
- Размер: 30 — для осей средней и повышенной грузоподъёмности, в том числе с большими пролетами.
- Класс точности: P, прецизионный.
- Тип крепления: верхнее, через винты в расточенные отверстия; шаг крепёжных отверстий P 40 мм, расстояние до первого отверстия E1/E2 20 мм.
- Жёсткость и ресурс: увеличенное сечение и роликовый контакт снижают прогибы и повышают срок службы по сравнению с шариковыми направляющими аналогичных габаритов.
- Для стабильной работы следует обеспечивать ровную и жёсткую базу, корректный момент затяжки крепежа, регулярную смазку кареток и защиту рельса от стружки и абразивной пыли.
Применяемость
Линейная направляющая RGR30RP TECHNIX используется там, где нагрузки и пролёты уже выше, чем для размеров 20–25, а к точности и ресурсу предъявляются повышенные требования. Рельс подходит как для новых машин, так и для модернизации существующего оборудования с заменой направляющих других производителей при совпадении размеров.
- Оси X/Y/Z обрабатывающих центров и портальных станков.
- Линейные модули и портальные системы для тяжёлых рабочих столов и оснастки.
- Автоматизированные транспортные и сборочные линии с повышенной массой перемещаемых узлов.
- Робототехнические комплексы и манипуляторы с длинными линейными осями.
- Измерительные и испытательные установки, где требуется стабильное позиционирование при увеличенных ходах.
Аналоги
По посадочным размерам и назначению направляющая RGR30RP TECHNIX относится к классу роликовых рельсов серии RG размера 30 и имеет сопоставимые решения у других производителей. Ниже приведены типовые аналоги, которые следует дополнительно согласовывать с каталожными данными перед заменой.
Для гарантированной взаимозаменяемости рекомендуется опираться на каталоги производителей и, при необходимости, проводить пробную установку на конкретном оборудовании.
Часто задаваемые вопросы
-
Когда имеет смысл выбирать RGR30RP вместо направляющих меньшего размера?
Размер 30 выбирают, когда нагрузка на ось, длина пролётов или требования к жёсткости уже выходят за рамки возможностей рельсов 20 и 25 размера — например, для тяжёлых столов, порталов или оснастки. -
Можно ли заменить существующий рельс другого производителя на RGR30RP без переделки базы?
Во многих случаях геометрия роликовых рельсов серии RG размера 30 близка к решениям других брендов, однако перед заменой необходимо сверить ширину и высоту рельса, шаг и расположение отверстий, а также подобрать совместимые каретки по нагрузкам и классу точности. -
Какие требования к монтажу и обслуживанию направляющих RGR30RP?
Основание под рельс должно быть обработано по плоскостности и прямолинейности, направляющую устанавливают на базовую грань и равномерно притягивают винтами с контролем прямолинейности. Для сохранения ресурса рекомендуется регулярно смазывать каретки, защищать рельс от стружки и пыли и периодически проверять люфты и плавность хода.
Службы доставки в ПВЗ:
- СДЭК
- Boxberry
- Яндекс Доставка
- DPD
Службы доставки курьером:
- Собственная служба доставки
- СДЭК
- Достависта
О самовывозе со склада
Вы можете самостоятельно забрать заказ в Санкт-Петербурге по адресу:
📍 Люботинский проспект, 5

