О товаре
Линейная направляющая RGR55RP TECHNIX — тяжёлая роликовая направляющая серии RG размера 55 с верхним креплением и прецизионным классом точности P. Рельс предназначен для особо нагруженных осей крупногабаритных станков, портальных систем и промышленного оборудования, где критичны максимальная жёсткость, устойчивость к моментам и стабильная точность позиционирования.
Расшифровка артикула
Обозначение RGR55RP фиксирует принадлежность рельса к тяжёлой роликовой серии, его размер, вариант крепления и класс точности. По коду легко понять, что направляющая рассчитана на работу в составе мощных приводов линейного перемещения.
- RG — роликовая серия линейных направляющих с повышенной жёсткостью и несущей способностью.
- R — исполнение с верхним креплением и профилем, ориентированным на взаимозаменяемость с промышленными стандартами.
- 55 — размер рельса; один из самых крупных типоразмеров линейки, для экстремальных нагрузок и длинных пролётов.
- R — крепление через сквозные отверстия под винты со стороны головки.
- P — прецизионный класс точности для ответственных координатных и приводных систем.
Конструкция и устройство
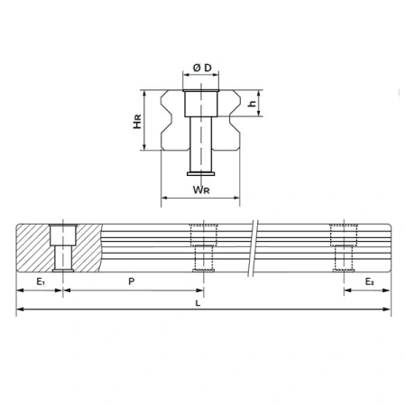
Направляющая RGR55RP представляет собой мощный стальной рельс с четырьмя прецизионно шлифованными дорожками готического профиля, по которым перекатываются ролики кареток. Увеличенная ширина и высота профиля размера 55 обеспечивают крайне высокую жёсткость и устойчивость к изгибающим и крутящим моментам даже на больших пролётах.
- Закалённый стальной профиль с высокоточной шлифовкой дорожек качения под ролики.
- Готический профиль дорожек обеспечивает многоточечный контакт ролика и равномерное распределение нагрузок по всем направлениям.
- Габариты рельса размера 55: ширина 53 мм, высота 44 мм — для особо тяжёлых осей и крупногабаритных порталов.
- Крепёжные отверстия с потайной расточкой под головку винта: шаг отверстий 52,5 мм, расстояние до первого отверстия 30 мм (E1/E2).
- Рельс работает с роликовыми каретками серии RG размера 55, доступными с различным преднатягом и усиленными уплотнениями для тяжёлых условий работы.
Размерный ряд серии RGR
Линейка RGR TECHNIX включает направляющие от компактных до тяжёлых типоразмеров, что позволяет строить единые по концепции, но разные по грузоподъёмности оси. В таблице ниже модель RGR55RP выделена.
Технические параметры и условия эксплуатации
В составе узла линейного перемещения RGR55RP создаёт крайне жёсткую опору для роликовых кареток размера 55, обеспечивая точное позиционирование и устойчивость к высоким нагрузкам и моментам. Прецизионный класс P требует аккуратного монтажа на качественно обработанную базу, но взамен даёт стабильную геометрию и повторяемость хода на всём сроке службы.
- Серия: RG, роликовые направляющие для сверхнагруженных и высокоточных осей.
- Размер: 55 — для особо тяжёлых осей крупных портальных систем и столов.
- Класс точности: P, прецизионный.
- Тип крепления: верхнее, через винты в расточенные отверстия; шаг отверстий 52,5 мм, расстояние до первого отверстия 30 мм.
- Жёсткость и ресурс: крупное сечение рельса и роликовый контакт минимизируют прогибы и обеспечивают высокий ресурс даже в многосменной эксплуатации.
- Рекомендуется использовать жёсткую базу, выдерживать допуски по плоскостности, контролировать момент затяжки крепежа, регулярно обслуживать каретки и защищать рельс от стружки, пыли и агрессивных сред.
Применяемость
Линейная направляющая RGR55RP TECHNIX применяется в особо тяжёлых приводах линейного перемещения, где к жёсткости, ресурсу и точности предъявляются максимальные требования. Такой рельс используют в крупногабаритном оборудовании и комплексах, работающих с большой массой и длительными циклами.
- Крупные портальные металлообрабатывающие станки и обрабатывающие центры.
- Тяжёлые координатные и позиционирующие столы с массивной оснасткой.
- Длинные линейные оси транспортных и сборочных линий с высокой нагрузкой.
- Робототехнические комплексы и манипуляторы с тяжёлыми консолями и большим вылетом.
- Испытательные стенды, вибростенды и другое оборудование, где требуется максимальная жёсткость и устойчивость направляющих.
Аналоги
По габаритам и назначению направляющая RGR55RP TECHNIX относится к классу тяжёлых роликовых рельсов серии RG размера 55 и имеет сопоставимые решения у других производителей. Перечень ниже служит ориентиром и требует проверки по каталогам перед фактической заменой.
Для гарантированной взаимозаменяемости рекомендуется опираться на официальные каталоги и, при необходимости, выполнять пробную установку на реальном оборудовании.
Часто задаваемые вопросы
-
В каких случаях стоит выбирать RGR55RP, а не меньшие размеры?
Размер 55 выбирают, когда масса перемещаемых узлов, длина пролётов и нагрузки таковы, что направляющие 35–45 размера не дают достаточного запаса по жёсткости и ресурсу — например, в крупных порталах и тяжёлых координатных столах. -
Можно ли заменить рельс другого производителя на RGR55RP без доработки посадочных мест?
Геометрия рельсов серии RG размера 55 часто близка к решениям других брендов, но перед заменой необходимо проверить ширину и высоту рельса, шаг и расположение крепёжных отверстий, а также подобрать каретки с подходящими нагрузочными характеристиками и классом точности. -
Какие требования к монтажу и обслуживанию направляющих RGR55RP?
Основание под рельс должно иметь высокое качество по плоскостности и прямолинейности, направляющую устанавливают на базовую грань и равномерно притягивают винтами с контролем прямолинейности. Для сохранения ресурса требуется регулярная смазка кареток, защита рельса от стружки и пыли и периодический контроль люфтов и плавности хода.
Службы доставки в ПВЗ:
- СДЭК
- Boxberry
- Яндекс Доставка
- DPD
Службы доставки курьером:
- Собственная служба доставки
- СДЭК
- Достависта
О самовывозе со склада
Вы можете самостоятельно забрать заказ в Санкт-Петербурге по адресу:
📍 Люботинский проспект, 5

