О товаре
Линейная направляющая RGR65RH TECHNIX — самая крупная роликовая направляющая серии RG с верхним креплением и высоким классом точности H. Рельс размера 65 предназначен для сверхтяжёлых осей крупногабаритного оборудования, где требуются максимальная жёсткость конструкции, высокая грузоподъёмность и надёжная работа в тяжёлых промышленных условиях.
Расшифровка артикула
Маркировка RGR65RH позволяет по коду сразу понять основные характеристики направляющей: тип профиля, серию, размер и класс точности. Это облегчает подбор рельса под уже существующие решения и сравнение с аналогичными линейными направляющими других производителей.
- RG — роликовая серия линейных направляющих повышенной жёсткости и несущей способности.
- R — исполнение с верхним креплением и профилем, ориентированным на взаимозаменяемость с распространёнными промышленными стандартами.
- 65 — максимальный размер рельса в линейке RGR, рассчитанный на экстремальные нагрузки и большие пролёты.
- R — крепление направляющей через сквозные отверстия под винты со стороны головки.
- H — высокий класс точности, достаточный для большинства тяжёлых промышленных применений без прецизионных требований класса P.
Конструкция и устройство
Направляющая RGR65RH представляет собой массивный стальной рельс с четырьмя прецизионно шлифованными дорожками готического профиля, по которым перекатываются ролики кареток. Увеличенная ширина и высота профиля размера 65 обеспечивают максимальную жёсткость и устойчивость к изгибающим и крутящим моментам даже на очень длинных пролётах.
- Закалённый стальной профиль с высокоточной шлифовкой дорожек качения под ролики.
- Готический профиль дорожек формирует многоточечный контакт ролика и равномерное распределение нагрузок по всем направлениям.
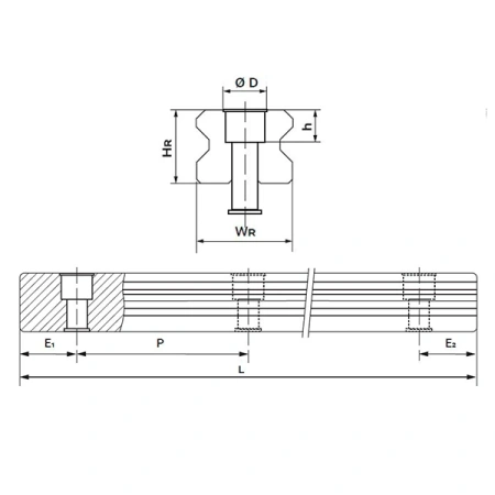
- Габариты рельса размера 65: увеличенная ширина и высота (ориентировочно порядка 63 и 53 мм соответственно) для сверхтяжёлых осей.
- Крупные крепёжные отверстия с потайной расточкой под головку винта, шаг отверстий 75 мм, расстояние до первого отверстия 35 мм.
- Совместимость с роликовыми каретками серии RG размера 65, включая исполнения с усиленным преднатягом и многоступенчатой системой уплотнений для тяжёлых условий эксплуатации.
Размерный ряд серии RGR
Серия роликовых направляющих RGR TECHNIX охватывает размеры от 15 до 65, что позволяет строить единообразные по конструкции, но разные по грузоподъёмности оси. В таблице ниже модели RGR65RH и RGR65RP выделены как максимально габаритные рельсы серии.
Технические параметры и условия эксплуатации
В составе узла линейного перемещения направляющая RGR65RH обеспечивает максимально возможную в линейке RGR жёсткость опоры для роликовых кареток размера 65. Класс точности H даёт разумный баланс между требованиями к базовым поверхностям и эксплуатационными характеристиками в тяжёлых промышленных условиях.
- Серия: RG, роликовые направляющие для сверхнагруженных осей и портальных систем.
- Размер: 65 — максимальный типоразмер серии RGR для осей с экстремальными нагрузками.
- Класс точности: H, высокий; подходит для большинства тяжёлых промышленных применений.
- Тип крепления: верхнее, через винты в расточенные отверстия (шаг 75 мм, расстояние до первого отверстия 35 мм).
- Жёсткость и ресурс: крупное сечение рельса и роликовый контакт минимизируют прогибы и обеспечивают высокий ресурс при многосменной эксплуатации.
- Для стабильной работы необходима жёсткая база с выдержанными допусками по плоскостности, правильный момент затяжки крепежа, регулярное обслуживание кареток и защита рельса от стружки, пыли и агрессивных сред.
Применяемость
Линейная направляющая RGR65RH TECHNIX применяется в самых нагруженных приводах линейного перемещения, где к жёсткости, ресурсу и устойчивости к моментам предъявляются максимальные требования. Такой рельс выбирают для крупногабаритного оборудования с большой массой перемещаемых узлов и длительными циклами.
- Крупные портальные металлообрабатывающие станки и обрабатывающие центры.
- Очень тяжёлые координатные и позиционирующие столы с массивной оснасткой.
- Длинные линейные оси транспортных, монтажных и сварочных линий.
- Робототехнические комплексы и манипуляторы с тяжёлыми консолями и большим вылетом.
- Испытательные и вибростенды, а также другое оборудование, где требуется максимально жёсткое и устойчивое линейное руководство.
Аналоги
По габаритам и назначению направляющая RGR65RH TECHNIX относится к классу самых тяжёлых роликовых рельсов серии RG размера 65 и имеет сопоставимые решения у других производителей. Приведённые ниже модели можно рассматривать как ориентировочные аналоги, требующие проверки по каталожным данным.
Для гарантированной взаимозаменяемости рекомендуется опираться на официальные каталоги производителей и, при необходимости, выполнять пробную установку на реальном оборудовании.
Часто задаваемые вопросы
-
Когда стоит выбирать RGR65RH вместо меньших размеров?
Рельс размера 65 имеет максимальное сечение и рассчитан на экстремальные нагрузки и длины пролётов, поэтому его используют в тех случаях, когда направляющие 45–55 размера уже не дают нужного запаса по жёсткости и ресурсу. -
Можно ли заменить направляющую другого производителя на RGR65RH без доработки посадочных мест?
Геометрия рельсов серии RG размера 65 часто близка к решениям других брендов, но перед заменой необходимо сверить ширину и высоту рельса, шаг и расположение крепёжных отверстий, а также подобрать каретки с подходящими нагрузочными характеристиками и классом точности. -
Какие требования к монтажу и обслуживанию направляющих RGR65RH?
Основание под рельс должно иметь высокое качество по плоскостности и прямолинейности, направляющую устанавливают на базовую грань и равномерно притягивают винтами с контролем прямолинейности. Для сохранения ресурса требуется регулярная смазка кареток, защита рельса от стружки и пыли и периодический контроль люфтов и плавности хода.
Службы доставки в ПВЗ:
- СДЭК
- Boxberry
- Яндекс Доставка
- DPD
Службы доставки курьером:
- Собственная служба доставки
- СДЭК
- Достависта
О самовывозе со склада
Вы можете самостоятельно забрать заказ в Санкт-Петербурге по адресу:
📍 Люботинский проспект, 5

