О товаре
Линейная направляющая RGR15RP TECHNIX — компактный роликовый рельс для систем линейного перемещения с повышенной жёсткостью и точностью хода. Низкий профиль и прецизионный класс качества делают направляющую оптимальным решением для лёгких осей станков с ЧПУ, линейных модулей и компактных автоматизированных установок.
Расшифровка артикула
Обозначение RGR15RP показывает, что перед вами роликовая линейная направляющая серии RG размера 15 с верхним креплением и прецизионным классом точности. Такая маркировка позволяет быстро сопоставить рельс с каретками и аналогами других производителей при подборе и замене.
- RG — роликовая серия направляющих повышенной жёсткости и несущей способности.
- R — исполнение с верхним креплением и профилем, взаимозаменяемым с популярными промышленными стандартами.
- 15 — размер рельса; узкая направляющая для компактных осей и лёгких нагрузок.
- R — крепление рельса через сквозные отверстия под винты со стороны головки.
- P — прецизионный класс точности для высокоточных узлов линейного перемещения.
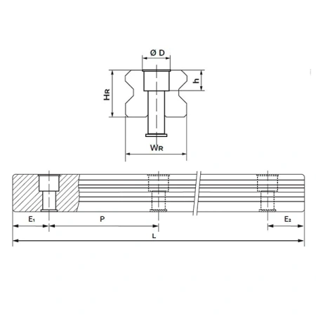
Конструкция и устройство
Рельс RGR15RP изготовлен из закалённой стали и имеет две парные дорожки качения готического профиля, согласованные с геометрией роликов в каретке. Малый поперечный размер позволяет интегрировать направляющую в узкие корпуса линейных модулей, сохраняя достаточный запас жёсткости для точного позиционирования.
- Закалённый стальной профиль с шлифованными дорожками качения для роликов.
- Готический профиль дорожек для равномерного восприятия нагрузок по всем направлениям.
- Компактное сечение направляющей для установки в ограниченном монтажном пространстве.
- Ряды крепёжных отверстий с потайной расточкой под головку винта для надёжной фиксации на базовой плите.
- Совместимость с каретками роликового типа серии RG, обеспечивающими высокую жёсткость и ресурс узла.
Размерный ряд серии RGR
Ниже приведена таблица размеров роликовых направляющих серии RGR TECHNIX с верхним креплением. Текущий товар RGR15RP выделен.
Технические параметры и условия эксплуатации
В составе узла линейного перемещения RGR15RP формирует жёсткую опору для роликовых кареток, обеспечивая плавный ход и точное позиционирование перемещаемых узлов. Прецизионный класс и роликовый контакт позволяют использовать направляющую в ответственных приводах, где критичны повторяемость и минимальные деформации под нагрузкой.
- Серия: RG, роликовые направляющие для высоконагруженных и точных осей.
- Размер: 15; рекомендован для компактных осей с ограниченным монтажным пространством.
- Тип крепления: верхнее, через винты в расточенные отверстия.
- Жёсткость и ресурс: увеличенная опорная поверхность роликов снижает прогибы и повышает долговечность по сравнению с шариковыми направляющими аналогичных габаритов.
- Рекомендуемые условия эксплуатации: ровная и жёсткая опорная поверхность, соблюдение допусков по плоскостности и параллельности, регулярная смазка, защита от пыли, стружки и агрессивных сред.
- При выборе необходимо учитывать расчётные нагрузки, моменты и длину консоли, а также совмещать рельсы с каретками соответствующего преднатяга.
Применяемость
Линейная направляющая RGR15RP применяется в компактных приводах линейного перемещения, где требуется точное позиционирование при умеренных нагрузках и ограниченном пространстве. Рельс используется в машиностроении, приборостроении и промышленной автоматике как элемент направляющей системы с роликовыми каретками.
- Линейные модули и портальные системы небольшого формата.
- Компактные оси X/Y/Z станков с ЧПУ, гравёров, лазерных и дозировочных установок.
- Измерительные и позиционирующие столы, лабораторные и испытательные стенды.
- Автоматизированные линии подачи и сборочные конвейеры с невысокой массой перемещаемых узлов.
- Робототехнические и мехатронные системы, требующие компактной и жёсткой опоры для линейного перемещения.
Аналоги
По посадочным размерам и назначению направляющая RGR15RP TECHNIX относится к классу роликовых рельсов серии RG размера 15 и имеет сопоставимые решения у других производителей. Приведённые ниже аналоги носят ориентировочный характер и требуют обязательной проверки по каталогам.
Точное соответствие необходимо проверять и подтверждать по каталожным размерам и допускаемым нагрузкам конкретной модели.
Часто задаваемые вопросы
- Как правильно установить направляющую RGR15RP на станину?
Основание под рельс необходимо обработать по плоскостности и прямолинейности, затем уложить направляющую на базовую грань и последовательно притянуть винтами через верхние отверстия, контролируя прямолинейность и отсутствие перекосов по индикатору или линейке. - Можно ли заменить существующий рельс другого бренда на RGR15RP без переделки посадочных мест?
Во многих случаях рельсы серии RG размера 15 совместимы по ширине, высоте и шагу отверстий с аналогами других производителей, однако перед заменой обязательно сверяйте все габариты и нагрузочные характеристики по каталогам, а также проверяйте совместимость кареток. - Какие требования к смазке и обслуживанию направляющей RGR15RP?
Рекомендуется регулярно обновлять смазку в каретках согласно регламенту оборудования, защищать рельс от стружки и абразивной пыли, периодически контролировать люфт и плавность хода. При появлении шумов, заеданий или следов износа направляющую и каретки необходимо диагностировать и при необходимости заменить.
Службы доставки в ПВЗ:
- СДЭК
- Boxberry
- Яндекс Доставка
- DPD
Службы доставки курьером:
- Собственная служба доставки
- СДЭК
- Достависта
О самовывозе со склада
Вы можете самостоятельно забрать заказ в Санкт-Петербурге по адресу:
📍 Люботинский проспект, 5

