О товаре
Линейная направляющая RGR20RH TECHNIX — роликовый рельс серии RG размера 20 с верхним креплением и высоким классом точности H. Направляющая рассчитана на работу в составе компактных осей станков с ЧПУ, линейных модулей и автоматизированных линий, где важны жёсткость, плавность хода и стабильное позиционирование при многосменной эксплуатации.
Расшифровка артикула
Обозначение RGR20RH помогает быстро понять ключевые характеристики направляющей: тип рельса, размер, способ крепления и класс точности. Это облегчает подбор кареток и аналогов при проектировании новых узлов и при замене направляющих в существующем оборудовании.
- RG — роликовая серия направляющих повышенной жёсткости и несущей способности.
- R — исполнение с верхним креплением и профилем, взаимозаменяемым с распространёнными стандартами.
- 20 — размер рельса; направляющая для компактных осей малой и средней грузоподъёмности.
- R — крепление рельса через сквозные отверстия под винты со стороны головки.
- H — высокий класс точности, подходящий для большинства промышленных задач по точности позиционирования.
Конструкция и устройство
Направляющая RGR20RH представляет собой закалённый стальной рельс с двумя парами прецизионно шлифованных дорожек готического профиля, согласованных с геометрией роликов каретки. Конструкция обеспечивает высокую жёсткость и устойчивость к изгибающим и крутящим моментам, что особенно важно для динамичных осей в станках и автоматизированных линиях.
- Стальной профиль с термообработкой и шлифованными дорожками качения для роликов.
- Готический профиль дорожек обеспечивает контакт ролика в нескольких точках и равномерное распределение нагрузки.
- Габариты рельса размера 20 позволяют реализовать низкопрофильные, но достаточно жёсткие линейные оси.
- Верхние крепёжные отверстия с расточкой под головку винта упрощают монтаж на базовой плите или станине.
- Совместимость с роликовыми каретками серии RG размера 20, включая варианты с разным преднатягом и защитой.
Размерный ряд серии RGR
Серия RGR TECHNIX включает несколько типоразмеров роликовых направляющих с верхним креплением, что позволяет подобрать рельс под требуемую грузоподъёмность и габариты узла. Текущий товар RGR20RH выделен в таблице.
Технические параметры и условия эксплуатации
В составе узла линейного перемещения RGR20RH обеспечивает жёсткую опору для роликовых кареток, сохраняя точность позиционирования при перемещении и нагрузках. Высокий класс точности H оптимален для большинства промышленных применений, обеспечивая баланс между стоимостью, точностью и требованиями к базовым поверхностям.
- Серия: RG, роликовые направляющие для ответственных промышленных узлов.
- Размер: 20; подходит для компактных осей с малой и средней грузоподъёмностью.
- Класс точности: H — высокий, для большинства задач общего машиностроения и автоматизации.
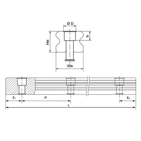
- Тип крепления: верхнее, через винты в расточенные отверстия (d 6 мм, D 9,5 мм, h 8,5 мм; шаг P 30 мм; E1/E2 20 мм).
- Жёсткость и ресурс: роликовый контакт снижает деформации под нагрузкой и повышает срок службы по сравнению с шариковыми рельсами аналогичных размеров.
- Условия эксплуатации: ровная жёсткая база, соблюдение допусков по плоскостности и параллельности, корректный момент затяжки крепежа, регулярная смазка и защита от загрязнений.
- При проектировании рекомендуется учитывать динамические нагрузки, моменты, длину консольных участков и выбирать каретки с соответствующим преднатягом.
Применяемость
Линейная направляющая RGR20RH TECHNIX применяется в приводах линейного перемещения, где требуется сочетание компактных габаритов, высокой жёсткости и стабильной точности. Она подходит как для новых проектов, так и для замены рельсов других брендов при модернизации оборудования.
- Линейные модули и портальные системы для позиционирования столов и узлов.
- Оси X/Y/Z станков с ЧПУ, фрезерных, гравировальных, лазерных и плазменных установок.
- Дозировочные, упаковочные и сортировочные машины в автоматизированных линиях.
- Промышленные роботы и мехатронные системы с линейными направляющими.
- Измерительные и испытательные стенды, требующие стабильного линейного перемещения с минимальным люфтом.
Аналоги
По габаритам и назначению направляющая RGR20RH TECHNIX относится к классу роликовых рельсов серии RG размера 20 и имеет сопоставимые модели у других производителей. Ниже приведены ориентировочные аналоги, которые следует дополнительно проверить по каталожным данным.
Точную замену следует подтверждать по каталогам производителей и, при необходимости, испытаниями на конкретном оборудовании.
Часто задаваемые вопросы
-
Как правильно установить направляющую RGR20RH на станину?
Основание под рельс необходимо обработать по плоскостности и прямолинейности, после чего направляющую укладывают на базовую грань, совмещают по упору и поочерёдно притягивают винтами через верхние отверстия, контролируя прямолинейность индикатором или прецизионной линейкой. -
Можно ли заменить существующий рельс другого бренда на RGR20RH без доработки посадочных мест?
Рельсы серии RG размера 20 часто совместимы по основным габаритам и шагу отверстий с аналогами других производителей, однако перед заменой нужно обязательно сверить размеры и нагрузочные характеристики по каталогам, а также убедиться в совместимости с установленными каретками или заменить их комплектно. -
Какие требования к смазке и обслуживанию направляющих RGR20RH?
Рекомендуется регулярная смазка кареток в соответствии с регламентом производителя оборудования, защита рельса от стружки и абразивной пыли, периодический контроль люфта и плавности хода. При появлении посторонних звуков, заеданий или следов износа направляющую и каретки следует осмотреть и при необходимости заменить.
Службы доставки в ПВЗ:
- СДЭК
- Boxberry
- Яндекс Доставка
- DPD
Службы доставки курьером:
- Собственная служба доставки
- СДЭК
- Достависта
О самовывозе со склада
Вы можете самостоятельно забрать заказ в Санкт-Петербурге по адресу:
📍 Люботинский проспект, 5

