О товаре
Линейная направляющая RGR20RP TECHNIX — роликовый рельс серии RG размера 20 с верхним креплением и прецизионным классом точности P. Такая направляющая предназначена для высокоточных осей станков с ЧПУ, линейных модулей и позиционирующих систем, где важны минимальный люфт, повторяемость перемещений и стабильная геометрия при нагрузке.
Расшифровка артикула
Маркировка RGR20RP отражает тип рельса, серию, размер и класс точности, что упрощает подбор и сравнение с аналогами других брендов. По обозначению можно понять, что это роликовая направляющая для прецизионных систем линейного перемещения.
- RG — роликовая серия направляющих повышенной жёсткости и несущей способности.
- R — исполнение с верхним креплением и профилем, совместимым с распространёнными промышленными стандартами.
- 20 — размер рельса; оптимален для компактных осей с малой и средней грузоподъёмностью.
- R — крепление направляющей через сквозные отверстия под винты со стороны головки.
- P — прецизионный класс точности, рассчитанный на более жёсткие требования к геометрии и позиционированию, чем класс H.
Конструкция и устройство
Рельс RGR20RP представляет собой закалённый стальной профиль с двумя парами прецизионно шлифованных дорожек готического профиля, по которым перекатываются ролики в каретках. Такая конструкция обеспечивает большую площадь контакта и высокую жёсткость узла при компактных габаритах, что важно для быстрых и точных приводов линейного перемещения.
- Стальной рельс с термообработкой и шлифованными дорожками качения под ролики.
- Готический профиль дорожек обеспечивает устойчивость к нагрузкам по всем направлениям и снижает риск выкрашивания.
- Компактное сечение размера 20 позволяет строить низкопрофильные оси без потери жёсткости.
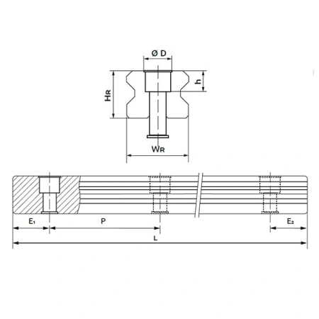
- Крепёжные отверстия с расточкой под головку винта (d 6 мм, D 9,5 мм, h 8,5 мм) с шагом 30 мм и расстоянием до первого отверстия 20 мм упрощают монтаж на базовую плиту.
- Полная совместимость с каретками серии RG размера 20, включая варианты с разным преднатягом и типами уплотнений для работы в сложных условиях.
Размерный ряд серии RGR
Серия RGR TECHNIX охватывает несколько типоразмеров роликовых направляющих с верхним креплением, что позволяет подобрать рельс под требуемую нагрузку и габариты машины. Текущий товар RGR20RP выделен в таблице.
Технические параметры и условия эксплуатации
В составе узла линейного перемещения направляющая RGR20RP обеспечивает жёсткую опору для роликовых кареток, минимизируя деформации и люфты при повторяющихся циклах. Прецизионный класс P предполагает более строгие допуски по прямолинейности и высоте, поэтому важно обеспечить соответствующее качество базовых поверхностей и монтажа.
- Серия: RG, роликовые направляющие для высокоточных и нагруженных осей.
- Размер: 20; подходит для компактных приводов с повышенными требованиями к точности.
- Класс точности: P — прецизионный, для систем с жёсткими требованиями к позиционированию и повторяемости.
- Тип крепления: верхнее, через винты (d 6 мм, D 9,5 мм, h 8,5 мм; шаг P 30 мм; E1/E2 20 мм).
- Эксплуатация: требуется жёсткая база, соблюдение допусков по плоскостности, аккуратный монтаж с контролем затяжки, регулярная смазка и защита от абразивных загрязнений.
- Рекомендуется использовать каретки с подходящим преднатягом и учитывать динамические нагрузки и моменты, чтобы сохранить заявленный ресурс системы.
Применяемость
Линейная направляющая RGR20RP TECHNIX применяется там, где требуется сочетание компактных габаритов и прецизионной точности линейного перемещения. Она подходит как для новых проектов, так и для модернизации оборудования с заменой рельсов других брендов при соблюдении размеров.
- Высокоточные оси X/Y/Z станков с ЧПУ, граверов, лазерных и измерительных установок.
- Линейные модули и портальные системы для точного позиционирования рабочих органов.
- Автоматизированные линии, дозировочные и упаковочные машины с повторяемыми циклами.
- Приборостроение, лабораторные и испытательные стенды с требованиями к микроперемещениям.
- Робототехнические и мехатронные узлы, в которых критична стабильность траектории и минимальный люфт.
Аналоги
По габаритам и назначению направляющая RGR20RP TECHNIX относится к классу роликовых рельсов серии RG размера 20 и имеет сопоставимые аналоги у других производителей. Приведённые модели рассматриваются как ориентировочные и требуют проверки по каталогам перед заменой.
При подборе замены рекомендуется ориентироваться на каталоги производителей и, при необходимости, проводить проверку на реальном оборудовании.
Часто задаваемые вопросы
-
Чем RGR20RP отличается от RGR20RH?
Оба рельса относятся к серии RG размера 20 с верхним креплением, но RGR20RP имеет прецизионный класс точности P с более строгими допусками, а RGR20RH — высокий класс H. Выбор зависит от требований к точности и бюджета проекта. -
Можно ли заменить существующий рельс другого производителя на RGR20RP без доработки посадочных мест?
Во многих случаях рельсы серии RG размера 20 совместимы по ширине, высоте и шагу отверстий с аналогами других брендов, однако перед заменой необходимо сверить все габариты и нагрузочные характеристики по каталогам, а также убедиться в совместимости применяемых кареток. -
Какие требования к монтажу и обслуживанию направляющей RGR20RP?
Основание под рельс должно быть обработано по плоскостности и прямолинейности, направляющую следует устанавливать на базовую грань и равномерно притягивать винтами с контролем прямолинейности. Для сохранения ресурса требуется регулярная смазка кареток, защита рельса от стружки и пыли, а также периодический контроль люфтов и плавности хода.
Службы доставки в ПВЗ:
- СДЭК
- Boxberry
- Яндекс Доставка
- DPD
Службы доставки курьером:
- Собственная служба доставки
- СДЭК
- Достависта
О самовывозе со склада
Вы можете самостоятельно забрать заказ в Санкт-Петербурге по адресу:
📍 Люботинский проспект, 5

