О товаре
Линейная направляющая RGR45RP TECHNIX — тяжёлая роликовая направляющая серии RG размера 45 с верхним креплением и прецизионным классом точности P. Такой рельс используется в нагруженных осях портальных станков, тяжёлых столов, транспортных и сборочных систем, где критичны жёсткость, ресурс и стабильная точность позиционирования.
Расшифровка артикула
Обозначение RGR45RP содержит всю ключевую информацию о направляющей: тип профиля, серию, размер, вариант крепления и класс точности. По коду можно быстро определить применимость рельса к конкретной оси и подобрать совместимые каретки.
- RG — роликовая серия линейных направляющих с повышенной жёсткостью и несущей способностью.
- R — исполнение с верхним креплением и профилем, ориентированным на взаимозаменяемость с распространёнными промышленными стандартами.
- 45 — размер рельса; применяется в тяжёлых осях с высокими нагрузками и значительными моментами.
- R — крепление через сквозные отверстия под винты со стороны головки.
- P — прецизионный класс точности для ответственных приводов и координатных систем.
Конструкция и устройство
RGR45RP — массивный стальной рельс с четырьмя прецизионно шлифованными дорожками готического профиля, по которым перекатываются ролики кареток. Увеличенная ширина и высота профиля размеров 45 обеспечивают высокую устойчивость к изгибающим и крутящим моментам, что особенно важно для крупногабаритных портальных систем.
- Закалённый стальной профиль с высокоточной шлифовкой дорожек качения для роликов.
- Готический профиль дорожек обеспечивает многоточечный контакт ролика и равномерное восприятие нагрузок по всем направлениям.
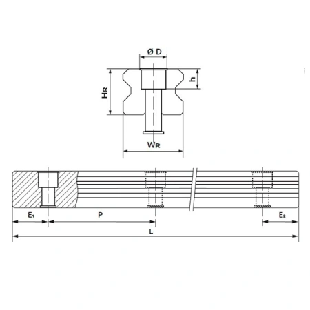
- Габариты рельса размера 45: ширина Wr 45 мм, высота Hr 38 мм — для тяжёлых и длинных осей.
- Крепёжные отверстия с потайной расточкой под головку винта: шаг P 52,5 мм, расстояние до первого отверстия E1/E2 22,5 мм.
- Направляющая рассчитана на работу с роликовыми каретками серии RG размера 45, доступными с разными вариантами преднатяга и систем уплотнений.
Размерный ряд серии RGR
Серия RGR TECHNIX включает линейные направляющие от компактных до тяжёлых типоразмеров, что позволяет использовать единый подход к конструкции для разных нагрузок и габаритов. В таблице выделен рельс RGR45RP.
Технические параметры и условия эксплуатации
В составе узла линейного перемещения направляющая RGR45RP обеспечивает жёсткую опору для роликовых кареток размера 45 и уверенно переносит высокие нагрузки и моменты. Прецизионный класс P предполагает повышенные требования к качеству базовых поверхностей и монтажу, но в обмен даёт стабильную геометрию и повторяемость хода даже при многолетней эксплуатации.
- Серия: RG, роликовые направляющие для тяжёлых и высокоточных осей.
- Размер: 45 — выбор для крупных портальных систем, тяжёлых столов и оснастки.
- Класс точности: P, прецизионный.
- Тип крепления: верхнее, через винты в расточенные отверстия; шаг P 52,5 мм, расстояние E1/E2 22,5 мм.
- Жёсткость и ресурс: крупное сечение и роликовый контакт значительно снижают прогибы и повышают долговечность по сравнению с шариковыми направляющими.
- Требуется ровная жёсткая база, корректный момент затяжки, регулярная смазка кареток и защита рельса от стружки, пыли и агрессивных сред.
Применяемость
Линейная направляющая RGR45RP TECHNIX применяется в тяжёлых приводах линейного перемещения, где важны высокая несущая способность, жёсткость и надёжность. Размер 45 выбирают для крупногабаритных машин и узлов, работающих с большой массой и продолжительными циклами.
- Портальные металлообрабатывающие станки и крупные обрабатывающие центры.
- Тяжёлые координатные столы и оснастка с большой массой.
- Автоматизированные транспортные и сборочные линии с высокими нагрузками.
- Робототехнические комплексы и манипуляторы с длинными и сильно нагруженными линейными осями.
- Испытательные стенды, вибростенды и другое оборудование, где требуется жёсткое и устойчивое линейное руководство.
Аналоги
По габаритам и назначению направляющая RGR45RP TECHNIX относится к классу тяжёлых роликовых рельсов серии RG размера 45 и имеет сопоставимые решения у других производителей. Ниже приведены ориентировочные аналоги, которые необходимо сверять по каталожным данным перед фактической заменой.
Для гарантированной взаимозаменяемости следует опираться на официальные каталоги и при необходимости выполнять пробную установку на реальном оборудовании.
Часто задаваемые вопросы
-
Когда стоит выбирать RGR45RP, а не более мелкие размеры?
Рельс размера 45 целесообразен, когда масса перемещаемых узлов и длина пролётов таковы, что размеры 30–35 уже не обеспечивают нужный запас по жёсткости и ресурсу, например, в больших порталах и тяжёлых столах. -
Можно ли заменить направляющую другого производителя на RGR45RP без доработки базы?
Во многих случаях геометрия рельсов серии RG размера 45 близка к решениям других брендов, но перед заменой необходимо сверить ширину и высоту рельса, шаг и расположение крепёжных отверстий, а также подобрать каретки с подходящими нагрузочными характеристиками и преднатягом. -
Какие требования к монтажу и обслуживанию направляющих RGR45RP?
Основание под рельс должно иметь высокое качество по плоскостности и прямолинейности, направляющую устанавливают на базовую грань и равномерно притягивают винтами с контролем прямолинейности. Для сохранения ресурса требуется регулярная смазка кареток, защита рельса от стружки и пыли, а также периодический контроль люфтов и плавности хода.
Службы доставки в ПВЗ:
- СДЭК
- Boxberry
- Яндекс Доставка
- DPD
Службы доставки курьером:
- Собственная служба доставки
- СДЭК
- Достависта
О самовывозе со склада
Вы можете самостоятельно забрать заказ в Санкт-Петербурге по адресу:
📍 Люботинский проспект, 5

