О товаре
Опора вала SHF12TECHNIX — фланцевая опора для полированного вала диаметром 12 мм, предназначенная для перпендикулярного крепления направляющей к базовой плите. Узел обеспечивает надёжную фиксацию конца вала, сохраняет геометрию направления и повышает стабильность работы систем линейного перемещения в компактных приводах.
Опора SHF12TECHNIX входит в серию SHF фланцевых держателей полированных валов и используется совместно с линейными подшипниками и валами соответствующего диаметра. Алюминиевый корпус снижает массу конструкции, обеспечивая при этом достаточную жёсткость для настольных станков, линейных модулей и лёгкого высокоточного оборудования.
Расшифровка артикула
Обозначение SHF12TECHNIX содержит основную информацию о типе опоры, диаметре вала и принадлежности к каталогу TECHNIX. Корректная расшифровка артикула упрощает подбор совместимых валов и элементов линейной направляющей.
- SHF — серия фланцевых опор полированных валов перпендикулярного крепления.
- 12 — исполнение для полированного вала с внутренним (посадочным) диаметром 12 мм и длиной корпуса L = 13 мм.
- TECHNIX — каталожное исполнение производителя TECHNIX для систем линейного перемещения и промышленной автоматизации.
Полное обозначение SHF12TECHNIX позволяет идентифицировать опору в линейке серии SHF и подобрать её в составе узла с полированными валами диаметром 12 мм и линейными подшипниками соответствующего типоразмера.
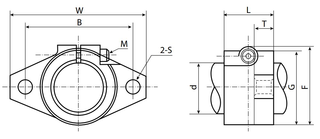
Конструкция и устройство
Опора SHF12TECHNIX выполнена в виде алюминиевого корпуса с центральным цилиндрическим отверстием под вал 12 мм и фланцем с двумя крепёжными площадками. Увеличенная по сравнению с SHF10 высота корпуса обеспечивает дополнительную жёсткость, а использование установочного винта позволяет надёжно зафиксировать вал без повреждения рабочей поверхности.
- Корпус опоры из алюминия с антикоррозионными свойствами и малой массой.
- Внутренний диаметр посадочного отверстия под вал: 12 мм.
- Внешний диаметр D: 25 мм.
- Длина L: 13 мм; ширина корпуса W: 47 мм; высота H: 28 мм.
- Ширина выступа T: 7 мм; межцентровое расстояние крепёжных отверстий B: 36 мм.
- Диаметр крепёжного отверстия S: 5,5 мм; установочный винт: M4.
- Конструкция обеспечивает точное позиционирование вала и удобный монтаж на станину или монтажную плиту оборудования.
Размерный ряд серии SHF
Ниже приведена таблица всех типоразмеров фланцевых опор вала серии SHF TECHNIX по данным каталога. Текущий товар SHF12TECHNIX выделен.
Технические параметры и условия эксплуатации
В составе узла линейного перемещения опора SHF12TECHNIX служит для фиксации и поддержки конца полированного вала диаметром 12 мм, предотвращая его смещение и прогиб при работе. Геометрия корпуса и расположение крепёжных отверстий подобраны с учётом применения в компактных направляющих и линейных модулях.
- Серия: SHF, фланцевая опора полированного вала перпендикулярного крепления.
- Внутренний диаметр d: 12 мм; внешний диаметр D: 25 мм.
- Длина L: 13 мм; ширина W: 47 мм; высота H: 28 мм.
- Материал корпуса: алюминий; ширина выступа T: 7 мм.
- Установочный винт: M4.
- Межцентровое расстояние креплений B: 36 мм; диаметр крепёжного отверстия S: 5,5 мм.
- Вес опоры: около 0,012 кг.
- Рекомендуется установка на ровную и жёсткую опорную поверхность, защита узла от загрязнений и регулярный контроль затяжки крепежа для сохранения точности позиционирования.
Чертёж опоры вала SHF12
Применяемость
Опора SHF12TECHNIX используется в системах линейного перемещения с полированными валами диаметром 12 мм, где требуется надёжная фиксация направляющей перпендикулярно монтажной плите. Такой типоразмер характерен для малых и средних по нагрузке приводов в станках с ЧПУ, лабораторных установках и специализированных механизмах подачи.
- Линейные модули и оси перемещения в компактных станках с ЧПУ.
- Малогабаритные портальные системы, позиционеры и перемещающие каретки.
- Сборочные, измерительные и лабораторные стенды с направляющими на полированных валах.
- Лёгкие автоматизированные линии с точным позиционированием перемещаемых узлов.
- Приводы, где важны компактность конструкции, стабильность геометрии траектории и умеренные нагрузки на направляющую.
Аналоги
По функциональному назначению и посадочным параметрам опора SHF12TECHNIX соответствует распространённым фланцевым держателям полированных валов диаметром 12 мм у других производителей линейной механики. Ниже приведены типовые аналоги со сходной маркировкой и областью применения.
Точное соответствие необходимо проверять и подтверждать по каталожным размерам и допускаемым нагрузкам конкретной модели.
Службы доставки в ПВЗ:
- СДЭК
- Boxberry
- Яндекс Доставка
- DPD
Службы доставки курьером:
- Собственная служба доставки
- СДЭК
- Достависта
О самовывозе со склада
Вы можете самостоятельно забрать заказ в Санкт-Петербурге по адресу:
📍 Люботинский проспект, 5

