О товаре
Опора вала SHF30TECHNIX — фланцевая опора для полированного вала диаметром 30 мм, предназначенная для перпендикулярного крепления направляющей к базовой плите. Опора обеспечивает надёжную фиксацию конца вала, сохраняет геометрию траектории и повышает стабильность работы узлов линейного перемещения.
Опора SHF30TECHNIX относится к серии SHF фланцевых держателей полированных валов и применяется совместно с линейными подшипниками и валами соответствующего диаметра. Корпус из дюралюминия сочетает малый вес и высокую прочность, что делает опору востребованной в станках с ЧПУ, линейных модулях и автоматизированных линиях.
Расшифровка артикула
Обозначение SHF30TECHNIX показывает тип опоры, диаметр обслуживаемого вала и принадлежность к каталогу TECHNIX. Это облегчает подбор комплектующих в составе одной системы линейного перемещения.
- SHF — серия фланцевых опор полированных валов перпендикулярного крепления.
- 30 — исполнение для полированного вала с внутренним (посадочным) диаметром 30 мм и длиной корпуса L = 30 мм.
- TECHNIX — каталожное исполнение производителя TECHNIX для систем линейного перемещения и промышленной автоматики.
Полное обозначение SHF30TECHNIX позволяет однозначно идентифицировать опору в линейке серии SHF и подобрать совместимые полированные валы диаметром 30 мм, линейные подшипники и ответные элементы крепления.
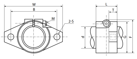
Конструкция и устройство
Опора SHF30TECHNIX представляет собой корпус из дюралюминия с центральным цилиндрическим отверстием под вал 30 мм и фланцем с двумя крепёжными площадками. Конструкция обеспечивает жёсткое крепление опоры к базовой поверхности и надёжную прижимную фиксацию вала установочным винтом, уменьшая прогиб и вибрации при работе механизма.
- Корпус опоры из дюралюминия: низкий вес, высокая жёсткость и коррозионная стойкость.
- Внутренний диаметр посадочного отверстия под вал: 30 мм.
- Внешний диаметр D: 45 мм.
- Длина L: 30 мм; ширина корпуса W: 80 мм; высота H: 50 мм.
- Ширина выступа T: 12 мм; межцентровое расстояние крепёжных отверстий B: 64 мм.
- Диаметр крепёжного отверстия S: 9 мм; установочный винт: M6 или M8 (в зависимости от исполнения).
- Конструкция рассчитана на работу в составе линейных модулей, портальных систем и приводов подачи при умеренных и повышенных эксплуатационных нагрузках.
Размерный ряд серии SHF
Ниже приведена таблица всех типоразмеров фланцевых опор вала серии SHF TECHNIX. Текущий товар SHF30TECHNIX выделен.
Технические параметры и условия эксплуатации
В составе узла линейного перемещения опора SHF30TECHNIX служит для фиксации и поддержки конца полированного вала диаметром 30 мм, предотвращая его смещение и прогиб при работе механизма. Применение дюралюминия и увеличенные габариты корпуса позволяют использовать опору в более нагруженных системах линейного перемещения.
- Серия: SHF, фланцевая опора полированного вала перпендикулярного крепления.
- Внутренний диаметр d: 30 мм; внешний диаметр D: 45 мм.
- Длина L: 30 мм; ширина W: 80 мм; высота H: 50 мм.
- Материал корпуса: дюралюминий; ширина выступа T: 12 мм.
- Установочный винт: M6/M8 — прижимная фиксация вала в посадочном отверстии.
- Межцентровое расстояние креплений B: 64 мм; диаметр крепёжного отверстия S: 9 мм.
- Вес опоры: порядка 0,12–0,14 кг.
- Рекомендуется монтаж на ровную жёсткую поверхность, защита опоры от ударных нагрузок и загрязнений, а также регулярный контроль затяжки крепежа и соосности направляющих.
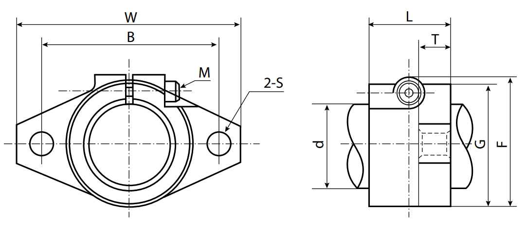
Чертёж опоры вала SHF30
Применяемость
Опора SHF30TECHNIX применяется в системах линейного перемещения с полированными валами диаметром 30 мм, где требуется надёжная фиксация направляющей перпендикулярно монтажной плите при повышенных нагрузках. Такой типоразмер используют в станках с ЧПУ, линейных модулях, тяжёлых позиционирующих устройствах и автоматизированных линиях.
- Линейные модули и оси перемещения станков с ЧПУ средней и повышенной мощности.
- Портальные системы, перемещаемые порталы и каретки с увеличенной нагрузкой.
- Сборочные, испытательные и измерительные стенды с направляющими на полированных валах увеличенного диаметра.
- Автоматизированные и роботизированные комплексы, где критична точность хода и стабильность геометрии направляющих.
- Системы, работающие при умеренных и повышенных нагрузках, требующие жёсткого и надёжного крепления опор.
Аналоги
По функциональному назначению и посадочным параметрам опора SHF30TECHNIX соответствует фланцевым держателям полированных валов диаметром 30 мм, выпускаемым рядом производителей линейной механики. Ниже приведены типовые аналоги со сходной маркировкой и областью применения.
Точное соответствие необходимо дополнительно проверять по каталожным размерам и допускаемым нагрузкам конкретных исполнений.
Службы доставки в ПВЗ:
- СДЭК
- Boxberry
- Яндекс Доставка
- DPD
Службы доставки курьером:
- Собственная служба доставки
- СДЭК
- Достависта
О самовывозе со склада
Вы можете самостоятельно забрать заказ в Санкт-Петербурге по адресу:
📍 Люботинский проспект, 5

