О товаре
Опора вала SHF60TECHNIX — фланцевая опора для полированного вала диаметром 60 мм, предназначенная для перпендикулярного крепления направляющей к базовой плите. Опора обеспечивает надёжную фиксацию конца вала, поддерживает точную геометрию траектории и повышает стабильность работы узлов линейного перемещения.
Опора SHF60TECHNIX выполнена из дюралюминия, благодаря чему сочетает легкий вес и высокую прочность. Конструкция предназначена для совместной работы с полированными валами и линейными подшипниками соответствующего диаметра в тяжёлых станках с ЧПУ, линейных модулях и роботизированных комплексах.
Расшифровка артикула
Обозначение SHF60TECHNIX отражает тип опоры, диаметр обслуживаемого вала и принадлежность к каталогу TECHNIX. Такое кодирование облегчает подбор комплектующих и снижает риск ошибок при проектировании и обслуживании систем линейного перемещения.
- SHF — серия фланцевых опор полированных валов перпендикулярного крепления.
- 60 — исполнение для полированного вала с внутренним (посадочным) диаметром 60 мм и длиной корпуса L = 60 мм.
- TECHNIX — каталожное исполнение производителя TECHNIX для систем линейного перемещения и промышленной автоматики.
Полное обозначение SHF60TECHNIX позволяет однозначно идентифицировать опору в линейке серии SHF и подобрать совместимые полированные валы диаметром 60 мм, линейные подшипники и ответные элементы крепления.
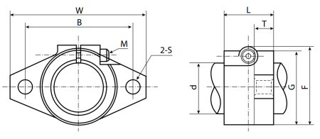
Конструкция и устройство
Опора SHF60TECHNIX представляет собой массивный корпус из дюралюминия с центральным цилиндрическим отверстием под вал 60 мм и фланцем с двумя крепёжными площадками. Конструкция обеспечивает жёсткое крепление опоры к базовой поверхности и надёжную прижимную фиксацию вала установочным винтом, уменьшая прогиб и вибрации при работе механизма.
- Корпус опоры из дюралюминия: высокий запас прочности при сравнительно небольшом весе.
- Внутренний диаметр посадочного отверстия под вал: 60 мм.
- Внешний диаметр D: 80 мм.
- Длина L: 60 мм; ширина корпуса W: 140 мм; высота H: 95 мм.
- Ширина выступа T: 23 мм; межцентровое расстояние крепёжных отверстий B: 112 мм.
- Диаметр крепёжного отверстия S: 14 мм; установочный винт: M12.
- Конструкция рассчитана на применение в особо нагруженных узлах линейного перемещения, где требуется максимально жёсткое и стабильное крепление полированного вала к опорной плоскости.
Размерный ряд серии SHF
Таблица ниже показывает основные типоразмеры фланцевых опор вала серии SHF TECHNIX. Текущий товар SHF60TECHNIX выделен.
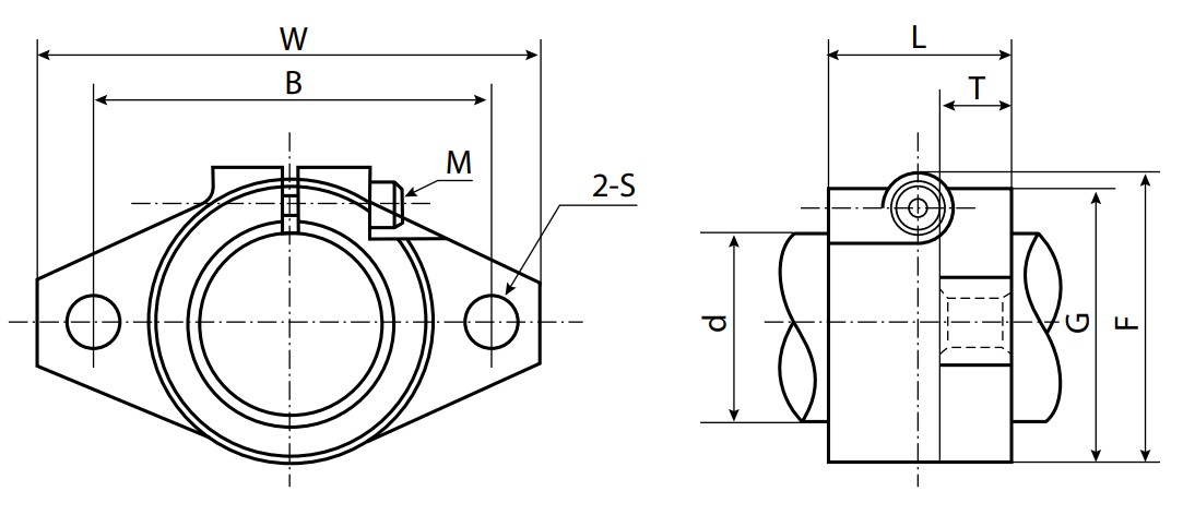
Технические параметры и условия эксплуатации
В составе узла линейного перемещения опора SHF60TECHNIX служит для фиксации и поддержки конца полированного вала диаметром 60 мм, предотвращая его смещение и прогиб при работе механизма. Благодаря массивному дюралюминиевому корпусу и крупным посадочным размерам опора применяется в системах с высокими и ударными эксплуатационными нагрузками.
- Серия: SHF, фланцевая опора полированного вала перпендикулярного крепления.
- Внутренний диаметр d: 60 мм; внешний диаметр D: 80 мм.
- Длина L: 60 мм; ширина W: 140 мм; высота H: 95 мм.
- Материал корпуса: дюралюминий; ширина выступа T: 23 мм.
- Установочный винт: M12 — прижимная фиксация вала в посадочном отверстии.
- Межцентровое расстояние креплений B: 112 мм; диаметр крепёжного отверстия S: 14 мм.
- Вес опоры: порядка 1,1–1,2 кг.
- Рекомендуется монтаж на ровную жёсткую поверхность, защита опоры от ударных воздействий и загрязнений, а также регулярный контроль затяжки крепежа и соосности направляющих.
Чертёж опоры вала SHF60
Применяемость
Опора SHF60TECHNIX применяется в системах линейного перемещения с полированными валами диаметром 60 мм, где требуется надёжная фиксация направляющей перпендикулярно монтажной плите при высоких и ударных нагрузках. Такой типоразмер используют в тяжёлых станках с ЧПУ, портальных системах, мощных линейных модулях и роботизированных комплексах.
- Линейные модули и оси перемещения станков с ЧПУ повышенной мощности.
- Портальные системы, перемещаемые порталы и каретки с большой массой и нагрузкой.
- Сборочные, испытательные и измерительные стенды с направляющими на полированных валах крупного диаметра.
- Автоматизированные и роботизированные комплексы, где критична точность хода и стабильность геометрии направляющих при больших нагрузках.
- Системы, работающие в тяжёлых условиях эксплуатации, требующие максимально жёсткого и надёжного крепления опор.
Аналоги
По функциональному назначению и посадочным параметрам опора SHF60TECHNIX соответствует фланцевым держателям полированных валов диаметром 60 мм, выпускаемым рядом производителей линейной механики. Ниже приведены типовые аналоги со сходной маркировкой и областью применения.
Точное соответствие необходимо дополнительно проверять по каталожным размерам и допускаемым нагрузкам конкретных исполнений.
Службы доставки в ПВЗ:
- СДЭК
- Boxberry
- Яндекс Доставка
- DPD
Службы доставки курьером:
- Собственная служба доставки
- СДЭК
- Достависта
О самовывозе со склада
Вы можете самостоятельно забрать заказ в Санкт-Петербурге по адресу:
📍 Люботинский проспект, 5

