О товаре
Опора вала SK40TECHNIX — усиленная промышленная опора для направляющих валов диаметром 40 мм, применяемая в тяжёлом станочном и технологическом оборудовании с экстремальными нагрузками. Опора обеспечивает жёсткое крепление вала к несущей конструкции и сохраняет точность работы системы при интенсивных режимах эксплуатации и высоких динамических воздействиях.
SK40TECHNIX входит в серию SK вертикальных опор параллельного крепления и предназначена для применения в крупногабаритных промышленных системах, где направляющие валы диаметром 40 мм формируют основу для перемещения массивных узлов и выдерживают значительные радиальные, осевые и моментные нагрузки в течение длительных рабочих циклов.
Расшифровка артикула
Артикул SK40TECHNIX соответствует единой схеме обозначения опор для круглых направляющих и включает указание на серию, типоразмер и производителя.
- SK — серия вертикальных опор с параллельным креплением к базовой поверхности.
- 40 — диаметр направляющего вала, под который выполнено посадочное отверстие, 40 мм.
- TECHNIX — обозначение бренда и каталожной линейки производителя.
Маркировка SK40TECHNIX однозначно идентифицирует опору серии SK для вала 40 мм, что упрощает подбор совместимых элементов при проектировании или модернизации тяжёлых систем линейного перемещения крупногабаритного оборудования.
Конструкция и устройство
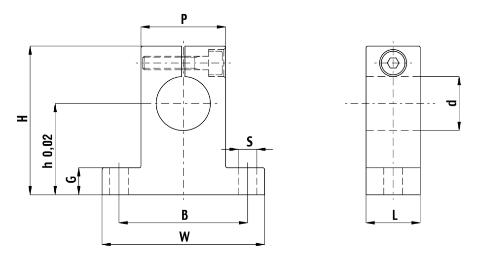
SK40TECHNIX выполнена в виде массивного алюминиевого корпуса увеличенных габаритов с вертикальным посадочным каналом диаметром 40 мм, разжимной щелью и установочным винтом M10 для надёжной фиксации направляющей. Основание опоры оснащено двумя крепёжными отверстиями диаметром 11 мм с межцентровым расстоянием 90 мм, что обеспечивает устойчивое крепление к несущим элементам станка, портала или рамной конструкции.
- Материал корпуса: алюминий.
- Посадочный диаметр: 40 мм.
- Зажимной винт: M10.
- Длина L: 36 мм.
- Ширина W: 114 мм.
- Высота H: 96 мм; высота до центра оси h: 60 мм.
- Межцентровое расстояние креплений B: 90 мм; ширина держателя P: 62 мм.
Размерный ряд серии SK
Ниже приведена таблица всех типоразмеров серии. Текущий товар SK40TECHNIX выделен.
Технические параметры и условия эксплуатации
SK40TECHNIX рассчитана на применение в тяжёлых промышленных системах, где направляющий вал диаметром 40 мм служит основой для перемещения массивных рабочих узлов под экстремальными динамическими и статическими нагрузками. Массивный алюминиевый корпус увеличенных габаритов и широкая зона контакта с валом обеспечивают максимальную жёсткость крепления и стабильность геометрии при интенсивных режимах работы. Для надёжной эксплуатации необходимо соблюдать точность монтажа, использовать крепёж высокого класса прочности и обеспечивать защиту узла от абразивных загрязнений и ударных воздействий.
- Серия: SK.
- Посадочный диаметр d: 40 мм.
- Материал: алюминий.
- Зажимной винт: M10.
- Длина L: 36 мм; ширина W: 114 мм; высота H: 96 мм.
- Высота до оси h: 60 мм.
- Межцентровое расстояние B: 90 мм; диаметр крепёжного отверстия S: 11 мм.
- Вес: 0,41 кг; ширина держателя P: 62 мм.
Чертёж опоры вала SK40
Применяемость
SK40TECHNIX используется в крупногабаритном тяжёлом оборудовании, где направляющие валы диаметром 40 мм обеспечивают необходимую жёсткость и грузоподъёмность для перемещения массивных узлов под экстремальными нагрузками. Типичные области применения — крупные портальные фрезерные и плазменные комплексы, промышленные раскройные системы для толстолистовых материалов, тяжёлые автоматизированные линии металлообработки, а также специализированное технологическое оборудование с повышенными требованиями к точности позиционирования и непрерывными рабочими циклами.
- Крупные портальные фрезерные и плазменные комплексы.
- Промышленные раскройные системы для толстолистовых материалов.
- Тяжёлые автоматизированные линии металлообработки.
- Специализированное оборудование с экстремальными нагрузками.
- Производственные системы с повышенными требованиями к точности и непрерывными циклами.
Аналоги
Опора SK40TECHNIX соответствует типовому исполнению серии SK для вала 40 мм и по функциональности сопоставима с аналогичными изделиями других производителей. При выборе замены необходимо сверять высоту до центра оси, ширину корпуса, межцентровое расстояние креплений и диаметр монтажных отверстий.
Точное соответствие необходимо проверять и подтверждать по каталожным размерам и допускаемым нагрузкам конкретной модели.
Часто задаваемые вопросы
- Как выполнить установку опоры SK40TECHNIX?
Опору устанавливают на несущую поверхность и крепят через два отверстия диаметром 11 мм с межцентровым расстоянием 90 мм. После этого вал диаметром 40 мм вводят в посадочный канал и фиксируют винтом M10, контролируя соосность всех опор и плавность хода механизма. - Можно ли заменить SK40TECHNIX на опору другого производителя?
Замена возможна при совпадении ключевых параметров: диаметра вала, высоты до центра оси, ширины корпуса и межцентрового расстояния креплений. Рекомендуется проверить габаритные размеры по каталожным чертежам обеих опор. - Чем SK40 отличается от SK30 и SK50?
SK40 предназначена для вала диаметром 40 мм и занимает промежуточное положение между SK30 и SK50. Отличия заключаются в посадочном диаметре, габаритах корпуса, размере зажимного винта (M10) и диаметре крепёжных отверстий (11 мм). - Когда требуется полная замена опоры SK40TECHNIX?
Замена необходима при обнаружении трещин корпуса, деформации посадочного канала, износа зоны зажима, повреждения резьбы установочного винта или нарушения геометрии монтажной базы. Эксплуатация повреждённой опоры снижает точность и ускоряет износ вала. - Требуется ли обслуживание опоры SK40TECHNIX?
Специальное техническое обслуживание не требуется, однако рекомендуется регулярно проверять затяжку крепёжных винтов и установочного винта M10, особенно при работе в условиях экстремальных нагрузок, вибрации и загрязнённой среды.
Службы доставки в ПВЗ:
- СДЭК
- Boxberry
- Яндекс Доставка
- DPD
Службы доставки курьером:
- Собственная служба доставки
- СДЭК
- Достависта
О самовывозе со склада
Вы можете самостоятельно забрать заказ в Санкт-Петербурге по адресу:
📍 Люботинский проспект, 5

