ОПУ фланцевой серии EBL.20.0644.200-1STPN TECHNIX - однорядный шариковый опорно-поворотный подшипник с наружным зубчатым венцом и опорным диаметром 742,8x572 мм, разработанный для крупногабаритных поворотных узлов с высоким уровнем нагрузок.
Фланцевое наружное кольцо и зубчатое зацепление модулем 6 с 122 зубьями обеспечивают надёжную передачу крутящего момента и позволяют использовать стандартные приводные шестерни в тяжёлых режимах эксплуатации.
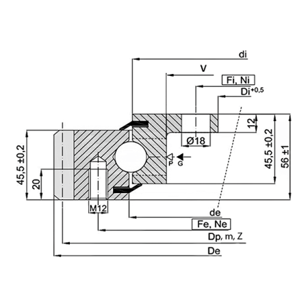
Устройство и конструкция
- Внутреннее и наружное кольца из конструкционной стали с закалёнными дорожками качения, рассчитанные на восприятие значительных осевых и радиальных нагрузок при крупном диаметре опоры.
- Один ряд стальных шариков в механически обработанном сепараторе, обеспечивающий плавность вращения и устойчивость к ударным нагрузкам.
- Фланцевое наружное кольцо с 32 монтажными отверстиями, расположенными по делительной окружности, для жёсткого крепления подшипника к несущей раме или платформе.
- Внутреннее кольцо с 36 отверстиями под болтовое соединение, позволяющими надёжно связать поворачиваемую часть конструкции с опорно-поворотным устройством.
- Наружный зубчатый венец модуля 6 с 122 зубьями, рассчитанный на передачу высоких окружных усилий и работу с редукторами среднего и крупного типоразмера.
Расшифровка наименования
- EBL - фланцевая серия однорядных шариковых опорно-поворотных устройств с наружным зацеплением.
- 20 - размерный ряд и класс грузоподъёмности, соответствующий применению в среднетяжёлых и тяжёлых механизмах.
- 0644.200 - код присоединительных размеров, указывающий на сочетание увеличенного опорного диаметра и схемы расположения крепёжных отверстий.
- 1 - базовое конструктивное исполнение по высоте и компоновке колец в линейке EBL.
- STPN - обозначение исполнения по термообработке, точности изготовления и типу сепаратора, определяющее ресурс и стабильность геометрии.
Применяемость на практике
ОПУ EBL.20.0644.200-1STPN применяют в тяжело нагруженных поворотных платформах кранов, манипуляторов, перегрузочных комплексов и крупного промышленного оборудования, где требуется высокая несущая способность при значительном вылете и крупном диаметре опоры.
Сферы применения
- Строительная и подъёмная техника с поворотными платформами и консолями.
- Поворотные столы и позиционеры станков, сварочных и сборочных установок.
- Промышленные манипуляторы, кантователи и перегрузочное оборудование.
- Специализированные машины и установки с необходимостью точного поворота рабочих органов.
Службы доставки в ПВЗ:
- СДЭК
- Boxberry
- Яндекс Доставка
- DPD
Службы доставки курьером:
- Собственная служба доставки
- СДЭК
- Достависта
Подробнее о доставке транспортными компаниями:
1. Доставка через СДЭК
СДЭК – это удобная и быстрая доставка по всей России. Вы можете выбрать один из вариантов:
- Доставка до пункта выдачи – ваш заказ будет доставлен в ближайший к вам офис СДЭК, где его можно забрать в удобное время.- Курьерская доставка – заказ привезут прямо к вам домой или в офис.
Сроки доставки зависят от региона и рассчитываются индивидуально при оформлении заказа.*
2. Доставка транспортной компанией «Деловые Линии»
Если вам требуется перевозка крупногабаритного или тяжелого груза, мы рекомендуем транспортную компанию «Деловые Линии».
- Доставка возможна в большинство населенных пунктов России.- Вы можете выбрать удобный терминал для самовывоза или заказать адресную доставку.
Стоимость рассчитывается индивидуально в зависимости от веса, габаритов и региона.*
О самовывозе со склада
Вы можете самостоятельно забрать заказ в Санкт-Петербурге по адресу:
📍 Люботинский проспект, 5
Преимущества самовывоза:
✔️ Возможность проверить товар перед получением.
✔️ Отсутствие затрат на доставку.
✔️ Гибкий график выдачи.
✔️ Возможность оплаты заказа банковской картой при получении заказа.
Перед приездом на склад обязательно уточните наличие товара у менеджера.
Доставка осуществляется в пределах территорий Российской Федерации и Республики Беларусь.
*обращаем Ваше внимание, что стоимость доставки рассчитывается согласно тарификациям транспортных компаний и курьерских служб.

