ОСОБЕННОСТИ КОНСТРУКЦИИ
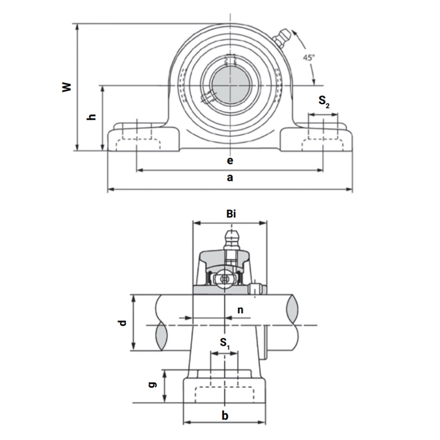
Подшипниковый узел UCP202 представляет собой литой корпус из серого чугуна с размещенным в нем шариковым подшипником. Оси вращения выполнены строго перпендикулярно опорной плоскости основания, благодаря чему установка валов может производиться без дополнительной подгонки. Закрепление последних во внутренней обойме выполняется болтовым соединением.
Монтаж самого подшипникового узла UCP202 на агрегатах осуществляется при помощи пары технологических отверстий, расположенных на выступающих лапах, что позволяет размещать его в местах, изначально не имеющих посадочных гнезд. Для увеличения срока службы устройства и уменьшения трения при работе предусмотрена система подачи консистентной смазки через тавотницу, находящуюся в верхней части корпуса под углом 45° к основанию.

Из-за своей надежности и продолжительного срока службы подшипник корпусный UCP202 широко применяется в различных сферах, в том числе в:
• дерево- и металлообрабатывающих станках;
• конвейерах;
• упаковочных машинах;
• оборудовании для легкой промышленности;
• производственных и сборочных линиях;
• сельскохозяйственных машинах и агрегатах.
Компания Technix предлагает купить подшипниковый узел UCP202 напрямую от производителя в Санкт-Петербурге или с доставкой в любой другой город России. Мы реализуем промышленные комплектующие по оптимальным ценам и в нужном вам количестве.
Службы доставки в ПВЗ:
- СДЭК
- Boxberry
- Яндекс Доставка
- DPD
Службы доставки курьером:
- Собственная служба доставки
- СДЭК
- Достависта
Подробнее о доставке транспортными компаниями:
1. Доставка через СДЭК
СДЭК – это удобная и быстрая доставка по всей России. Вы можете выбрать один из вариантов:
- Доставка до пункта выдачи – ваш заказ будет доставлен в ближайший к вам офис СДЭК, где его можно забрать в удобное время.- Курьерская доставка – заказ привезут прямо к вам домой или в офис.
Сроки доставки зависят от региона и рассчитываются индивидуально при оформлении заказа.*
2. Доставка транспортной компанией «Деловые Линии»
Если вам требуется перевозка крупногабаритного или тяжелого груза, мы рекомендуем транспортную компанию «Деловые Линии».
- Доставка возможна в большинство населенных пунктов России.- Вы можете выбрать удобный терминал для самовывоза или заказать адресную доставку.
Стоимость рассчитывается индивидуально в зависимости от веса, габаритов и региона.*
О самовывозе со склада
Вы можете самостоятельно забрать заказ в Санкт-Петербурге по адресу:
📍 Люботинский проспект, 5
Преимущества самовывоза:
✔️ Возможность проверить товар перед получением.
✔️ Отсутствие затрат на доставку.
✔️ Гибкий график выдачи.
✔️ Возможность оплаты заказа банковской картой при получении заказа.
Перед приездом на склад обязательно уточните наличие товара у менеджера.
Доставка осуществляется в пределах территорий Российской Федерации и Республики Беларусь.
*обращаем Ваше внимание, что стоимость доставки рассчитывается согласно тарификациям транспортных компаний и курьерских служб.

