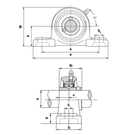
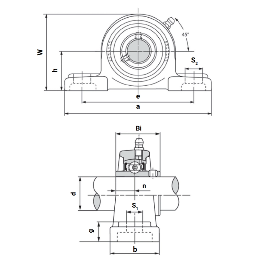
Подшипниковый узел UCP314 TECHNIX — корпусной узел с четырьмя крепежными отверстиями и корпусным подшипником UC314 для вала 70 мм. Чугунный корпус предусмотрен для фланцевого монтажа и обеспечивает восприятие высоких радиальных нагрузок с надежной фиксацией в пространстве и компенсацией перекоса вала до 2 градусов.
Устройство и конструкция
Узел состоит из массивного чугунного корпуса с фланцевой базой, четырьмя крепежными отверстиями под болты М16 и корпусного подшипника UC314 с расширенным внутренним кольцом и фиксирующими винтами. Встроенный смазочный ниппель прямого типа под углом 45 градусов и двусторонняя защитная система с отражателем и резиновыми уплотнениями обеспечивают надежную защиту от пыли, грязи и влаги при работе в условиях высоконагруженных промышленных агрегатов и вибрационных нагрузок.

Расшифровка наименования
- UC — корпусной подшипник вставной серии для корпусных узлов.
- 314 — типоразмер для вала 70 мм с фланцевым креплением: четыре крепежных отверстия под болты М16, высота центра вала от базовой плоскости 79,4 мм, конструкция для вертикального и фланцевого крепления на неподвижные опорные конструкции.
Применяемость на практике
UCP314 применяют как опору валов в механизмах с вертикальной или фланцевой ориентацией: электромоторах большой мощности, редукторах, преобразователях движения, приводных агрегатах крупного размера, насосных и компрессорных установках среднего и высокого давления. Фланцевая конструкция с четырьмя точками крепления обеспечивает надежную фиксацию, облегчает техническое обслуживание и позволяет использовать узел при вертикальной ориентации вала с переменными и высокими нагрузками.
Сферы применения
- конвейерные линии и транспортёрные системы
- дерево- и металлообрабатывающие станки
- сельскохозяйственное и пищевое оборудование
- вентиляторные и насосные установки
- общее машиностроительное и промышленное оборудование
Службы доставки в ПВЗ:
- СДЭК
- Boxberry
- Яндекс Доставка
- DPD
Службы доставки курьером:
- Собственная служба доставки
- СДЭК
- Достависта
Подробнее о доставке транспортными компаниями:
1. Доставка через СДЭК
СДЭК – это удобная и быстрая доставка по всей России. Вы можете выбрать один из вариантов:
- Доставка до пункта выдачи – ваш заказ будет доставлен в ближайший к вам офис СДЭК, где его можно забрать в удобное время.- Курьерская доставка – заказ привезут прямо к вам домой или в офис.
Сроки доставки зависят от региона и рассчитываются индивидуально при оформлении заказа.*
2. Доставка транспортной компанией «Деловые Линии»
Если вам требуется перевозка крупногабаритного или тяжелого груза, мы рекомендуем транспортную компанию «Деловые Линии».
- Доставка возможна в большинство населенных пунктов России.- Вы можете выбрать удобный терминал для самовывоза или заказать адресную доставку.
Стоимость рассчитывается индивидуально в зависимости от веса, габаритов и региона.*
О самовывозе со склада
Вы можете самостоятельно забрать заказ в Санкт-Петербурге по адресу:
📍 Люботинский проспект, 5
Преимущества самовывоза:
✔️ Возможность проверить товар перед получением.
✔️ Отсутствие затрат на доставку.
✔️ Гибкий график выдачи.
✔️ Возможность оплаты заказа банковской картой при получении заказа.
Перед приездом на склад обязательно уточните наличие товара у менеджера.
Доставка осуществляется в пределах территорий Российской Федерации и Республики Беларусь.
*обращаем Ваше внимание, что стоимость доставки рассчитывается согласно тарификациям транспортных компаний и курьерских служб.

