Подшипниковый узел UCP320 TECHNIX — тяжелый корпусной узел на лапах с корпусным подшипником UC320 для вала 100 мм. Широкий чугунный корпус на двух лапах обеспечивает устойчивость и позволяет воспринимать очень высокие радиальные нагрузки при монтаже на плоские опорные поверхности.
Устройство и конструкция
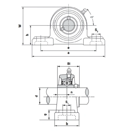
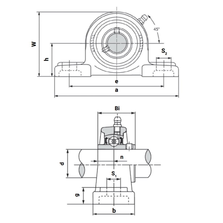
Узел состоит из усиленного чугунного корпуса P320 с двумя продольными крепежными отверстиями и корпусного подшипника UC320 с расширенным внутренним кольцом и фиксирующими винтами. Корпус имеет смазочное отверстие с пресс-масленкой, а подшипник оснащен уплотнениями, защищающими дорожки качения от пыли, влаги и технологических загрязнений.

Расшифровка наименования
- UC — корпусной подшипник вставной серии для корпусных узлов.
- P — корпус на лапах с двумя продолговатыми крепежными отверстиями.
- 320 — тяжелый типоразмер для вала 100 мм: длина корпуса около 490 мм, межосевое расстояние крепежных отверстий 380 мм, высота центра вала от основания порядка 140 мм, общая высота узла около 275–283 мм, масса порядка 35 кг.
Применяемость на практике
UCP320 применяют как опору валов в крупногабаритных и высоконагруженных механизмах: тяжелых конвейерах, приводах спецтехники, редукторах, промышленном транспортерном оборудовании и мощных насосных установках. Усиленный корпус и крупный диаметр вала позволяют использовать узел в условиях ударных и переменных нагрузок, когда требуется высокая несущая способность и стабильность геометрии опоры.
Сферы применения
- конвейерные линии и транспортёрные системы
- дерево- и металлообрабатывающие станки
- сельскохозяйственное и пищевое оборудование
- вентиляторные и насосные установки
- общее машиностроительное и промышленное оборудование
Службы доставки в ПВЗ:
- СДЭК
- Boxberry
- Яндекс Доставка
- DPD
Службы доставки курьером:
- Собственная служба доставки
- СДЭК
- Достависта
Подробнее о доставке транспортными компаниями:
1. Доставка через СДЭК
СДЭК – это удобная и быстрая доставка по всей России. Вы можете выбрать один из вариантов:
- Доставка до пункта выдачи – ваш заказ будет доставлен в ближайший к вам офис СДЭК, где его можно забрать в удобное время.- Курьерская доставка – заказ привезут прямо к вам домой или в офис.
Сроки доставки зависят от региона и рассчитываются индивидуально при оформлении заказа.*
2. Доставка транспортной компанией «Деловые Линии»
Если вам требуется перевозка крупногабаритного или тяжелого груза, мы рекомендуем транспортную компанию «Деловые Линии».
- Доставка возможна в большинство населенных пунктов России.- Вы можете выбрать удобный терминал для самовывоза или заказать адресную доставку.
Стоимость рассчитывается индивидуально в зависимости от веса, габаритов и региона.*
О самовывозе со склада
Вы можете самостоятельно забрать заказ в Санкт-Петербурге по адресу:
📍 Люботинский проспект, 5
Преимущества самовывоза:
✔️ Возможность проверить товар перед получением.
✔️ Отсутствие затрат на доставку.
✔️ Гибкий график выдачи.
✔️ Возможность оплаты заказа банковской картой при получении заказа.
Перед приездом на склад обязательно уточните наличие товара у менеджера.
Доставка осуществляется в пределах территорий Российской Федерации и Республики Беларусь.
*обращаем Ваше внимание, что стоимость доставки рассчитывается согласно тарификациям транспортных компаний и курьерских служб.

