Подшипниковый узел UKF208 TECHNIX - готовое к установке решение с квадратным чугунным корпусом и корпусным подшипником UK, закрепляемым на валу посредством конической втулки. Конструкция обеспечивает быстрый монтаж, высокую жёсткость крепления и стабильную работу в условиях динамических нагрузок на промышленных линиях.
Устройство и конструкция
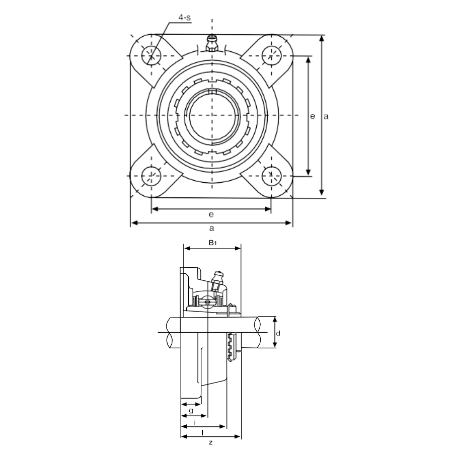
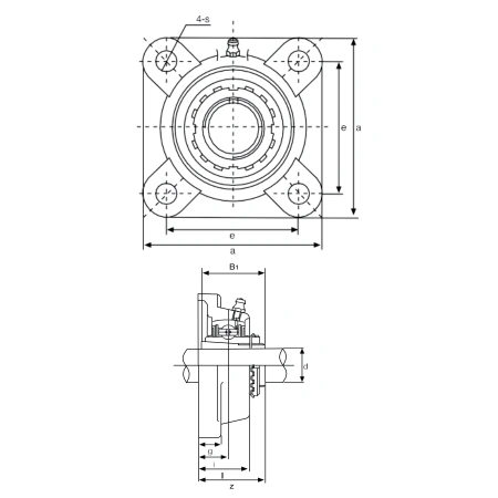
Узел UKF208 состоит из квадратного фланцевого корпуса с четырьмя отверстиями под болты, что обеспечивает надёжное крепление к несущим элементам оборудования. Корпусный подшипник UK с коническим внутренним отверстием устанавливается на вал через закрепительную втулку, которая компенсирует отклонения размеров вала и упрощает процесс монтажа без необходимости точной механической обработки посадочного места.

Сферическая посадка внутреннего кольца в корпусе позволяет узлу самоустанавливаться при небольших несоосностях, снижая концентрацию напряжений и увеличивая срок службы подшипника в реальных условиях эксплуатации.
Расшифровка наименования
Обозначение UKF208 расшифровывается следующим образом:
- UK - серия корпусного подшипника с коническим отверстием;
- F - квадратный фланцевый корпус (Square Flange);
- 208 - типоразмер, соответствующий габаритам корпуса и диаметру посадочного отверстия подшипника.
Номер «208» определяет совместимость с валами соответствующего диаметра и указывает на размеры корпуса, необходимые для расчёта посадочных мест. Единая система обозначений упрощает замену узлов и подбор аналогов при ремонте и модернизации оборудования.
Применяемость на практике
- транспортёрные системы и конвейерные линии;
- промышленные вентиляторы и вытяжные установки;
- приводы элеваторов и норий;
- смесительное и дозирующее оборудование;
- валковые дробилки и сепараторы;
- приводные станции цепных и ременных передач.
Сферы применения
- общее машиностроение;
- линии по переработке и транспортировке сырья;
- производство строительных материалов;
- деревообрабатывающая промышленность;
- сельскохозяйственное оборудование;
- пищевая промышленность (при использовании специальных исполнений).
Узел может использоваться в условиях запылённой среды и умеренной влажности при соблюдении регламентов смазки и технического обслуживания.
Службы доставки в ПВЗ:
- СДЭК
- Boxberry
- Яндекс Доставка
- DPD
Службы доставки курьером:
- Собственная служба доставки
- СДЭК
- Достависта
Подробнее о доставке транспортными компаниями:
1. Доставка через СДЭК
СДЭК – это удобная и быстрая доставка по всей России. Вы можете выбрать один из вариантов:
- Доставка до пункта выдачи – ваш заказ будет доставлен в ближайший к вам офис СДЭК, где его можно забрать в удобное время.- Курьерская доставка – заказ привезут прямо к вам домой или в офис.
Сроки доставки зависят от региона и рассчитываются индивидуально при оформлении заказа.*
2. Доставка транспортной компанией «Деловые Линии»
Если вам требуется перевозка крупногабаритного или тяжелого груза, мы рекомендуем транспортную компанию «Деловые Линии».
- Доставка возможна в большинство населенных пунктов России.- Вы можете выбрать удобный терминал для самовывоза или заказать адресную доставку.
Стоимость рассчитывается индивидуально в зависимости от веса, габаритов и региона.*
О самовывозе со склада
Вы можете самостоятельно забрать заказ в Санкт-Петербурге по адресу:
📍 Люботинский проспект, 5
Преимущества самовывоза:
✔️ Возможность проверить товар перед получением.
✔️ Отсутствие затрат на доставку.
✔️ Гибкий график выдачи.
✔️ Возможность оплаты заказа банковской картой при получении заказа.
Перед приездом на склад обязательно уточните наличие товара у менеджера.
Доставка осуществляется в пределах территорий Российской Федерации и Республики Беларусь.
*обращаем Ваше внимание, что стоимость доставки рассчитывается согласно тарификациям транспортных компаний и курьерских служб.

