Подшипниковый узел UCFL212 TECHNIX с овальным фланцем — промышленное решение для валов диаметром 60 мм, предназначенное для работы в условиях максимальных нагрузок и расширенного диапазона скоростей. Узел пожизненно смазан синтетической смазкой и способен выдерживать скорости до 2700 об/мин при диаметральном расстоянии между крепёжными отверстиями 202 мм.
Устройство и конструкция
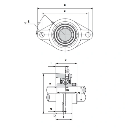
Узел UCFL212 TECHNIX состоит из цельнолитого чугунного фланцевого корпуса FL212 с вставным корпусным подшипником UC212 для вала 60 мм. Подшипник имеет расширенное внутреннее кольцо с фиксацией установочными винтами M14 (рекомендуемый момент затяжки 16,5 Н⋅м). Базовая динамическая грузоподъёмность подшипника составляет 52,7 кН, статическая — 36 кН. Сферическая наружная поверхность подшипника в сочетании с вогнутой поверхностью корпуса обеспечивает угловую компенсацию до 2° и снижает аномальные нагрузки при несоосности валов. Трёхлипёдная уплотнительная система с дополнительным отводом слинджера защищает дорожки качения от загрязнения и влаги. Смазочное отверстие и резьбовой фитинг для смазочного ниппеля (1/8-27 NPT) позволяют выполнять периодическое переупаковку. Максимальная рабочая скорость 2700 об/мин, температурный диапазон от -20°C до +100°C.

Расшифровка наименования
- UC: Тип подшипника
- FL: Тип корпуса — ромбический (овальный) фланцевый с двумя крепежными отверстиями
- 212: Размерная серия (диаметр вала 60 мм, подшипник UC212)
Сферы применения
- Машиностроение и станкостроение
- Транспортёрные и упаковочные линии
- Вентиляторы, дымософ, системы вентиляции
- Сельскохозяйственная и пищевая техника
- Оборудование складской логистики
- Перерабатывающие производства
Купить подшипниковый узел UCFL212 TECHNIX с доставкой по РФ вы можете прямо сейчас на нашем сайте или оставить заявку позвонив по телефону и написав на почту.
Службы доставки в ПВЗ:
- СДЭК
- Boxberry
- Яндекс Доставка
- DPD
Службы доставки курьером:
- Собственная служба доставки
- СДЭК
- Достависта
Подробнее о доставке транспортными компаниями:
1. Доставка через СДЭК
СДЭК – это удобная и быстрая доставка по всей России. Вы можете выбрать один из вариантов:
- Доставка до пункта выдачи – ваш заказ будет доставлен в ближайший к вам офис СДЭК, где его можно забрать в удобное время.- Курьерская доставка – заказ привезут прямо к вам домой или в офис.
Сроки доставки зависят от региона и рассчитываются индивидуально при оформлении заказа.*
2. Доставка транспортной компанией «Деловые Линии»
Если вам требуется перевозка крупногабаритного или тяжелого груза, мы рекомендуем транспортную компанию «Деловые Линии».
- Доставка возможна в большинство населенных пунктов России.- Вы можете выбрать удобный терминал для самовывоза или заказать адресную доставку.
Стоимость рассчитывается индивидуально в зависимости от веса, габаритов и региона.*
О самовывозе со склада
Вы можете самостоятельно забрать заказ в Санкт-Петербурге по адресу:
📍 Люботинский проспект, 5
Преимущества самовывоза:
✔️ Возможность проверить товар перед получением.
✔️ Отсутствие затрат на доставку.
✔️ Гибкий график выдачи.
✔️ Возможность оплаты заказа банковской картой при получении заказа.
Перед приездом на склад обязательно уточните наличие товара у менеджера.
Доставка осуществляется в пределах территорий Российской Федерации и Республики Беларусь.
*обращаем Ваше внимание, что стоимость доставки рассчитывается согласно тарификациям транспортных компаний и курьерских служб.

