Характеристики
Серия
—
SPA
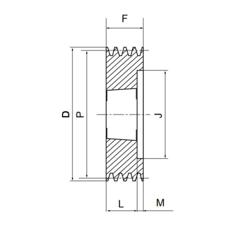
Наружный диаметр D, мм
—
123,5
Тип
—
клиновой
Все характеристики
Аналоги
Аналог Sati:
AT01183
1 384 руб.
/шт Есть в наличии: 85
В корзину
Заказать счет
Счет
Запросить консультацию по подбору
Консультация
Проверим совместимость, подберем аналог, уточним срок
Рассчитать доставку
Технические характеристики
Серия
SPA
Материал
литейный чугун EN-GJL-250 UNI EN 1561
Наружный диаметр D, мм
123,5
Тип
клиновой
Тип шкива
2
Ширина рабочей части F, мм
50
Ширина общая L, мм
32
Диаметр посадки на вал (под расточку) d, мм
50
Количество ручьев
3
Эффективный диаметр P, мм
118
Применяемая втулка
2012
Диаметр расточки J, мм
84
Вылет ступицы (втулка) M, мм
18
Общие характеристики
Производитель
TECHNIX
Службы доставки в ПВЗ:
- СДЭК
- Boxberry
- Яндекс Доставка
- DPD
Службы доставки курьером:
- Собственная служба доставки
- СДЭК
- Достависта
О самовывозе со склада
Вы можете самостоятельно забрать заказ в Санкт-Петербурге по адресу:
📍 Люботинский проспект, 5

