Характеристики
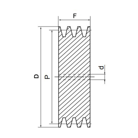
Наружный диаметр D, мм
—
87
Тип
—
клиновой
Серия
—
SPB
Все характеристики
Аналоги
Аналог Sati:
BM00804
Нет в наличии
Под заказ
Наши менеджеры обязательно свяжутся с вами и уточнят условия заказа
Заказать счет
Счет
Запросить консультацию по подбору
Консультация
Проверим совместимость, подберем аналог, уточним срок
Технические характеристики
Серия
SPB
Материал
литейный чугун EN-GJL-250 UNI EN 1561
Наружный диаметр D, мм
87
Тип
клиновой
Тип шкива
7
Ширина общая L, мм
82
Диаметр посадки на вал (под расточку) d, мм
15
Количество ручьев
4
Эффективный диаметр P, мм
80
Общие характеристики
Производитель
TECHNIX
Службы доставки в ПВЗ:
- СДЭК
- Boxberry
- Яндекс Доставка
- DPD
Службы доставки курьером:
- Собственная служба доставки
- СДЭК
- Достависта
О самовывозе со склада
Вы можете самостоятельно забрать заказ в Санкт-Петербурге по адресу:
📍 Люботинский проспект, 5

