Характеристики
Серия
—
SPC
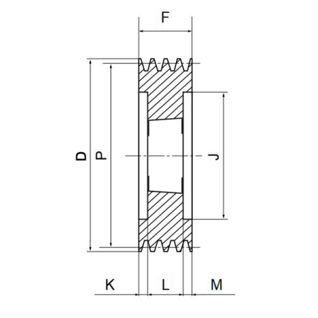
Наружный диаметр D, мм
—
233,6
Тип
—
клиновой
Все характеристики
Аналоги
Аналог Sati:
CT02243
11 995 руб.
/шт Нет в наличии
Под заказ
Наши менеджеры обязательно свяжутся с вами и уточнят условия заказа
Заказать счет
Счет
Запросить консультацию по подбору
Консультация
Проверим совместимость, подберем аналог, уточним срок
Технические характеристики
Серия
SPC
Материал
литейный чугун EN-GJL-250 UNI EN 1561
Наружный диаметр D, мм
233,6
Тип
клиновой
Тип шкива
3
Ширина рабочей части F, мм
85
Ширина общая L, мм
51
Диаметр посадки на вал (под расточку) d, мм
75
Количество ручьев
3
Эффективный диаметр P, мм
224
Применяемая втулка
3020
Диаметр расточки J, мм
168
Вылет ступицы (вал) K, мм
17
Вылет ступицы (втулка) M, мм
17
Общие характеристики
Производитель
TECHNIX
Службы доставки в ПВЗ:
- СДЭК
- Boxberry
- Яндекс Доставка
- DPD
Службы доставки курьером:
- Собственная служба доставки
- СДЭК
- Достависта
О самовывозе со склада
Вы можете самостоятельно забрать заказ в Санкт-Петербурге по адресу:
📍 Люботинский проспект, 5

