Артикул:
ZT02003TECHNIX
Характеристики
Наружный диаметр D, мм
—
204
Тип
—
клиновой
Серия
—
SPZ
Все характеристики
Аналоги
Аналог Sati:
ZT02003
Нет в наличии
Под заказ
Наши менеджеры обязательно свяжутся с вами и уточнят условия заказа
Заказать счет
Счет
Запросить консультацию по подбору
Консультация
Проверим совместимость, подберем аналог, уточним срок
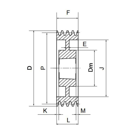
Технические характеристики
Серия
SPZ
Материал
литейный чугун EN-GJL-250 UNI EN 1561
Наружный диаметр D, мм
204
Тип
клиновой
Тип шкива
6
Диаметр ступицы Dm, мм
112
Ширина рабочей части F, мм
40
Ширина общая L, мм
32
Диаметр посадки на вал (под расточку) d, мм
50
Количество ручьев
3
Эффективный диаметр P, мм
200
Применяемая втулка
2012
Ширина корпуса мин. E, мм
10
Диаметр расточки J, мм
171
Вылет ступицы (вал) K, мм
4
Вылет ступицы (втулка) M, мм
4
Общие характеристики
Производитель
TECHNIX
Службы доставки в ПВЗ:
- СДЭК
- Boxberry
- Яндекс Доставка
- DPD
Службы доставки курьером:
- Собственная служба доставки
- СДЭК
- Достависта
О самовывозе со склада
Вы можете самостоятельно забрать заказ в Санкт-Петербурге по адресу:
📍 Люботинский проспект, 5

