Артикул:
BTC58B8TECHNIX
Характеристики
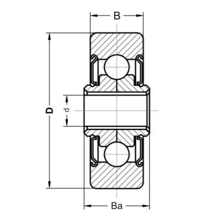
Наружный диаметр D, мм
—
58
Диапазон рабочих температур, °C
—
от -30° до +150°C
Ширина B, мм
—
17
Все характеристики
Нет в наличии
Под заказ
Наши менеджеры обязательно свяжутся с вами и уточнят условия заказа
Заказать счет
Счет
Запросить консультацию по подбору
Консультация
Проверим совместимость, подберем аналог, уточним срок
Габариты
Ширина B, мм
17
Технические характеристики
Серия
BTC
Материал
хромированная сталь AISI 52100
Внутренний диаметр d, мм
8
Диапазон рабочих температур, °C
от -30° до +150°C
Наружный диаметр D, мм
58
Уплотнение
Z
Скорость вращения, об/мин
100
Длина внутреннего кольца Ba, мм
21
Экономичный рабочий диапазон
от -30° до +150°C
Краткий рабочий диапазон
от +150° до +400°C
Общие характеристики
Производитель
TECHNIX
Службы доставки в ПВЗ:
- СДЭК
- Boxberry
- Яндекс Доставка
- DPD
Службы доставки курьером:
- Собственная служба доставки
- СДЭК
- Достависта
О самовывозе со склада
Вы можете самостоятельно забрать заказ в Санкт-Петербурге по адресу:
📍 Люботинский проспект, 5
Статьи
26.08.2024
Чрезмерный нагрев механизмов может увеличить интенсивность износа узлов и деталей, привести к преждевременному выходу из строя оборудования. Для долговечной эксплуатации подшипников важно следить за температурным режимом, который зависит от типа этого элемента, условий работы, состава материалов, соблюдения правил обслуживания и других обстоятельств.

